Добавить в корзинуПозвонить
Найти в Дзене

ПИ4. Архитектуры ЦАП

Четвертая лекция курса "Преобразователи информации" была посвящена обзору архитектурных решений при построении цифро-аналоговых преобразователей. Цифро-аналоговый преобразователь - это устройство преобразующее цифровой дискретный сигнал в непрерывный аналоговый сигнал. Чем выше значение числа на входе, тем выше значение сигнала на выходе. Общие сведения Цифро-аналоговые преобразователи можно разделить на категории по признакам. Наиболее основные из них следующие Все архитектуры ЦАП можно условно разделить на две категории отличающиеся способом получения результата. В одну категорию входят ЦАП, которые получают результат преобразования суммированием эталонных величин соответствующих весам разрядов. То есть с коэффициентом 2 в степени N, где N соответствует номеру разряда. К другой категории относятся ЦАП, которые получают результат многократным суммированием эталона единицы младшего разряда. Рассмотрим несколько основных архитектур ЦАП. ЦАП с матрицей весовых резисторов Данный ЦАП относ
Оглавление

Четвертая лекция курса "Преобразователи информации" была посвящена обзору архитектурных решений при построении цифро-аналоговых преобразователей.

Цифро-аналоговый преобразователь - это устройство преобразующее цифровой дискретный сигнал в непрерывный аналоговый сигнал. Чем выше значение числа на входе, тем выше значение сигнала на выходе.

Общие сведения

Цифро-аналоговые преобразователи можно разделить на категории по признакам. Наиболее основные из них следующие

  1. По виду выходного сигнала ЦАП бывают с токовым выходом и выходом в виде напряжения (другими словами, что кодируется входных дискретным кодом - уровень выходного тока или уровень выходного напряжения)
  2. По типу цифровых интерфейсов делятся на последовательный и параллельный ввод (то есть за один или несколько циклов синхронизации получается новое значение для преобразование)
  3. По числу ЦАП на кристалле на одноканальные и многоканальные (определяет количество сигналов способных преобразовываться условно одновременно)
  4. По быстродействию: низкого (до килогерц), умеренного (до единиц мегагерц) и высокого быстродействия (выше)
  5. По разрядности (которая определяет точность преобразования)

Все архитектуры ЦАП можно условно разделить на две категории отличающиеся способом получения результата. В одну категорию входят ЦАП, которые получают результат преобразования суммированием эталонных величин соответствующих весам разрядов. То есть с коэффициентом 2 в степени N, где N соответствует номеру разряда.

К другой категории относятся ЦАП, которые получают результат многократным суммированием эталона единицы младшего разряда.

Рассмотрим несколько основных архитектур ЦАП.

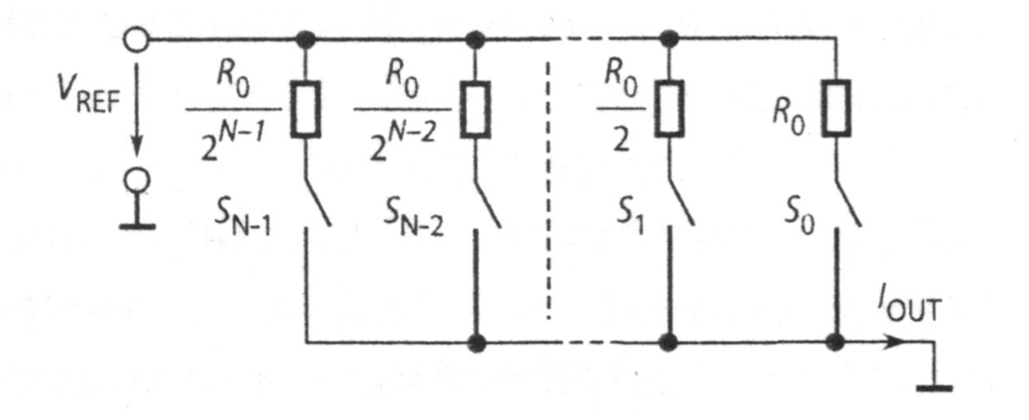
ЦАП с матрицей весовых резисторов

Данный ЦАП относится к первой категории. Для получения результата в нем складываются токи, значения которых соотносятся с весами разрядов, то есть с 2 в степени N. Это достигается за счет подключения постоянного опорного напряжения Vref к матрице параллельно подключенных резисторов, каждый из которых имеет сопротивление вдвое большее предыдущего, а значит ток в каждом из них I = U / R, вдвое меньше предыдущего (U имеет постоянное значение Vref). Выходит, что замыкая комбинации ключей S можно сформировать на выходе требуемый суммарный ток.

Матрица весовых резисторов
Матрица весовых резисторов

Для того, чтобы преобразовать полученный ток в уровень напряжения, можно воспользоваться операционным усилителем, подключенным по предложенной ниже схеме. Уровень напряжения на выходе будет равняться Uвых = −Rоос・Iвх. Здесь уровень входного тока определяется входным сопротивлением Rвх, роль которого будет играть матрица весовых резисторов изображенная выше. Iout для прошлой схемы это Iвх для операционного усилителя. Масштаб выходного сигнала определяется величиной Rоос.

Инвертирующее подключение операционного усилителя
Инвертирующее подключение операционного усилителя

Объединив показанные схемы, добавив источник опорного напряжения (ИОН, блок слева с Eоп и Rоп) и подключив выход "1" ключа к "земле", а выход "2" к инвертированному входу операционного усилителя, получим законченное устройство ЦАП. Количество тока I𝛴 пропорционально значению поданного на входы a4...a1 цифрового кода.

ЦАП с матрицей весовых резисторов
ЦАП с матрицей весовых резисторов

Из плюсов подобной архитектуры можно отметить постоянное входное сопротивление, что снижает требования для ИОН, и отсутствие взаимовлияния между разрядами (погрешность разряда не влияет на другие). Главные минусы: большой диапазон номиналов используемых резисторов (для 10 разрядов разница в 1024 раза) и ненулевое начальное значение сопротивления ключей (их надо учитывать в суммарном сопротивлении матрицы).

ЦАП с резисторной матрицей R-2R

Проблему с большим диапазоном номиналов используемых сопротивлений можно решить использую матрицу специальным образом подключенных резисторов номиналами R и 2R, как показано на рисунке ниже. Остальная часть схемы и общая идея работы остались неизменными: к ИОН подключена матрица резисторов, на выходах которой формируются двоично-взвешенные токи, подаваемые на вход операционного усилителя, формирующего у себя на выходе пропорциональное напряжение.

ЦАП с резисторной матрицей R-2R
ЦАП с резисторной матрицей R-2R

Рассмотрим, как работает матрица R-2R. Если смотреть справа-налево, то есть от младшего разряда к старшему, то видно следующее: (a) поступая слева в точку N4 ток делится поровну между резисторами 2R и 2R, через каждый проходит ток I. Со стороны ключей коммутируется либо "земля", либо "квази-земля" инвестирующего входа операционного усилителя, и там и там 0. Так как в обоих концах 0, значит резисторы 2R и 2R подключены параллельно и равны эквивалентному сопротивлению R (b). Теперь справа от N3 осталась цепочка из двух последовательно подключенных резисторов сопротивлением R, через которые течет ток 2I. Последовательные сопротивления складываются, значит остается эквивалентное сопротивление 2R (c). В параллель к этому сопротивлению из точки N3 стоит такое же 2R, значит через него течет тоже ток 2I. Если снова заменить параллельные сопротивления на эквивалентное, то останется R (d), через который течет суммарный ток 4I. Значит такой же ток попадает в ключ от узла N2. То есть, на младший разряд приходится ток I, на следующий 2I, на следующий 4I и так далее, каждый раз увеличиваясь вдвое.

Получение эквивалентной схемы
Получение эквивалентной схемы

Использование только двух номиналов несомненно является плюсом реализации, однако при такой структуре появляется взаимосвязь между разрядами. Например, если номиналы резисторов в начальной точке N1 дают погрешность, то ее результат будет отражен во всех последующих разрядах. Плюс, остается проблема с ненулевым сопротивлением ключей.

ЦАП с активным делителем тока

Последнюю проблему решает реализация с активным делителем тока, в которой подобная R-2R схема делителя подключается к источникам тока. Входное сопротивление у последних очень высокое, что компенсирует сопротивление ключей. Справа на картинке изображены эквивалентные схемы для формирования входного тока операционного усилителя для первого и второго разрядов, которые в два раза отличаются друг от друга.

ЦАП с активным делителем тока
ЦАП с активным делителем тока

Одной из важных проблем рассмотренных архитектур является шум кодовых переходов или, его еще называют, среднешкальные выбросы. Ярче всего проблема проявляет себя при переключении из 011111 в 100000. При переходе через середину диапазона происходит переключение всех разрядов на противоположное значение. Ключи, управляющие ЦАП, не могут абсолютно идеально одновременно переключиться. Из-за этого на выходе кратковременно формируется результат преобразования другого кода - кратковременный всплеск, помеха.

В высокоскоростных ЦАП не получится поставить фильтр на выходе, так как частота выходного сигнала сама по себе высокая, как и помеха. В таких ситуациях прибегают к сегментированию.

Схема для подавления шума кодовых переходов
Схема для подавления шума кодовых переходов

Данные поступают на 10-разрядный регистр, далее 5 старших бит попадает на дешифратор. На выходе дешифратора формируется 31-битный сигнал в котором количество 1 равняется значению входного 5-битного числа (для максимального числа на входе 11111 = 31, на выходе дешифратора будут все единицы). Следующий 36-разрядный регистр нужен для синхронизации, так как дешифратор обладает задержкой. Далее стоят два ЦАП. Унитарный ЦАП это 31 источник тока, каждый из которых выдает ток соответствующий 5-ому разряду. Количество токов, соответствующее количеству единиц, суммируется на выходе унитарного ЦАП вместе с двоичным ЦАП построенным с использованием матрицы резисторов. Унитарный ЦАП не подвержен среднешкальным выбросам, а двоичный - подвержен, но он тут занимает только пять младших бит, значит его выбросы не могут превысить 32/1024 части диапазона.

ЦАП с интерполяционным фильтром

Ввиду того, что на выходе ЦАП формируется не гладкий сигнал, а некоторое приближение сигнала (состоящее из полок - уровней квантования), в спектре появляются паразитные составляющие, являющиеся отражением относительно частоты Найквиста (половины частоты дискретизации fс на рисунке) и амплитудой ограниченной кривой, изображенной пунктиром, на рисунке ниже а).

-9

Чтобы убрать этот паразитный эффект на выходе ЦАП ставят фильтр низких частот (ФНЧ), чтобы он подавлял все частоты выше частоты Найквиста. В некоторых приложениях требования к характеристикам ФНЧ на выходе на столько повышаются, что разумнее использовать ЦАП с передискретизацией. В таких ЦАП происходит внутреннее повышение частоты дискретизации в несколько раз, за счет чего, вместе с частотой дискретизации отражения уходят вправо, сильнее подавляясь ФНЧ. Сигнал интерполируется находу, как на рисунке б) выше, добавляются промежуточные значения.

-10

ФАПЧ (фазовая авто-подстройка частоты) генерирует повышенную частоту для интерполирующего фильтра, интерполирующий значения на повышенной частоте, которые через регистр-защелку попадают на ЦАП.

ЦАП на коммутируемых конденсаторах

В вопросах точности исполнения и зависимости от температуры полупроводниковые емкости имеют лучшие показатели, нежели резисторы. Конденсатор проще настроить, он меньше "плывет" от температуры.

-11

На этот раз имеется матрица емкостей взвешенных по двоичному закону, каждая отвечает за свой разряд. Суммарная емкость параллельно подключенных конденсаторов равняется 2C0 (без емкости Cд такое не получится).

Преобразование происходит в два этапа:

  1. Замыкается ключ SAr, а на остальные ключи подается преобразуемый код, при этом если на ключ поступает 1, то конденсатор коммутируется к опорному напряжению Uоп, вследствие чего заряжается.
  2. SAr размыкается, а остальные ключи подключаются к "земле", то есть все конденсаторы подключаются параллельно. Суммарный заряд q определяется емкостями конденсаторов подключенных к Uоп, а значит пропорционален входному коду. Выходное напряжение операционного усилителя равняется накопленному заряду деленному на суммарную емкость
    Uвых = q / (2C0).

Общая проблема применения конденсаторов в ЦАП состоит в том, что всегда присутствуют токи утечки, что делает такие ЦАП непригодными для общих приложений. В основном их применяют в составе АЦП.

Последовательный ЦАП

Относительно простой структурно и с аппаратной точки зрения последовательный ЦАП, строится на базе двух схем выборки и хранения (СВХ1 и СВХ2). СВХ - устройство которое может запомнить напряжение. В этом ЦАП они подключены так, что СВХ2 по сигналу сохраняет в себе значение из СВХ1, а СВХ1 сохраняет в себе значение суммы СВХ2 и Uref*ai деленной пополам. Здесь ai это значение i-того разряда. Еще раз:
СВХ1 = (СВХ2 + Uref*a
i) / 2

К1...К5 - ключи управляющие работой преобразователя. Сигнал Tn+1 = 0 в процессе преобразования, и 1 - при выдаче результата.

Последовательный ЦАП
Последовательный ЦАП

Суть работы в процессе преобразования сводится к следующему: пока Tn+1 в нуле, К5 замкнут, СВХ1=СВХ2=0, синхронно с синхроимпульсом fT младшими битами вперед подается код, который надо преобразовать. Если младший бит будет 1, то в СВХ1 = (0 + Uref*1)/2, то есть половина опорного напряжения. На второй половине синхроимпульса СВХ2 сохранит значение СВХ1. На следующем такте fT в СВХ1 попадет половина от Uref*a1 с половиной СВХ2. Другими словами это будет сумма Uref*a1/2 + Uref/4. А значит в следующей итерации это будет сумма Uref*a2/2 + Uref*a1/4 + Uref/8 и так далее, что пропорционально входному коду.

Разрядность такого преобразователя ограничена только характеристиками элементов, из которых он состоит и погрешностями, которые они носят.

ЦАП с ШИМ и ЧИМ

Пара примеров ЦАП относящихся к другой категории, получающих результат многократным суммированием эталона единицы младшего разряда.

Для реализации ЦАП с широтно-импульсной модуляцией (ШИМ) необходимо попеременно подключать к ФНЧ (а) сначала опорное напряжение Uref, потом "землю", при этом время подключения Uref должно быть пропорционально значению входного кода. Чем меньше входной код, тем длительность Uref меньше (б - сверху). Чем больше входной код, тем длительность Uref больше (б - снизу). ФНЧ сглаживает сигнал на выходе ключа (пунктирная линия). Нужен хороший ФНЧ, чтобы превратить пунктирную линию в сплошную.

ЦАП с ШИМ (широтно-импульсная модуляция)
ЦАП с ШИМ (широтно-импульсная модуляция)

Сам блок управления ключом, который подключает Uref и "землю" к ФНЧ, является простейшим цифровым устройством. Цифровой счетчик разрядностью N (разрядность ЦАП) непрерывно считает от 0 до максимального значения, и снова, по кругу. Выходное значение счетчика подается на один вход цифрового компаратора. На второй вход подается значение из регистра, которым ЦАП управляется. Пока значение счетчика будет меньше значения в регистре, на выходе компаратора будет 1. Когда счетчик превысит значение в регистре, на выходе схемы будет 0. Этот сигнал и является управляющим для ключа.

Подобный ЦАП легко реализуется с помощью цифровых устройств, например, можно подключить выход ПЛИС, в которой реализован ШИМ, к RC-цепочке (играющей роль ФНЧ) и вот готовый ЦАП.

ЦАП с ЧИМ (частотно-импульсная модуляция) строится аналогичным образом, с той лишь разницей, что вместо ШИМ управление осуществляется частотным потоком - чем выше входной код, тем выше частота единичных импульсов. Цифровые устройства ЧИМ строятся сложнее чем ШИМ, однако требования к ФНЧ для них гораздо ниже.

Цифровые потенциометры

Этот вид ЦАП отличается принципиальным отсутствием немонотонности. Строится очень легко. В основе лежит делитель Кельвина - множество подключенных последовательно сопротивлений. Подав на края полученной цепи опорное напряжение, на каждом сопротивлении упадет одинаковое количество напряжения, разделив весь диапазон от 0 до Uref на равные интервалы. Подключив после каждого резистора ключ к выходу и управляя дешифратором какой из них коммутировать, можно формировать требуемое напряжение на выходе.

Параллельный ЦАП
Параллельный ЦАП

Часто такие ЦАП используют как цифровые потенциометры.

ДОМАШНЕЕ ЗАДАНИЕ

Выполнение домашней работы предполагается в любой программе для моделирования работы электрических устройств, например, NI Multisim, Tina-TI или любые другие.

Реализовать в среде моделирования две архитектуры ЦАП на выбор. Сравнить с помощью осциллографа и других измерительных приборов результаты моделирования этих ЦАП выставляя различные номиналы и погрешности компонентов. Сделать выводы и оформить в отчет с визуальными материалами.

Основные источники информации

  • Как и положено для этой книги - все дается кратко и доступно. Есть легкие опечатки. Упоминаются достоинства и недостатки той или иной архитектуры. К изучению пособие хорошее, однако не претендует на полноту [В.Б. Топильский. Схемотехника аналого-цифровых преобразователей - глава 2]
  • Данный источник во многом повторяет предыдущий, но тут имеется разбор работы последовательно ЦАП [К.К. Недопекин. Сборник лекций по ПИ - лекция 4]
  • Еще одно дополнение к уже сказанному. Базовый материал повторяется, но есть ряд вопросов и решений не затронутых в других источниках [Уолт Лестер. Аналого-цифровое преобразование - параграф 3.1 с подпунктами]

Дополнительные источники информации

Есть хорошая книга, которая может пригодится на практике и является хорошим справочником по аналого-цифровой аппаратуре. [Волович Г.И. Схемотехника аналоговых и аналогово-цифровых электронных устройств] В данном источнике приводятся примеры современных ЦАП и их архитектуры, не приведенные в других источниках. Помимо ЦАП книга содержит множество другой полезной информации.