Добавить в корзинуПозвонить
Найти в Дзене

Портативная колонка для плейера или телефона на микросхеме tda2822m

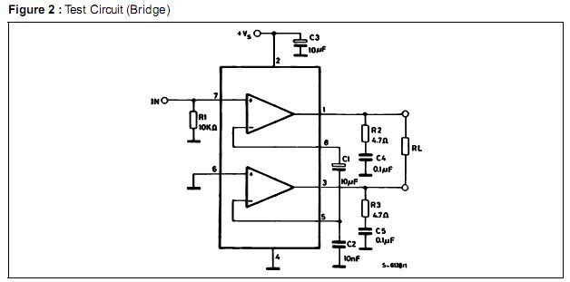
Всем кому недостаточно при воспроизведении громкости телефона или плейера я предлагаю собрать портативную колонку на микросхеме tda2822m. Подключается она с помощью кабеля со штекером Джек 3.5, я взял от наушников. Для таких целей можно взять даже полурабочие, главное чтобы работал один канал. Схема взята из Даташита, мостовое включение. Привожу рисунок печатной платы: Фото платы с деталями: На входе я поставил пленочный разделительный конденсатор ёмкостью 0.33 мкФ. На схеме его нет, на моей печатной плате он присутствует. Рекомендую ставить на входе именно пленочный конденсатор, а не керамику. Стоимость микросхемы всего 15 рублей. Она идет в Dip корпусе и имеет всего 8 ножек. Портативная колонка для плейера или телефона на микросхеме tda2822m Всем кому недостаточно при воспроизведении громкости телефона или плейера я предлагаю собрать портативную колонку на микросхеме tda2822m. Подключается она с помощью кабеля со штекером Джек 3.5, я взял от наушников. Для таких целей можно

Всем кому недостаточно при воспроизведении громкости телефона или плейера я предлагаю собрать портативную колонку на микросхеме tda2822m. Подключается она с помощью кабеля со штекером Джек 3.5, я взял от наушников. Для таких целей можно взять даже полурабочие, главное чтобы работал один канал. Схема взята из Даташита, мостовое включение.

Привожу рисунок печатной платы:

печатная плата
печатная плата

Фото платы с деталями:

-3

На входе я поставил пленочный разделительный конденсатор ёмкостью 0.33 мкФ. На схеме его нет, на моей печатной плате он присутствует. Рекомендую ставить на входе именно пленочный конденсатор, а не керамику. Стоимость микросхемы всего 15 рублей. Она идет в Dip корпусе и имеет всего 8 ножек.

-4

Портативная колонка для плейера или телефона на микросхеме tda2822m

Всем кому недостаточно при воспроизведении громкости телефона или плейера я предлагаю собрать портативную колонку на микросхеме tda2822m. Подключается она с помощью кабеля со штекером Джек 3.5, я взял от наушников. Для таких целей можно взять даже полурабочие, главное чтобы работал один канал. Схема взята из Даташита, мостовое включение.

-5

Привожу рисунок печатной платы:

Фото платы с деталями:

На входе я поставил пленочный разделительный конденсатор ёмкостью 0.33 мкФ. На схеме его нет, на моей печатной плате он присутствует. Рекомендую ставить на входе именно пленочный конденсатор, а не керамику. Стоимость микросхемы всего 15 рублей. Она идет в Dip корпусе и имеет всего 8 ножек.

-7

Её лучше не впаивать непосредственно, а впаять вот такую панельку, а микросхему потом воткнуть в эту панельку, когда монтаж будет закончен.

-8

Питается колонка от двух аккумуляторов 3.7 вольт взятых от сотовых телефонов. Я разработал схему коммутации тумблером, переключение режимов заряд - работа. При заряде аккумуляторы включаются параллельно, при работе последовательно.

-9

Заряжаются аккумуляторы от зарядки для сотового телефона. Заряжать нужно примерно часа полтора.

-10

Регулятор громкости я делать не стал, и регулировал громкость на плейере. Если возникнет надобность в отдельном регуляторе, можно поставить переменный резистор на 10-33 кОм. В таком случае его левый контакт это земля, правый соединен с сигнальной жилкой кабеля, а средний контакт нужно соединить с пленочным резистором на входе.

-11

Вот фото уже залуженной платы.

-12

Фото колонки в сборе

-13