Добавить в корзинуПозвонить
Найти в Дзене
FaultAn.ru

Моделирование фильтра частоты

В ранее опубликованной статье был представлен вариант расчёта частоты электрического сигнала по переходу через ноль. В данной статье приведён пример реализации фильтра частоты на основе данного алгоритма в Simulink. На рис. 1 представлена модель фильтра частоты электрического сигнала, реализованная в Simulink. Реализация этого фильтра приведена в файле calc_freq.mdl. На вход модели фильтра частоты подается мгновенное значение электрического сигнала. Протестируем полученный фильтр. Для этого будем использовать схему, представленную на рис. 2. В первый момент на вход фильтра частоты подаётся сигнал с частотой 50 Гц, с момента времени t = 0,4 с подаётся сигнал с частотой 48 Гц. На рис. 3 представлен результат работы фильтра частоты. Результаты демонстрируют правильность работы реализованного фильтра. Итак, мы смоделировали и протестировали фильтр частоты.

В ранее опубликованной статье был представлен вариант расчёта частоты электрического сигнала по переходу через ноль. В данной статье приведён пример реализации фильтра частоты на основе данного алгоритма в Simulink.

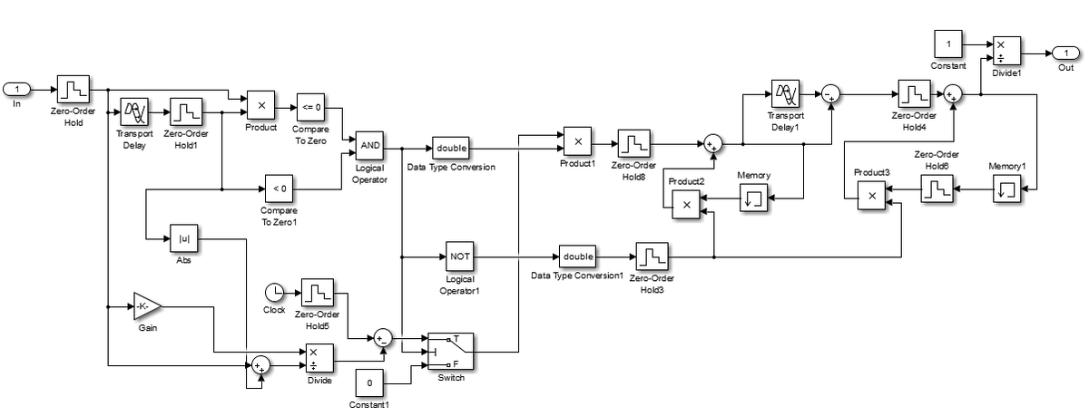
На рис. 1 представлена модель фильтра частоты электрического сигнала, реализованная в Simulink. Реализация этого фильтра приведена в файле calc_freq.mdl. На вход модели фильтра частоты подается мгновенное значение электрического сигнала.


Рис. 1 Реализация фильтра частоты по переходу через ноль в Simulink
Рис. 1 Реализация фильтра частоты по переходу через ноль в Simulink

Протестируем полученный фильтр. Для этого будем использовать схему, представленную на рис. 2.


Рис. 2 Схема для проверки работы фильтра частоты
Рис. 2 Схема для проверки работы фильтра частоты

В первый момент на вход фильтра частоты подаётся сигнал с частотой 50 Гц, с момента времени t = 0,4 с подаётся сигнал с частотой 48 Гц.

На рис. 3 представлен результат работы фильтра частоты. Результаты демонстрируют правильность работы реализованного фильтра.


Рис. 3 Исходный сигнал и результат расчёта частоты данного сигнала
Рис. 3 Исходный сигнал и результат расчёта частоты данного сигнала

Итак, мы смоделировали и протестировали фильтр частоты.