Добавить в корзинуПозвонить
Найти в Дзене
На грядках

Автоматизация в теплице. Блок управления (контроллер).

В прошлой статье я рассказал о том, как мы решили задачу выращивания хорошего урожая в теплице, в условиях ограниченного времени для ухода за растениями. Система автоматизации там представлена в виде черного ящика. Глядя на него было понятно что она делает, но не понятно как. В этой статье я открою этот ящик и расскажу, как у нас всё устроено. И так, что, да как На рисунке показана функциональная схема системы автоматизации нашей теплицы. В центре схемы расположен блок управления с сенсорным экраном. Интерфейс управления прост и понятен. Расставить в нужных местах "галки" и задать параметры. К блоку подключены датчики и исполнительные устройства. Управление ими происходит в зависимости от заданных настроек и информации с датчиков. Например, когда температура воздуха внутри теплицы станет равной указанной в настройках, то включаться актуаторы (линейные приводы) и фрамуги откроются. Контроллер управления В системе автоматизации теплицы используется блок управления на микроконтроллере
Оглавление

В прошлой статье я рассказал о том, как мы решили задачу выращивания хорошего урожая в теплице, в условиях ограниченного времени для ухода за растениями. Система автоматизации там представлена в виде черного ящика. Глядя на него было понятно что она делает, но не понятно как.

В этой статье я открою этот ящик и расскажу, как у нас всё устроено.

И так, что, да как

На рисунке показана функциональная схема системы автоматизации нашей теплицы.

В центре схемы расположен блок управления с сенсорным экраном. Интерфейс управления прост и понятен. Расставить в нужных местах "галки" и задать параметры.

К блоку подключены датчики и исполнительные устройства. Управление ими происходит в зависимости от заданных настроек и информации с датчиков. Например, когда температура воздуха внутри теплицы станет равной указанной в настройках, то включаться актуаторы (линейные приводы) и фрамуги откроются.

Контроллер управления

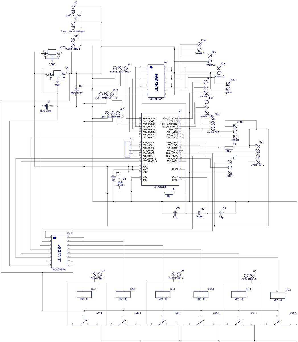
В системе автоматизации теплицы используется блок управления на микроконтроллере Atmega16. У него достаточно портов для подключения нужного количества датчиков, концевых выключателей и исполнительных механизмов.

Принципиальная схема контроллера
Принципиальная схема контроллера

Интерфейс управления сделан на сенсорном дисплее NEXTION 3.2 Enhanced (в последнем варианте экран 2.4 дюйма). Причина выбора расширенной версии дисплея в том, что у него есть часы реального времени. Это упрощает разработку приложения в части автоматического полива по графику.

Плата контроллера и сенсорный дисплей
Плата контроллера и сенсорный дисплей

Провода, идущие от блока питания, датчиков и исполнительных устройств подключаются к плате контроллера через винтовые клеммы.

Сам контроллер размещен в корпусе для установки на, так называемую, DIN рейку, которая есть в любом электрическом шкафчике. Это очень удобно при монтаже системы.

-4

Управление электромагнитными клапанами происходит через силовые ключи ULN2003A. На каждый клапан отводится два запараллеленных ключа. Ток потребления клапанов 250 мА.

Управление фрамугами происходит при подаче на актуаторы постоянного напряжения 24 вольта. Для изменения направления движения штока привода нужно поменять полярность напряжения. Ток подается через группы электромагнитных реле. Для каждого привода используется по две штуки. Блок реле управляется микроконтроллером также через силовые ключи.

Датчики температуры и влажности подключаются непосредственно к портам микроконтроллера.

Датчики влажности почвы можно не использовать, потому что они не участвуют в процессе автоматизации. Но если хочется просто мерить влажность почвы в том месте грядки где он воткнут в землю, то можно их подключить. Информация о влажности почвы выводиться в отдельном окне дисплея.

Сенсорный экран соединен с контроллером шлейфом через UART.

Ещё мы проводили тесты по подключению экрана к контроллеру по радиоканалу через модуль HC-11. Все уверенно работало на расстоянии в 40 метров, что на площади в 6 соток вполне достаточно. Но в конечном итоге решили, что мы не настолько ленивы, чтоб не дойти 15 метров до теплицы.

В следующей статье я написал как у нас устроен автоматический полив и автоматическое проветривание.