Найти в Дзене
Сергей Перепёлкин

Трансформатор

Что такое трансформатор? Как он работает и для чего он вообще нужен? Давайте разберемся... Слово «трансформатор» образуется от английского слова «transform» - преобразовывать, изменяться. Все помнят фильм «Трансформеры»? Там машинки легко преобразовывались в трансформеров и обратно. Но... трансформатор у нас не преобразовывается по внешнему виду. Он обладает еще более удивительным свойством - преобразовывает переменное напряжение одного значения в переменное напряжение другого значения! Это свойство трансформатора очень широко используется в радиоэлектронике и электротехнике. Трансформаторы бывают однофазные и трехфазные. Что это означает? Да все просто, есть ток, который течет по четырем проводам - три фазы и ноль - это и есть трехфазный электрический ток. А есть ток, который течет по двум проводам - фаза и ноль - это однофазный ток. Для того, чтобы из трехфазного сделать однофазный, достаточно взять один провод трехфазного и его другой провод - ноль. Однофазный электрический ток по

Что такое трансформатор? Как он работает и для чего он вообще нужен? Давайте разберемся...

Слово «трансформатор» образуется от английского слова «transform» - преобразовывать, изменяться. Все помнят фильм «Трансформеры»? Там машинки легко преобразовывались в трансформеров и обратно. Но... трансформатор у нас не преобразовывается по внешнему виду. Он обладает еще более удивительным свойством - преобразовывает переменное напряжение одного значения в переменное напряжение другого значения! Это свойство трансформатора очень широко используется в радиоэлектронике и электротехнике.

Трансформаторы бывают однофазные и трехфазные. Что это означает? Да все просто, есть ток, который течет по четырем проводам - три фазы и ноль - это и есть трехфазный электрический ток. А есть ток, который течет по двум проводам - фаза и ноль - это однофазный ток. Для того, чтобы из трехфазного сделать однофазный, достаточно взять один провод трехфазного и его другой провод - ноль. Однофазный электрический ток поступает в Ваши дома. В вашей розетке Переменный однофазный электрический ток 220 Вольт. Думаю, не будем сильно углубляться в подробности и рассмотрим в нашей статье однофазный трансформатор бытового назначения.

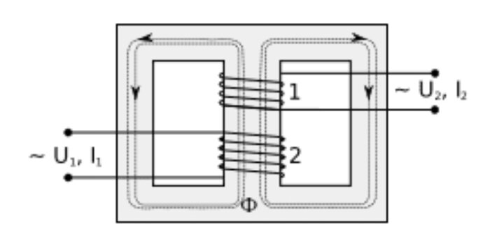
Рассмотрим вот такую картинку:

1 - первичная обмотка трансформатора, 2 - магнитопровод, 3 - вторичная обмотка трансформатора, Ф - направление магнитного потока, U1 - напряжение на первичной обмотке, U2 - напряжение на вторичной обмотке

На картинке показан самый обычный однофазный трансформатор. Давайте разберемся что у нас там накаверкано. 2 - это у нас магнитопровод. Он состоит из пластинок стали, по нему течет магнитный поток Ф (показано стрелками). Этот магнитный поток создается переменным напряжением, поданным на провод, намотанный на этот самый магнитопровод Ф. А снимается напряжение с провода, намотанного на другой стороне магнитопровода. Откуда берется напряжение во второй обмотке? Оно ведь никак не связано проводами? Все дело в магнитном потоке, который создает первичная обмотка. А вторичная обмотка его ловит и преобразовывает в переменное напряжение с такой же частотой.

Вот здесь точно такой же трансформатор, но в другом конструктивном виде:

-2

Такой конструктивный вид обладает такими плюсами, как малые габариты и удобство использования.

Так от чего же зависит напряжение, которое выдает нам трансформатор на вторичной обмотке? А зависит оно от витков, которые намотаны на первичной и вторичной обмотке! Вот она, вот она, формула моей мечты:

-3

где U2 - напряжение на вторичной обмотке, U1 - напряжение на первичной обмотке, N1 - количество витков первичной обмотки, N2 - количество витков вторичной обмотки, I1 - ток первичной обмотки, I2 - ток вторичной обмотки

В трансформаторе соблюдается закон сохранения энергии, то есть какая мощность в транс заходит, такая и выходит:

-4

Давайте рассмотрим трансформатор на практике. А вот и наш трансформатор:

Его первичная обмотка - это цифры 1,2. Вторичная обмотка - цифры 3,4. N1 - 2650 витков, N2 - 18 витков. Транс построен по упрощенной конструкции

Его внутренности выглядят вот так:

-5

Подключаем первичную обмотку транса к 220 Вольтам:

-6

Ставим крутилку на мультике на измерения переменного тока и замеряем напряжение на первичной обмотке (напряжение сети):

-7

Замеряем напряжение на вторичной обмотке:

-8

Настало время проверить наши формулы:

-9

1.54/224 = 0.006875 (коэффициент отношения напряжения)

18/2650 = 0.006792 (коэффициент отношения обмоток)

Сравниваем числа, погрешность вообще копейки! Формула работает, ура! Погрешность связана с потерями на нагрев обмоток транса и магнитопровода, а также погрешность измерения мультика. Насчет силы тока есть одно 

простое правило для транса

, понижая напряжение, повышаем силу тока и наоборот, повышая напряжение трансом, понижаем силу тока.

Трансформатор, преобразовывающий большее напряжение в меньшее, называется понижающим, а который преобразовывает меньшее напряжение в большее напряжение, называется повышающим.

 У понижающего трансформатора вторичная обмотка выполнена из провода больше диаметра, потому что по ней может течь сила тока при нагрузке малого сопротивления очень большая, так как мы преобразовали и ток заодно. Если провод во вторичной обмотке будет малого диаметра, то согласно Закону Джоуля-Ленца у нас он просто-напросто нагреется и спалит весь транс.

  • В заключении хотелось бы добавить, что некоторые электронщики мотают трансы сами. С помощью формулы транса, они могут получить напряжение какое захотят. Кто-то с нуля мотает транс, а кто-то переделывает под себя, добавляя обмотки или наоборот убирая лишние.