Найти в Дзене

Страж истинности | Сколько стоит чертеж и 3d модели детали в САПР

Независимо от того, пытаетесь ли вы спроектировать новый автомобиль, гаджет, экономящий время, или даже, беседку, навес вам, вероятно, потребуются услуги проектирования САПР (инженера-конструктора) для реализации этих проектов. Инженерное проектирование включает в себя создание технического чертежа, который предоставляет подробную информацию о том, как сделать деталь, продукт или изделие. Технические чертежи имеют решающее значение для предотвращения дорогостоящих ошибок и создания разумной «дорожной карты» для производственных компаний. Вам может понадобиться несколько разных видов, составленных для ясности, или более одной детали, если это большая и сложная часть оборудования. Чертёж уже старый, требуется восстановление поврежденных листов чертежей? Вам хочется что-то улучшить или есть замечательная идея модернизации, но к сожалению, нет чертежа реализовать все смелые идеи. У вас проблема сломалась деталь, и вы хотите ее изготовить, но нет чертежа. Практика показывает, что наиболее ч
Оглавление

Независимо от того, пытаетесь ли вы спроектировать новый автомобиль, гаджет, экономящий время, или даже, беседку, навес вам, вероятно, потребуются услуги проектирования САПР (инженера-конструктора) для реализации этих проектов. Инженерное проектирование включает в себя создание технического чертежа, который предоставляет подробную информацию о том, как сделать деталь, продукт или изделие.

Технические чертежи имеют решающее значение для предотвращения дорогостоящих ошибок и создания разумной «дорожной карты» для производственных компаний. Вам может понадобиться несколько разных видов, составленных для ясности, или более одной детали, если это большая и сложная часть оборудования.

Чертёж уже старый, требуется восстановление поврежденных листов чертежей? Вам хочется что-то улучшить или есть замечательная идея модернизации, но к сожалению, нет чертежа реализовать все смелые идеи. У вас проблема сломалась деталь, и вы хотите ее изготовить, но нет чертежа.

Практика показывает, что наиболее часто ломаются такие детали как: валы, оси, шкивы, втулки, вкладыши, звездочки, ступицы, тормозные барабаны, штоки, червячные пары, разнообразные фланцевые соединения, заглушки, пальцы, штуцерные соединения, стаканы, сухари, колпачки, муфты, сопла, шкивы различной формы, фитинги, фиксаторы, детали разнообразных механизмов, анкерные болты, резьбовые шпильки, зубчатые колеса, венцы, эксцентрики, сателлиты, вал-шестерни, конвейерные ролики, кулачки, детали штампов и прессформ, матрицы, пуансоны и т.п. Механические и производственные проектные компании все чаще сталкиваются с давлением маржи на детали для ремонта оборудования и высокими проектными затратами конструкторских бюро. Поэтому эти производственные фирмы ищут инновационные способы, с помощью которых они могут оптимизировать свои инженерные услуги по продукту и ремонту оборудования и эффективно удовлетворять требованиям конкурентного рынка.

Сколько стоит чертеж детали?
Сколько стоит чертеж детали?

Большинство компаний в эти дни используют опыт аутсорсинга инженеров консультантов для решения проблем фирм, чтобы обеспечить лучшее будущее для большего числа людей. Это действительно дает преимущества в реальном времени, такие как сокращение времени разработки продукта и затрат на разработку, более эффективное использование ресурсов, инновации продукта и лучшее понимание того, как получить конкурентное преимущество на рынке. С течением времени все модели аутсорсинга в области машиностроения стали более зрелыми, что помогло бизнесу еще больше. Как предполагаемый OEM (производитель оригинального оборудования), производственные потребности могут ускориться в любое время. В это время именно помощь правильного партнера по аутсорсингу помогает в удовлетворении таких производственных потребностей ценными услугами. Разработка чертежей на заказ предусматривает полное, подробное составление технической документации для производства различных деталей, оборудования, узлов, механизмов и изделий. Проектирование рабочих инженерных документов КД на заказ осуществляется на основании схем, эскизов, моделей, образцов или технического задания.

Разработка чертежей на заказ предусматривает полное, подробное составление технической документации для производства различных деталей, оборудования, узлов, механизмов и изделий.
Разработка чертежей на заказ предусматривает полное, подробное составление технической документации для производства различных деталей, оборудования, узлов, механизмов и изделий.

Стоимость чертежа и моделирования на заказ

Давайте разберемся, с одной стороны: клиент хочет узнать стоимость чертежа, а производству нужен чертеж чтобы посчитать стоимость изделия, которое будет создано из этого чертежа.

Пишу не просто так. Мне часто задают вопросы о стоимости чертежей когда хотят приобрести, и я не знаю, как ответить в двух словах. В общем, решил написать небольшую статью. Часто задают вопрос:

Сколько стоит чертеж в Компас 3D, Autocad, Autodesk Invertor, SolidWorks и т.д.?

Я считаю, что это не корректно. Это все равно что спросить:

Сколько стоит ваш кот в мешке?

Или спрашивать, сколько стоит автомобиль, не уточняя технические характеристики, комплектацию, опционные возможности доукомплектации, бренд, модель и год выпуска.

Ведь для каждого пользователя есть свои критерии оценки, например, для меня это:

- качество сборки;

- функциональность;

- стоимость;

Для кого-то:

- уникальный дизайн, эстетичность рестайлинговых изменений оценивается весьма субъективно;

- тип коробки передач;

- расположение руля.

В общем, эти критерии субъективны для каждого. И это не только в СНГ.

Нужно понимать, что для каждой детали или узла существует своя стоимость чертежа (или модели). Стоимость чертежа зависит от многих параметров, которые Вы должны знать, чтобы правильно оценить его стоимость, далее я расскажу вам подробнее из чего складывается ценность работ.

Например:

- их содержание, специфика отрасли и тип,

- объем работ,

- сложность,

- сроки,

-  и др.

На стоимость влияет уровень квалификации исполнителя.

Самые дешевые традиционно студенческие чертежи. После внедрения в учебные программы САПР количество умельцев, делающих на заказ графические работы увеличилось в несколько раз. На отдельных факультетах в вузах учебные чертежи под заказ не делают, а просто распечатывают из собранной базы. Задания-то преподаватели не особо часто обновляют. Вот ушлые студенты и пристроились делать бизнес — следовательно, стоимость некачественных чертежей значительно уменьшилась. О серьезном подходе здесь говорить не приходится. Работа поставлена на поток, главное чтобы выглядело убедительно.  Но при этом нужно быть готовым к тому, что в случае ошибки придется все переделывать.

Если чертеж нужен для производства, не стоит экономить на услугах, лучше заказать его в профильной организации у инженера конструктора с опытом.

Как правило, это будет дороже, но зато вы получите качественный результат – самый эффективный способ вложения средств.

Чем сложнее чертеж — тем больше он требует времени на выполнение.

Если же речь идет о чертеже реальной детали, то здесь и подход к оценке, и стоимость работы качественно другие, не путайте пожалуйста.

Поэтому очень важно на начальном этапе постараться спустить человека на Землю, а уже после этого переходить к обсуждению деталей. Одним словом, без основ психологии даже инженеру сегодня никуда. А то иногда приходят люди и начинают восклицать:

Сейчас пойду на улицу и мне этот чертеж любой студент за три копейки начертит.
Скатертью дорога!
Сейчас пойду на улицу и мне этот чертеж любой студент за три копейки начертит. Скатертью дорога!
Сейчас пойду на улицу и мне этот чертеж любой студент за три копейки начертит. Скатертью дорога!

Чертёж нельзя оценить по весу детали, по формату чертежа. Даже на одном формате листа могут быть изображены очень разные по объему информации изделия например втулка или корпус датчика.

Стоимость чертежа можно оценить по предварительному наброску, эскизу или фото похожей детали.

Тип чертежей.

В некоторых случаях одна проекция с соответствующим условным знаком, поставленным у размерного числа, дает полное представление о форме изображенного предмета. Если вы надеетесь изготовить сложный узел, вам может понадобится взрыв-схема, сборочный, монтажный, габаритный  чертеж с подробным описанием размещения каждого винта и заклепки и отдельным чертежом каждой изготавливаемой детали.

Квалифицированный инженер может сообщить вам, какой тип чертежей вам нужен, будь то 2D или 3D, сколько чертежей будет уместно и почему вам нужны именно эти типы чертежа.

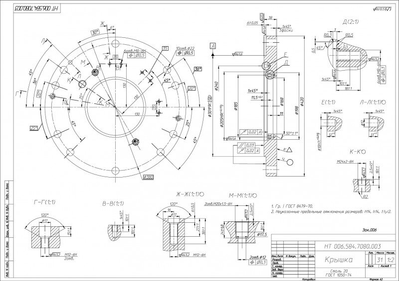
Чертеж детали — документ, содержащий изображение детали и другие данные, необходимые для ее изготовления и контроля

Сборочный чертеж — документ, содержащий изображение сборочной единицы и другие данные, необходимые для ее сборки (изготовления) и контроля. К сборочным чертежам также относят чертежи, по которым выполняют гидромонтаж и пневмомонтаж

Чертеж общего вида — документ, определяющий конструкцию изделия, взаимодействие его составных частей и поясняющий принцип работы изделия

Теоретический чертеж — документ, определяющий геометрическую форму (обводы) изделия и координаты расположения составных частей

Габаритный чертеж — документ, содержащий контурное (упрощенное) изображение изделия с габаритными, установочными и присоединительными размерами

Монтажный чертеж — документ, содержащий контурное (упрощенное) изображение изделия, а также данные, необходимые для его установки (монтажа) на месте применения. К монтажным чертежам также относят чертежи фундаментов, специально разрабатываемых для установки изделия

Упаковочный чертеж — документ, содержащий данные, необходимые для выполнения упаковывания изделия

Схема — документ, на котором показаны в виде условных изображений или обозначений составные части изделия и связи между ними

Спецификация — документ, определяющий состав сборочной единицы, комплекса или комплекта

Некоторые факторы могут увеличить стоимость проекта.

Несколько переменных, которые могут изменить стоимость

Плотность чертежа — количество графической информации размещенной на формат листа для чертежа.

Даже на одном формате листа могут быть изображены очень разные по объему информации изделия и вот вам пример для наглядности.

Даже на одном формате листа могут быть изображены очень разные по объему информации изделия и вот вам пример для наглядности.

Плотность заполнения сборочного чертежа. Всего обьектов 7222 на формате А3 297 x 420.
Плотность заполнения сборочного чертежа. Всего обьектов 7222 на формате А3 297 x 420.
Плотность заполнения чертежа детали. Всего обьектов 46 на формате А4 297 x 420
Плотность заполнения чертежа детали. Всего обьектов 46 на формате А4 297 x 420

Показатели точности детали, исходя из требований для обеспечения функционального назначения изделия.

Чем выше точность тем выше цена.

Показатели точности детали, исходя из требований для обеспечения функционального назначения изделия. Чем выше точность тем выше цена.

Чем выше точность размеров детали тем выше цена. Рекомендованная цена чертежа от 35 usd.
Чем выше точность размеров детали тем выше цена. Рекомендованная цена чертежа от 35 usd.

Точность является одним из важнейших показателей качества изделия. Под точностью обработки в машиностроении понимают степень соответствия геометрических параметров обработанной детали параметрам, заданным чертежом. Чтобы оценить степень точности обработки детали, необходимо установить точность размеров на чертеже, отклонение формы, отклонение расположения и шероховатость обработанной поверхности.

Чтобы оценить степень точности обработки детали, необходимо установить точность размеров на чертеже, отклонение формы, отклонение расположения и шероховатость обработанной поверхности.
Чтобы оценить степень точности обработки детали, необходимо установить точность размеров на чертеже, отклонение формы, отклонение расположения и шероховатость обработанной поверхности.

Применительно к деталей машин точность оценивается следующими показателями:

  • точность размеров;
  • точность формы поверхности;
  • точность взаимного расположения поверхностей;
  • шероховатость поверхности.

*Если чертеж делается по готовой детали методом замеров учитывается точность применяемого инструмента для замеров, габариты детали, количество сложных криволинейных поверхностей.

Технологичность конструкции изделия.

Конструктивно обеспечивать возможно меньшую трудоемкость изготовления детали на основании соответствия его основным требованиям к производственной, эксплуатационной и ремонтной технологичности.

Технологичность конструкции изделия. Конструктивно обеспечивать возможно меньшую трудоемкость.
Технологичность конструкции изделия. Конструктивно обеспечивать возможно меньшую трудоемкость.

Цена на чертёж - не равняется цене идеи, если ее нужно придумать и реализовать, и выполнить сопровождающие расчеты. Цена на любой чертеж измеряется временем на построение. Если заполнение чертежа ожидается очень насыщенным по плотности то цена будет расти прямо пропорционально.

Построение того или иной 3d модели, чертежа зависит от плотности графической информации, точности, технологичности детали и степени сложности моделирования детали для ассоциативного чертежа в САПР.

Процесс 3D моделирования детали Насадка боковая. Операция выдавливания по эскизу
Процесс 3D моделирования детали Насадка боковая. Операция выдавливания по эскизу
Процесс 3D моделирования детали Насадка боковая. Операция выдавливания по эскизу
Процесс 3D моделирования детали Насадка боковая. Операция выдавливания по эскизу
Процесс 3D моделирования детали Насадка боковая. Операция выдавливания по эскизу
Процесс 3D моделирования детали Насадка боковая. Операция выдавливания по эскизу
Процесс 3D моделирования детали Насадка боковая. Операция выдавливания по эскизу
Процесс 3D моделирования детали Насадка боковая. Операция выдавливания по эскизу
Процесс 3D моделирования детали Насадка боковая. Операция вырезать выдавливания по эскизу
Процесс 3D моделирования детали Насадка боковая. Операция вырезать выдавливания по эскизу
Процесс 3D моделирования детали Насадка боковая. Операция вырезать выдавливания по эскизу
Процесс 3D моделирования детали Насадка боковая. Операция вырезать выдавливания по эскизу
Процесс 3D моделирования детали Насадка боковая. Операция массив отверстия
Процесс 3D моделирования детали Насадка боковая. Операция массив отверстия
Процесс 3D моделирования детали Насадка боковая. Операция массив отверстия
Процесс 3D моделирования детали Насадка боковая. Операция массив отверстия
Процесс 3D моделирования детали Насадка боковая. Операция вырезать выдавливания по эскизу
Процесс 3D моделирования детали Насадка боковая. Операция вырезать выдавливания по эскизу
-18
Процесс 3D моделирования детали Насадка боковая. Операция вырезать выдавливания по эскизу
Процесс 3D моделирования детали Насадка боковая. Операция вырезать выдавливания по эскизу
Процесс 3D моделирования детали Насадка боковая. Операция отверстие библиотеки эллементов
Процесс 3D моделирования детали Насадка боковая. Операция отверстие библиотеки эллементов
Ассоциативный чертеж в Компас 3D по модели Рекомендованная цена чертежа от 35 usd.
Ассоциативный чертеж в Компас 3D по модели Рекомендованная цена чертежа от 35 usd.

Во время проекта все меняется. Вы понимаете, что в вашем продукте есть фундаментальный недостаток, или что большая экономия средств без ущерба для безопасности, правки чертежей по инициативе заказчика оплачиваются отдельно. Хотя некоторые инженеры-конструкторы предлагают одно бесплатное исправление, многие другие взимают плату за исправление. При поиске инженера для работы над вашим проектом вы можете спросить об исправлениях и о том, сколько вам будет стоить их выполнение, но обычно цена соразмерна масштабу изменений и затрачиваемым силам. Вы также можете спросить, доступно ли бесплатное исправление только в том случае, если это ошибка инженера, или бесплатное исправление доступно в любом случае. Задавая эти вопросы, вы можете помочь заранее уточнить, чего ожидать, и вы не удивитесь, если получите более высокий счет.

Каждый раз, когда кто-то спрашивает меня, сколько вы бы взяли с меня за моделирование этой вещи ... Проблема в том, что когда вы хотите что-то спроектировать, процесс начнется только с потрясающего вида рисунка который у вас имеется или эскиза. Это долгий процесс между этим и конечным продуктом. Иногда есть что-то, что может быть построено прямо из эскиза, и это правда, что вы могли бы заставить его выглядеть так же ... но работает ли это? Как долго это продлится в рабочих условиях? Ваш дизайн эффективен? Лишь немногие осознают объем работы, вложенной в процесс разработки, и все что сделано для обеспечения правильной работы.

Например, перевод в электронный вид ветхой документации на токарный станок составит одну цену, а проектирование какого-либо станочного приспособления, расчет привода винтового конвейера – совсем другую трудоемкость, сложность и, соответственно, стоимость.

Программное обеспечение в котором выполняется чертеж, стандарт и язык.

Хотя это сложнее оценить, стоимость необходимого программного обеспечения иногда может вызывать колебания цены продукта. Для различных проектов могут потребоваться различные типы программного обеспечения САПР, и некоторые из этих программ могут быть очень дорогими.

  • SolidWorks 2020 SP5.0 Full Premium
  • КОМПАС-3D 20.0.0
  • Autodesk Inventor Pro 2022
  • Mechanical AutoCAD 2022

Часто заказчик настаивает чтобы чертёж был выполнен именно в программе и версии выпуска которая установлена у него, это затратно сами подумайте каково это устанавливать отдельное программное обеспечение и версию выпуска на каждый заказ отдельно под требования. Преобразование файлов является неотъемлемой частью проектирования САПР.

Если для вашего проекта требуется более дорогое программное обеспечение, вы можете ожидать, что цена будет немного выше, чтобы учесть стоимость лицензии программного обеспечения.

КОМПАС-3D имеет достаточно развитые возможности импорта/экспорта данных трехмерных моделей  в нейтральные (промежуточные) форматы файлов, которые откроет любая САПР любой версии: STEP AP203), AP214 (*.stp), (*.step), IGES (*.igs), (*.iges), STL (*.stl), VRML (*.wrl), AutoCAD (*.dwg), (*.dxf).

Следуя цели недвусмысленной коммуникации, инженерные чертежи часто делаются профессионально и должны соответствовать определенным национальным и международным стандартам, перечислю основных девять ISO, ASME, BS, DIN, JIS, TIS, AS, GOST | ГОСТ (ЕСКД), GB.

Перевод конструкторских документов на другой язык может понадобиться в случае отправки работы в другую страну.

Ответственность.

Работа инженера заключается в том, чтобы воплотить идею или решение в реальность через САПР и убедиться, что оно работает наилучшим образом, оптимизировать использование материалов для минимизации отходов, сделать их технологичными и сократить расходы без ущерба для какой-либо функции. Цена отдельного инженера конструктора также будет варьироваться в зависимости от их местоположения, опыта и образования.

Инженеры механики САПР  несут большую ответственность, им приходится выполнять высокотехнологичную работу, и в то же время им приходится доставлять совершенные чертежи, каждый раз, когда нет места ошибкам (за пределами допустимых значений). Потому что, когда ошибки происходят в процессе производства, они могут быть очень дорогими. Представьте, какой ущерб будет нанесен, если какие-либо конструктивные элементы моста выйдут из строя? Сколько человек может получить травму? При проектировании качество и надежность стоят золота. Каждый инженер, работающий над инженерным проектом, должен предвидеть потенциальные проблемы, возникающие в результате их проектирования в рабочих условиях.

При проектировании качество и надежность стоят золота. Рекомендованная цена комплекта документов от 450 usd.
При проектировании качество и надежность стоят золота. Рекомендованная цена комплекта документов от 450 usd.

Вы тратите больше денег, чтобы получить более качественную работу. Разница в цене должна отражать объем работ, связанных с построением чертежа.

Регион проживания и расходы связанные с этим.

Цена чертежа зависит от места, в котором его выполняют, так как это влияет на личные затраты составителей для проекта.
Цена чертежа зависит от места, в котором его выполняют, так как это влияет на личные затраты составителей для проекта.

Если вы находитесь на рынке машиностроения и ищете активы хорошего качества, вы должны иметь базовые знания о компонентах ценообразования. Если озвучивать стартовые позиции - затраты на механическое черчение часто устанавливаются в зависимости от количества рабочих часов, внештатные составители инженеры механики САПР в разных регионах имеют почасовую оплату от 10 до 50 $ долл. США в час, и это вопрос оценки таких факторов как объем и сложность реализации идеи, сроков изготовления, размер листа, плотность графической информации и степени сложности чертежа,  от вида проекций (2D, 3D), личные затраты составителей для проекта, удаленность от крупных промышленных центров, а также от опыта проектирования и степени подготовленности конструктора к работе в автоматизированной среде программного обеспечения.

Большие листы можно быстро создать, если детали простые, а создание небольшой детали со сложной геометрией может занять больше времени.
Большие листы можно быстро создать, если детали простые, а создание небольшой детали со сложной геометрией может занять больше времени.

Таким образом, цена разработки рассчитывается индивидуально. Неквалифицированный инженер не может создавать высококачественные чертежи даже при использовании самого дорогого программного обеспечения и компьютера, но знающие конструкторы могут использовать доступное (возможно, даже бесплатное) программное обеспечение в полной мере, все же получают лучший результат.

Если на одного листа уходит в среднем около 2 часов, каждый из них будет стоить в среднем 25 долларов, то есть приблизительная оценка цены за лист, которую вы получите по механическим чертежам. Но это не всегда так просто. Чем больше информации вы предоставите, тем проще будет процесс. Что еще более важно, предоставление подробного технического задания исключает возможность платить за переделку работы.

Плотность графической информации и степень сложности на примере чертежа формата А4 Рекомендованная цена чертежа от 10 usd, 17 usd, 25 usd
Плотность графической информации и степень сложности на примере чертежа формата А4 Рекомендованная цена чертежа от 10 usd, 17 usd, 25 usd

У меня нет единой структуры ставок, если мы не договариваемся о почасовой ставке и не выставляю счет за время и материалы.

Всегда работаю в качестве надежного партнера и не сосредотачиваюсь исключительно на получении собственной выгоды, ставя под угрозу цели партнерской компании. Мои предложения основаны главным образом на запатентованной формуле, которая учитывает объем и детали проекта, сколько потребуется для работы над проектом, а также любые риски или опасности, которые могут быть связаны с этим типом работ.

Срок изготовления – срочные заказы традиционно стоят дороже
Срок изготовления – срочные заказы традиционно стоят дороже

Срок изготовления чертежа и модели.

Cрочные заказы традиционно стоят дороже, хотя, стоит учитывать и общую загруженность исполнителя. Срочно сделать чертеж обычно означает платить больше денег за него, особенно если вы хотите поддерживать высокий стандарт качества. На цену может влиять не только стоимость самого товара, но и дополнительное качество, прилагаемое к нему. Например, готовность доработать чертеж, чертеж может быть сохранен в нескольких форматах файлов, так что большее количество разновидностей уменьшает вероятность несовместимости с вашим программным обеспечением.

Всегда работаю в качестве надежного партнера и не сосредотачиваюсь исключительно на получении собственной выгоды, ставя под угрозу цели партнерской компании.
Всегда работаю в качестве надежного партнера и не сосредотачиваюсь исключительно на получении собственной выгоды, ставя под угрозу цели партнерской компании.

«Качество имеет свою цену» - все еще звучит правдоподобно сегодня. Выполнение чертежей САПР имеет такую ​​большую ценность, когда оно выполняется квалифицированным и опытным инженером, обладающим достаточными знаниями, тот, который сработал в проекте, похожем на ваш, знает, что вам нужно, и даже иногда, что вы можете улучшить. Менее опытным, возможно, придется пересмотреть учебники и пройти через процесс проб и ошибок, прежде чем они смогут произвести «приемлемые» для изготовления чертежи.

Сборочный чертеж Колесо рабочее Рекомендованная цена комплекта конструкторской документации от 400 usd.
Сборочный чертеж Колесо рабочее Рекомендованная цена комплекта конструкторской документации от 400 usd.
Чертеж детали Гильза Рекомендованная цена чертежа от 50 usd.
Чертеж детали Гильза Рекомендованная цена чертежа от 50 usd.
Чертеж детали Кожух выключателя. Рекомендованная цена чертежа от 35 usd.
Чертеж детали Кожух выключателя. Рекомендованная цена чертежа от 35 usd.
Чертеж детали Патрубок. Рекомендованная цена чертежа от 80 usd.
Чертеж детали Патрубок. Рекомендованная цена чертежа от 80 usd.
Корпус чертеж Рекомендованная цена чертежа от 350 usd.
Корпус чертеж Рекомендованная цена чертежа от 350 usd.

Больше примеров чертежей вы можете посмотреть в Яндекс Коллекциях.

Если у вас нет постоянного потока проектов, чтобы занять инженера, найм инженера с частной практикой только тогда, когда он вам нужен, избавит вас от выплаты зарплаты во время простоя.

Когда есть крайний срок, который вам нужно соблюдать, вы действительно не должны идти на риск, и найм более быстрого (более дорогого) индустриального дизайнера, который наверняка уложится в ваш крайний срок, может быть единственным вариантом, который у вас есть.

Общение с референсами и отзывами может помочь вам узнать вещи, которые не очевидны только из уровня навыков. Вы можете спросить, был ли проект завершен вовремя или раньше, был ли инженер вежлив и профессионален, и быстро ли они отвечал на возникшие ситуации.

Когда вы нанимаете конструктора для ваших контрактных проектов, вы нанимаете опытного и креативного инженера-механика в стране. Хорошие вещи всегда возвращаются тем, кто их дает. Я выполняю работу на высшем уровне и обладаю огромным опытом в большинстве аспектов механического проектирования, проектирования и разработки продукции, автоматизации и робототехнических систем, а также механического машиностроения. Являюсь ведущими профессионалом в своей области, стремлюсь предложить решения, которые улучшат процессы и помогут фирмам быстрее выйти на рынок, цены на чертеж соизмеримы с уровнем квалификации.

Вы не хотите получать плохо обработанную работу, а затем снова и снова вносить в нее изменения, пока она не станет идеальной. Хотя большинство разработчиков исправит любые ошибки, которые они сделали бесплатно, но время уже будет потеряно. Разве вы не согласны с тем, что нам, инженерам, нужно больше отдавать должное за создание и работу, а также за все знания, которые мы вкладываем в каждый проект?

Оставляйте в комментариях свои варианты цен и факторов, на них влияющих. Понравился материал? Буду благодарен за репосты.

Нужно узнать стоимость чертежей, предлагаю обратиться к опытному инженеру Павлу Самуте, чтобы узнать стоимость и время изготовления чертежа. Готов помочь вам в решении технических задач и предоставить профессиональную консультацию.

-33

Об авторе
Павел Самута. Инженер-конструктор, предприниматель, но прежде всего — практик, который любит и умеет говорить с инженерами на их языке. С 2007 года я не только разрабатываю чертежи, но и активно веду диалог в самых разных уголках Рунета: делюсь кейсами в
LiveJournal, отвечаю на вопросы на Habr Q&A, участвую в дискуссиях на форумах. Этот блог — продолжение того же принципа: здесь мы не просто читаем, а совместно разбираем вызовы современного инжиниринга, производства и управления.

Кредо: Самые ценные решения рождаются в столкновении мнений. Не бойтесь ставить под сомнение устоявшееся. Чтобы собрать нечто по-настоящему новое, нужно иметь смелость разобрать старое. Присоединяйтесь к дискуссии.

Где идет живой разговор: