Найти в Дзене
Alex Kar

Бесконтактный терморегулятор для стабилизации температуры нагревателя мощностью до 500 вт

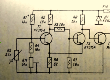
Терморегулятор, схема которого изображена на рис. предназначен для поддержания постоянной температуры воздуха в помещении, воды в сосудах, в термостатах, а также растворов. К нему можно подключать нагреватель мощностью до 500 Вт. Терморегулятор состоит из порогового устройства (на транзисторе Т1 и Т2), электронного реле (на транзисторе ТЗ и тиристоре Д10) и блока питания. Датчиком температуры служит терморезистор R5, включенный в цепь подачи напряжения На базу транзистора Т1 порогового устройства. Если окружающая среда имеет необходимую температуру, транзистор Т1 порогового устройства закрыт, а Т2 открыт. Транзистор ТЗ и тиристор Д10 электронного реле в этом случае закрыты, и напряжение сети не поступает на нагреватель. При понижении температуры среды сопротив- -ление терморезистора увеличивается, в результате чего напряжение на базе транзистора Т1 повышается. Когда оно достигает порога срабатывания устройства, транзистор Т1 откроется, а Т2 — закроется. Это при ведет к открыванию транз

Терморегулятор, схема которого изображена на рис. предназначен для поддержания постоянной температуры воздуха в помещении, воды в сосудах, в термостатах, а также растворов. К нему можно подключать нагреватель мощностью до 500 Вт. Терморегулятор состоит из порогового устройства (на транзисторе Т1 и Т2), электронного реле (на транзисторе ТЗ и тиристоре Д10) и блока питания. Датчиком температуры служит терморезистор R5, включенный в цепь подачи напряжения На базу транзистора Т1 порогового устройства.

Если окружающая среда имеет необходимую температуру, транзистор Т1 порогового устройства закрыт, а Т2 открыт. Транзистор ТЗ и тиристор Д10 электронного реле в этом случае закрыты, и напряжение сети не поступает на нагреватель. При понижении температуры среды сопротив- -ление терморезистора увеличивается, в результате чего напряжение на базе транзистора Т1 повышается. Когда оно достигает порога срабатывания устройства, транзистор Т1 откроется, а Т2 — закроется. Это при ведет к открыванию транзистора ТЗ. Напряжение, возникающее на резисторе R9, приложено между катодом и управляющим электродом тиристора Д10 и будет достаточно для открывания его. Напряжение сети через тиристор и диоды Д6—Д9 поступит на нагреватель.

Когда температура среды достигнет необходимой величины, терморе- -гулятор отключит напряжение от нагревателя. Переменный резистор R11 служит для установки пределов поддерживаемой температуры. В терморегуляторе применен терморезистор ММТ-4. Трансформатор Тр1 выполнен на сердечнике Ш 12X25. Обмотка I содержит 8000 витков провода ПЭВ-1 0,1, обмотка II — 170 витков провода ПЭВ-1 0,4.

-2

Ещё одна схема тиристорного регулятора напряжения для питания электрического паяльника о сети переменного тока напряжением 36 вольт. Простой тиристорный регулятор напряжения для питания электрического паяльника от сети переменного тока напряжением 36 В.

Принципиальная электрическая схема тиристорного регулятора представляет собой схему с фазовым управлением в течение одного полупериода посредством изменения величины сопротивления R2. Сопротивление R2 предназначено и для регулирования температуры нагрева электропаяльника в заданном диапазоне. Тиристорный регулятор позволяет значительно уменьшить габариты устройства, снизить его стоимость и сократить потери электроэнергии по сравнению с понижающим трансформатором.

Основные технические данные:

Питание от сети переменного тока напряжением 36 В

Мощность электропаяльника ......................................100 вт

Предел регулирования напряжения .........................24--36 В

Максимальные габариты устройства........................50Х50Х35 мм

-3

В любительских условиях, приходится использовать электропаяльник на 220! В, при этом тиристорный регулятор напряжения можно легко переделать на 220 В, заменив сопротивление резистора R1 на 30 кОм, диод Д1 — на Д-7 Ж, Д- 226 Б в качестве тиристора Д2 применить КУ 101 Б, а переменный резистор R2 типа ПП-3 заменить на переменный резистор типа СПО или СП-1.

Регулятор можно смонтировать в корпусе штепсельной розетки, а ручку резистора R2 вывести на боковую поверхность розетки.

-4