Найти в Дзене

21 век и где крутой Гитарный Дисторшн и фуз и где новые идеи на конкурс схем distortion и fuzz

конкурс на лучшую схему гитарного distortion
читатели должны разработать схемы звучащие значительно лучше канонической на сигналах реальных гитар (wav файлы есть).

Приветствую коллеги!

Обращаюсь к ведущим и авторам каналов посвященных домашней сборке радио-электронных устройств.

Не заинтересует ли вас такая идея для вашего Дзен канала - провести конкурс на лучшую схему гитарного distortion

- то есть читатели должны разработать схемы звучащие значительно лучше канонической на сигналах реальных гитар (wav файлы есть).

Призовой фонд можно попробовать надонатить а может энтузиастов и так будет много...

Старожилы с 1980-х г.г. помнят начало электро-гитарного рока в СССР.

Удивительно, но аналоговые схемы с тех пор практически не изменились...(другое дело DSP)

Тем не менее до сих пор делаются клоны и похожие модификации - они есть у 100% рок гитаристов, а чаще по 2-3 штуки от разных изготовителей. На ютубе полно обзоров все новых и новых и все они на той же старой схеме базируются...

за 40 лет ничего не придумали нового, а может попробуете конкурс на лучшую схему провести?

от себя могу подготовить обзор схемотехники гитарных distortion с 80-х в том числе по USA патентам до 2020 и сделать ключевые схемы в системе моделирования - тем более сейчас есть 100% официально бесплатные и open-source моделирующие системы, никаких торентов, cracks, ничего пиратить искать не надо! Все есть в ОФИЦИАЛЬНО бесплатном доступе.

Серьезные разработчики аналоговых схем, не владеющие конкретной тематикой гитарных примочек смогли бы мгновенно войти курс дела, покрутить готовые схемы не тратя время на пайку и настройку, и попробовать создать (смоделировать, паять не надо) что-то свое новое и поучаствовать в конкурсе.

Пояснение про актуальность именно аналоговых диодно-транзисторно-операционики схемотехники для гитарных примочек.

За последние 4-5 лет эта тематика полностью убита цифровыми процессорами обработки гитарных сигналов

Качество звука ЦОС или DSP стало намного лучше аналоговой схемы 40-летней давности

Но одновременно это исключило из творческого процесса разработки таких интересных схем десятки тысяч радиолюбителей

так как в домашних условиях одному человеку разработать схему АЦП-DSP-ЦАП, сделать высокоточную многослойную печатную плату и самое главное еще и запрограммировать и отладить код чипа DSP нереально, лишком высок порог вхождения, надо быть и схемотехником, и программистом и знатоком дискретной математики и алгоритмов ЦОС.

С другой сторон разработка и изготовление аналоговой схемы даже весьма сложной на операционниках не представляет серьезной проблемы для среднего радиолюбителя. Такой конкурс был бы последним шансом в 21 веке восстать из небытия целому направлению amateur electronics и радиолюбительства.

Дмитрий

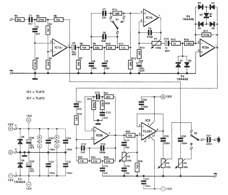
https://avatars.mds.yandex.net/get-zen_pictures/2032820/692219664-1583225826795/orig   - моя схема
https://avatars.mds.yandex.net/get-zen_pictures/2032820/692219664-1583225826795/orig - моя схема
https://avatars.mds.yandex.net/get-zen_pictures/1992283/692219664-1583307976817/orig   мои педали
https://avatars.mds.yandex.net/get-zen_pictures/1992283/692219664-1583307976817/orig мои педали
https://avatars.mds.yandex.net/get-zen_pictures/1997131/692219664-1583317363850/orig  моя печатная плата
https://avatars.mds.yandex.net/get-zen_pictures/1997131/692219664-1583317363850/orig моя печатная плата