Добавить в корзинуПозвонить
Найти в Дзене

Дозирование по схеме "дозатор вокруг насоса"

Схема дозирования пенообразователя "вокруг насоса" похожа на дозирование эжектором и разработана для исключения основного недостатка предшественника - больших гидравлических потерь. Согласно классификации систем дозирования, этот способ имеет номер 1.2.1.2.2. Польза Рассказываю об еще одном способе дозирования пенообразователя.  Впрочем эта информация  нужна больше для общего развития и понимания принципов работы некоторых существующих установок, чем для проектирования, поскольку недостатков схемы "дозатор вокруг насоса" сильно больше чем преимуществ. В результате в современных системах пенного пожаротушения схема "дозатор вокруг насоса" не встречается. Состав и принцип работы В систему дозирования пенообразователя входят: Чтобы лучше понять принцип работы, нужно рассматривать схему установки в целом. Схема "дозатор вокруг насоса" чаще всего использовалась в советской пожарной технике. Схема "дозатор вокруг насоса" в передвижной пожарной технике Чтобы исключить потери напора из-за э
Оглавление

Схема дозирования пенообразователя "вокруг насоса" похожа на дозирование эжектором и разработана для исключения основного недостатка предшественника - больших гидравлических потерь. Согласно классификации систем дозирования, этот способ имеет номер 1.2.1.2.2.

Польза

Рассказываю об еще одном способе дозирования пенообразователя.  Впрочем эта информация  нужна больше для общего развития и понимания принципов работы некоторых существующих установок, чем для проектирования, поскольку недостатков схемы "дозатор вокруг насоса" сильно больше чем преимуществ. В результате в современных системах пенного пожаротушения схема "дозатор вокруг насоса" не встречается.

Состав и принцип работы

В систему дозирования пенообразователя входят:

  • эжектор;
  • емкость с пенообразователем;
  • насос для воды;
  • устройство для изменения потока пенообразователя;
  • трубопровод с запорной арматурой.

Чтобы лучше понять принцип работы, нужно рассматривать схему установки в целом.

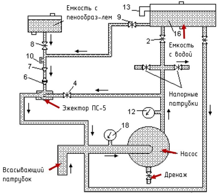
Схема "дозатор вокруг насоса" чаще всего использовалась в советской пожарной технике.

Схема "дозатор вокруг насоса" в передвижной пожарной технике

Система дозирования пожарного автомобиля через пеносмеситель ПС-5. Дозатор вокруг насоса
Система дозирования пожарного автомобиля через пеносмеситель ПС-5. Дозатор вокруг насоса

Чтобы исключить потери напора из-за эжектора, нельзя ставить его на напорную линию. Эжектор предусматривают на обводной линии между напорным и всасывающим патрубками насоса. На моей схеме довольно много элементов для эксплуатации, которые затрудняют понимание принципа работы. Поэтому я приведу еще одну схему, несколько упрощенную.

Упрощенная схема "дозатор вокруг насоса"
Упрощенная схема "дозатор вокруг насоса"

Ключевой элемент в системе – пеносмеситель ПС-5. Рассмотрим его подробнее.

Основные элементы пеносмесителя ПС-5
Основные элементы пеносмесителя ПС-5

Устройство регулирования потока - это по сути кран в котором несколько отверстий разного диаметра. Каждое отверстие рассчитано на работу целого числа генераторов пены ГПС-600 с 6%-ным пенообразователем (есть модификации для работы с 3%-ным). Вентиль сблокирован со стрелкой, которая показывает на соответствующей шкале количество ГПС.

Преимущества

В эжекторе нет движущихся или трущихся деталей. Поэтому он не изнашивается, не требует технического обслуживания, имеет огромный срок эксплуатации. Низкая стоимость.

Недостатки

Поскольку часть раствора пенообразователя проходит через обводную линию, то точно просчитать параметры системы крайне сложно. Как и для любого эжектора, дозирование крайне зависит от давления на входе и расхода. Поэтому установка в целом очень капризная и настроить точное дозирование крайне сложно.

Для работы установки необходима насосная установка в непосредственной близости от пеносмесителя.

Схема "дозатор вокруг насоса" в стационарных установках пожаротушения

Конечно, же столь простое и дешевое изделие применялось и в стационарных системах дозирования.

Система дозирования производства НПО "СОПОТ"

НПО "СОПОТ" производит автономные пожарные модули. Давайте заглянем в один из них (чертежи из руководства по эксплуатации):

Судя по всему, НПО "СОПОТ" не смущают проблемы схемы "дозатор вокруг насоса", что от них отказались ЗАО "ПО "Спецавтоматика" (об этом далее), да и в современных пожарных машинах уже ставят электронные системы дозирования. Не утверждаю, что установка СОПОТ не выдерживает заданного процента дозирования -  я лично не присутствовал на испытаниях и не располагаю протоколами. Однако, проектировщикам и потребителям я рекомендую прописывать в договор подтверждение на испытаниях проектных параметров во всех возможных режимах работы установки.

Изделия производства ЗАО "ПО "Спецавтоматика"

До недавнего времени системы "дозатор вокруг насоса" производились в Бийске.

Производитель пытался решить недостатки, добавлял дополнительные устройства: вместо крана с отверстиями как на ПС-5 добавили трубу Вентури с регулятором расхода. Но, в итоге, эту систему дозирования сняли с производства. Почему, если она была дешевой - вы теперь понимаете.

Паспорт на систему на официальном сайте не найти, но для любопытных я его отыскал. Не буду подробно описывать принцип работы, желающие прочтут в паспорте, но приведу схему:

PS

Если вы эксплуатируете установки дозирования по схеме "дозатор вокруг насоса" и хотите поделиться впечатления, проблемами и плюсами - пишите на почту blog@firemarshal.ru.