Найти в Дзене
Alex Kar

Малогабаритный чувствительный электронный металлоискатель с кварцем

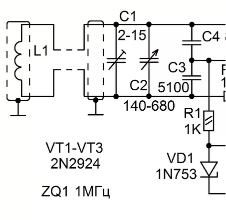
Металлоискатели на биениях оказываются малочувствительными при поисках металлов со слабыми ферромагнитными свойствами, таких, как, например, медь, олово, серебро. Повысить чувствительность металлоискателей этого типа невозможно, поскольку разность частот биения малозаметна при обычных методах индикации. Значительный эффект дает применение кварцованных металлоискателей. Электронный искатель, принципиальная схема которого приведена на рис. состоит из измерительного генератора, собранного на транзисторе Т 1, и буферного каскада — эмиттерного повторителя, собранного на транзисторе Т 2, разделенных кварцем Кв 1 от индикаторного устройства — детектора на диоде Д 2 с усилителем постоянного тока на транзисторе ТЗ. Нагрузкой УПТ служит стрелочный прибор с током полного отклонения 1 мА. Вследствие высокой добротности кварца малейшие изменения частоты измерительного генератора будут приводить к уменьшению полного сопротивления последнего, как это видно из характеристики, приведенной на рис. это

Металлоискатели на биениях оказываются малочувствительными при поисках металлов со слабыми ферромагнитными свойствами, таких, как, например, медь, олово, серебро. Повысить чувствительность металлоискателей этого типа невозможно, поскольку разность частот биения малозаметна при обычных методах индикации. Значительный эффект дает применение кварцованных металлоискателей. Электронный искатель, принципиальная схема которого приведена на рис. состоит из измерительного генератора, собранного на транзисторе Т 1, и буферного каскада — эмиттерного повторителя, собранного на транзисторе Т 2, разделенных кварцем Кв 1 от индикаторного устройства — детектора на диоде Д 2 с усилителем постоянного тока на транзисторе ТЗ. Нагрузкой УПТ служит стрелочный прибор с током полного отклонения 1 мА. Вследствие высокой добротности кварца малейшие изменения частоты измерительного генератора будут приводить к уменьшению полного сопротивления последнего, как это видно из характеристики, приведенной на рис. это в конечном итоге повысит чувствительность и точность отсчета. Подготовка к поиску заключается в настройке генератора на частоту параллельного резонанса кварца, равную 1 МГц. Эта настройка производится конденсаторами переменной емкости С 2 (грубо) и подстроечным конденсатором С 1 (точно) при отсутствии около рамки металлических предметов. Поскольку кварц является элементом связи между измерительной и индикаторной частями устройства, его сопротивление в момент резонанса велико и минимальное показание стрелочного прибора свидетельствует о точной настройке устройства, его сопротивление в момент резонанса велико и минимальное показание стрелочного прибора свидетельствует о точной настройке устройства. В остальном работа с прибором не отличается от таковой с металлоискателями на биениях. Уровень чувствительности регулируется переменным резистором R 8.

-2

Особенностью устройства является кольцевая рамка L1, изготовленная из отрезка кабеля. Центральную жилу кабеля удаляют и вместо нее продергивают шесть витков провода типа ПЭЛ 0,1-0,2 длиной 700 см.

-3

Конструкция рамки и порядок выводов показана на рис. Такая рамка обладает хорошим электростатическим экраном. Жесткость конструкции рамки обеспечивается размещением ее между двумя дисками из оргстекла или гетинакса диаметром 400 мм и толщиной 5—7 мм. В приборе использованы транзисторы 2N 2924, кремниевый опорный диод 1 N 753, детекторный диод типа 1 N4001 с любым буквенным индексом можно заменить отечественным Д 9 с любым буквенным индексом. Частота кварца может быть в интервале частот от 90 кГц до 1,1 МГц. Кабель РК-50.

Примечание. Чтобы в отрезки кабеля протянуть 6 витков провода, необходимо взять рыбацкую леску диаметром 0,25 мм и произвести намотку, как указано выше, смазать клеем БФ-2, а затем продернуть в середину кабеля, используя леску как иглу.

-4

Импортные транзисторы 2N 2924 можно заменить отечественными транзисторами КТ 315Б, стабилитрон (опорный диод 1N 753) можно заменить отечественным 2 С 156А.

Спасибо за внимание, подписывайтесь, ставьте лайки, буду благодарен!