Найти в Дзене

Моя небольшая коллекция радиоаппаратуры в стиле "ретро". Радиоприемник "VEF - 202".

Есть у меня несколько экземпляров радиоаппаратуры советских времен, которые выкинуть или разобрать на запчасти рука не поднимается. Просто иногда для релакса приятно покопаться. В основном все это "богатство" досталось мне от старшего поколения нашей семьи - мамы и ее родителей. Сегодня я хочу рассказать о транзисторном радиоприемнике "VEF - 202". Небольшая предыстория. Этот радиоприемник был приобретен моей мамой в уже далеком 1982 году. Цена такого "гаджета" на тот момент была 101 рубль. Сразу прошу прощения за качество фотографий. Вот он во всей красе). По моему мнению, дизайн для тех лет просто шикарен. Да и сейчас весьма стильно смотрится. Радиоприемник относится ко второму классу, и позволяет осуществлять прием радиостанций в диапазоне длинных, средних и коротких волн. Диапазон КВ разбит на пять поддиапазонов. Типовая особенность переносных радиоприемников той поры - наличие внутренней магнитной антенны для диапазонов ДВ и СВ. На КВ прием ведется на телескопическую антенну. На л

Есть у меня несколько экземпляров радиоаппаратуры советских времен, которые выкинуть или разобрать на запчасти рука не поднимается. Просто иногда для релакса приятно покопаться. В основном все это "богатство" досталось мне от старшего поколения нашей семьи - мамы и ее родителей. Сегодня я хочу рассказать о транзисторном радиоприемнике "VEF - 202".

Небольшая предыстория. Этот радиоприемник был приобретен моей мамой в уже далеком 1982 году. Цена такого "гаджета" на тот момент была 101 рубль. Сразу прошу прощения за качество фотографий. Вот он во всей красе).

Общий вид радиоприемника
Общий вид радиоприемника

По моему мнению, дизайн для тех лет просто шикарен. Да и сейчас весьма стильно смотрится. Радиоприемник относится ко второму классу, и позволяет осуществлять прием радиостанций в диапазоне длинных, средних и коротких волн. Диапазон КВ разбит на пять поддиапазонов. Типовая особенность переносных радиоприемников той поры - наличие внутренней магнитной антенны для диапазонов ДВ и СВ. На КВ прием ведется на телескопическую антенну.

На лицевой панели находятся ручка управления верньерным устройством настройки на станцию и регулятор громкости, совмещенный с выключателем питания. На шкале настройки указаны диапазоны волн и их примерные длины в метрах. Традиционно на шкале есть метки с указанием городов - столиц союзных республик СССР.

Шкала радиоприемника.
Шкала радиоприемника.

Кстати, у шкалы имеется подсветка. Для ее включения нужно нажать нефиксируемую кнопку - выключатель слева от шкалы.

На боковой панели радиоприемника расположены ручка переключателя диапазонов и регулятор тембра. Диапазон отображается в специальном окошке, расположенным справа от шкалы.

Боковая панель радиоприемника
Боковая панель радиоприемника

На задней стенке радиоприемника имеется отсек для шести элементов питания ( тогда это был элемент 373) с напряжением 1,5В. Таким образом, номинальное напряжение питания радиоприемника - 9В. Кстати, имеется гнездо, куда можно подать 9В от внешнего источника. Также имеется гнездо для подключения внешней антенны, наушников и магнитофона на запись. В общем, все что нужно для комфортной эксплуатации. И еще интересный момент - на задней стенке "для любознательных" выштампованы диапазоны принимаемых частот для каждого диапазона.

Блок с гнездами для внешних подключений
Блок с гнездами для внешних подключений
Гнездо для подключения магнитофонв
Гнездо для подключения магнитофонв

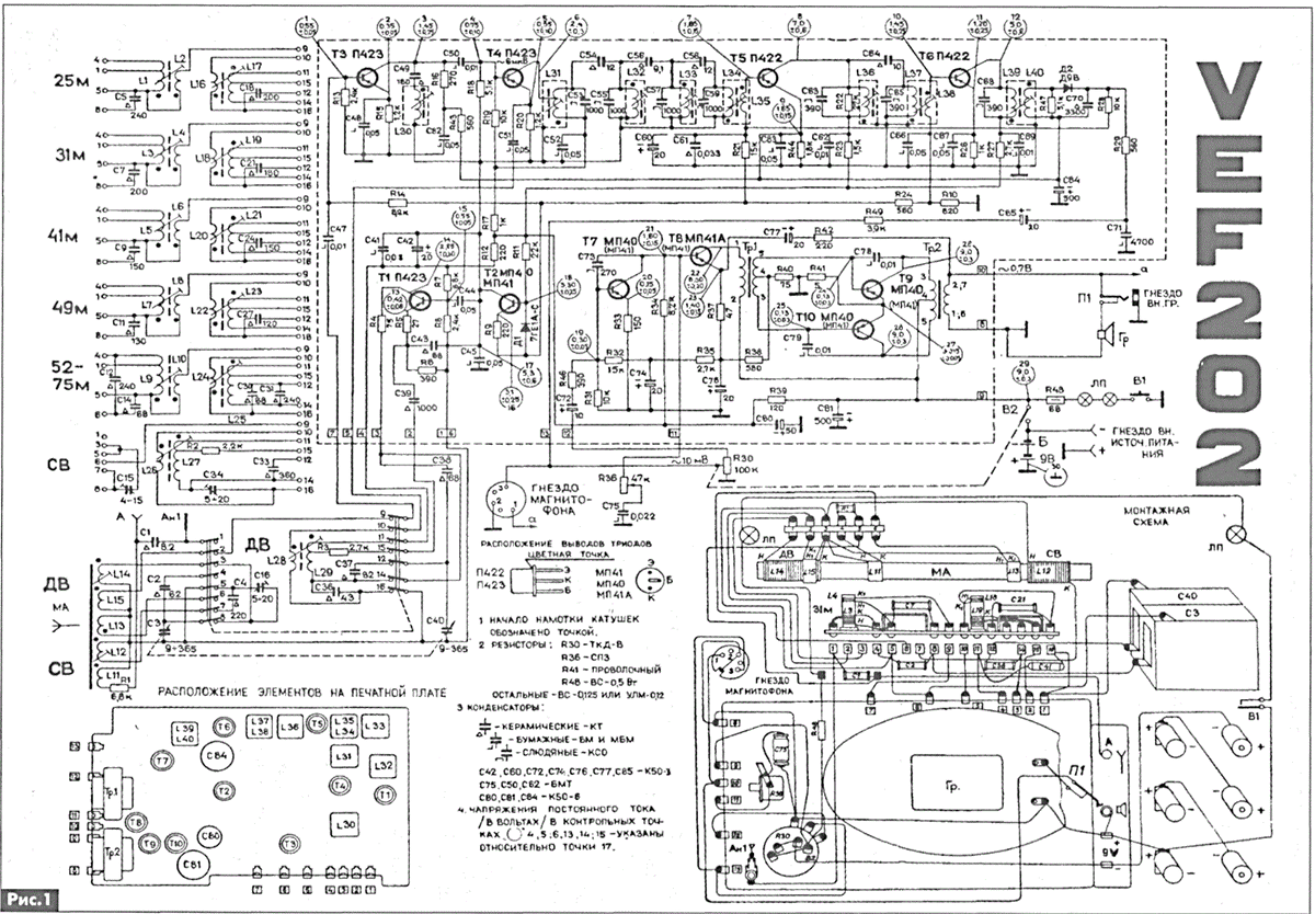
Несколько слов по схемотехнике. Схемку нашел на просторах Интернета, хотя у меня есть и бумажный вариант в инструкции по эксплуатации.

Электрическая принципиальная схема. Истоник: Яндекс.Картинки.
Электрическая принципиальная схема. Истоник: Яндекс.Картинки.

По схеме - типичный супергетеродин. В барабанном переключателе для каждого из диапазонов свой контур входной цепи и контур гетеродина. Перестройка по диапазону осуществляется двухсекционным конденсатором переменной емкости. Все собрано компактно и аккуратно. На фото ниже можно увидеть барабанный переключатель, печатный узел с основной схемой и конденсатор переменной емкости.

ВЭФ - 202 без задней крышки. Источник: Яндекс. Картинки.
ВЭФ - 202 без задней крышки. Источник: Яндекс. Картинки.

Мои впечатления о пользовании данным приемником. В период моего раннего детства ( конец 80-х, начало 90-х) приемник занимал почетное место на кухонном гарнитуре и слушали мы только радиостанцию "Маяк" в СВ диапазоне. В основном слушали концерты по заявкам. Потом резко приобрело популярность вещание в диапазоне УКВ, а на ДВ и СВ поперли такие помехи, что мама не горюй. В общем, я потихоньку прибрал приемник себе и решил приспособить к нему сетевой блок питания. Это был один из моих первых радиолюбительских порывов. С помощью дедушки мне удалось найти подходящий блок питания на 9 вольт и приёмничек снова ожил. Я "шарился" по всем диапазонам и через треск и "замирания " слушал радиопередачи на незнакомых языках. У меня уже была китайская магнитола - "букарайка" с диапазоном УКВ2, но я продолжал эксперименты с ВЭФом: делал по чертежам горизонтальную антенну - диполь, однако ненавистные помехи продолжали наседать все сильнее и сильнее. А потом... А потом я повзрослел и на некоторое время забыл про своего друга. Мне несколько раз предлагали выкинуть этот "никому не нужный хлам только место занимает вступить негде", но всегда что-то останавливало. Планирую сделать приёмничку профилактику и, возможно интегрировать модуль для приема УКВ - радиостанций.