Найти в Дзене

О необходимости отделения лифтового холла от межквартирных коридоров

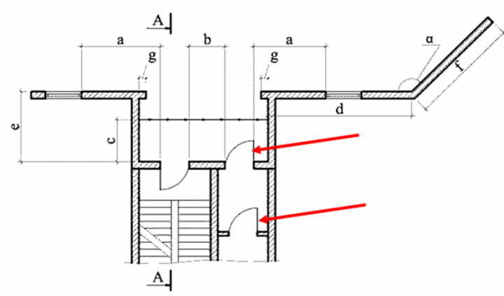
1. Каковы требования к двери между межквартирным коридором и лифтовым холлом, ведущим к незадымляемой лоджии, для зданий ниже 50 м, т.е. где не требуется лифт для пожарных? Можно ли применять двери из ПВХ профиля с закаленным стеклом?
2. Можно ли не устанавливать вышеуказанную дверь вообще? (Двери лифтов имеют ЕI30, из межквартирного коридора предусмотрено дымоудаление, в шахты лифтов осуществляется подпор воздуха при пожаре). Ответил эксперт: Николай Морозов В соответствии с п.5.4.12 СП 1.13130.2009 "Системы противопожарной защиты. Эвакуационные пути и выходы"  (в редакции от 09.12.2010) проход в наружную воздушную зону лестничной клетки типа Н1 допускается через лифтовой холл, при этом устройство шахт лифтов и дверей в них должно быть выполнено в соответствии с требованиями [3] (п.4.24) (примечание: в настоящий момент СП 4.13130.2009 утратил силу, в связи с этим необходимо ссылаться на требование ч.16 ст.88 Федерального закона от 22 июля 2008 года N 123-ФЗ ).
В соответствии с ч

1. Каковы требования к двери между межквартирным коридором и лифтовым холлом, ведущим к незадымляемой лоджии, для зданий ниже 50 м, т.е. где не требуется лифт для пожарных? Можно ли применять двери из ПВХ профиля с закаленным стеклом?
2. Можно ли не устанавливать вышеуказанную дверь вообще? (Двери лифтов имеют ЕI30, из межквартирного коридора предусмотрено дымоудаление, в шахты лифтов осуществляется подпор воздуха при пожаре).

Ответил эксперт: Николай Морозов

В соответствии с п.5.4.12 СП 1.13130.2009 "Системы противопожарной защиты. Эвакуационные пути и выходы"  (в редакции от 09.12.2010) проход в наружную воздушную зону лестничной клетки типа Н1 допускается через лифтовой холл, при этом устройство шахт лифтов и дверей в них должно быть выполнено в соответствии с требованиями [3] (п.4.24) (примечание: в настоящий момент СП 4.13130.2009 утратил силу, в связи с этим необходимо ссылаться на требование ч.16 ст.88 Федерального закона от 22 июля 2008 года N 123-ФЗ ).
В соответствии с ч.16 ст.88 Федерального закона от 22 июля 2008 года N 123-ФЗ "Технический регламент о требованиях пожарной безопасности"  (ред. от 02.07.2013) дверные проемы в ограждениях лифтовых шахт с выходами из них в коридоры и другие помещения, кроме лестничных клеток, должны защищаться противопожарными дверями с пределом огнестойкости не менее EI 30 или экранами из негорючих материалов с пределом огнестойкости не менее EI 45, автоматически закрывающими дверные проемы лифтовых шахт при пожаре, либо лифтовые шахты в зданиях и сооружениях должны отделяться от коридоров, лестничных клеток и других помещений тамбурами или холлами с противопожарными перегородками 1-го типа и перекрытиями 3-го типа.
Соответственно, если дверные проемы в ограждениях лифтовых шахт защищены противопожарными дверями с пределом огнестойкости не менее EI 30, то отсутствует необходимость в отделении лифтовых холлов от межквартирных коридоров и проходов в наружную воздушную зону лестничной клетки типа Н1 противопожарными перегородками 1-го типа. Соответственно отсутствует необходимость и в установке дверей, в том числе противопожарных, так как не требуется наличие перегородок. При этом шахты лифтов должны быть оборудованы системой создания избыточного давления воздуха в шахте лифта (ч.17 ст.88 Федерального закона от 22 июля 2008 года N 123-ФЗ ).
Если дверные проемы в ограждениях лифтовых шахт не защищены противопожарными дверями с пределом огнестойкости не менее EI 30, то возникает необходимость в отделении лифтовых холлов от межквартирных коридоров и проходов в наружную воздушную зону лестничной клетки типа Н1 противопожарными перегородками 1-го типа.
Исходя из типа и вида требуемой противопожарной преграды (в данном случае противопожарная перегородка 1-го типа (EI 45)) устанавливаются на основании таблиц 23  и 24 Федерального закона от 22 июля 2008 года N 123-ФЗ   типы требуемых противопожарных дверей.
В соответствии с таблицами 23  и 24 Федерального закона от 22 июля 2008 года N 123-ФЗ  в противопожарных перегородках 1-го типа (EI 45) должны устанавливаться противопожарные двери 2-го типа (EI 30).
В соответствии с п.8.3  и обязательным приложением "Г" СП 7.13130.2013 "Отопление, вентиляция и кондиционирование. Противопожарные требования"  двери устанавливаются в проходе, ведущем к поэтажному переходу через наружную воздушную зону к незадымляемой лестничной клетке типа Н1 (наружная дверь и дверь тамбура перед выходом наружу).
В соответствии с ч.3 ст.87 Федерального закона от 22 июля 2008 года N 123-ФЗ "Технический регламент о требованиях пожарной безопасности"  (ред. от 02.07.2013), п.5.4.4 СП 2.13130.2012 "Системы противопожарной защиты. Обеспечение огнестойкости объектов защиты"  (ред. от 23.10.2013) пределы огнестойкости заполнения проемов (дверей, ворот, окон и люков), а также фонарей, в том числе зенитных, и других светопрозрачных участков настилов покрытий не нормируются, за исключением заполнения проемов в противопожарных преградах.
В соответствии с п.5.4.16 СП 2.13130.2012  в обычных лестничных клетках зданий классов функциональной пожарной опасности Ф1.3 независимо от их высоты допускается предусматривать двери с ненормируемым пределом огнестойкости. При этом в зданиях высотой более 15 м указанные двери должны быть глухими или с армированным стеклом.
Двери незадымляемых лестничных клеток типа Н2 и Н3 (кроме наружных дверей) должны быть противопожарными 2-го типа для зданий высотой до 50 м и 1-го типа для зданий высотой 50 м и более.
В соответствии с п.5.4.5 СП 1.13130.2009  в лестничных клетках и лифтовых холлах допускается предусматривать остекленные двери, при этом в зданиях высотой четыре этажа и более - с армированным стеклом.

Соответственно, двери, установленные в проходе, ведущем к поэтажному переходу через наружную воздушную зону к незадымляемой лестничной клетке типа Н1 (наружная дверь и дверь тамбура перед выходом наружу) могут выполняться с ненормируемым пределом огнестойкости, двери должны быть глухими или с армированным стеклом.