Добавить в корзинуПозвонить
Найти в Дзене
И+Р

Паяем СВ-приёмничек

СВ-приемничек прямого усиления сегодня. Что можно на него поймать в условиях городской квартиры?

СВ-приемничек прямого усиления сегодня.

Преддверие Рождества. У детворы каникулы. С мелким, для общего развития, собрали на картонке средневолновый приёмничек из "того" времени.
Такие я, будучи пацаном, собирал в семидесятых прошлого столетия (1972-75). Картонку брал от старой ненужной книги, которую бабушка иной раз грешным делом использовала для растопки. В руках шестидесятиваттный паяльник, детали собирались не сразу. В те давние светлые времена кое что, например, транзисторы, можно было купить даже в нашем сельском универмаге; продавались лампочки, встречались какие-то номиналы подстроечных и переменных резисторов. В хозяйственном магазине на витрине среди гвоздей и плоскогубцев, помню, зачем-то лежали подстроечные конденсаторы КПК. Была самолетная свалка, - место недалеко от поселка, где разбившиеся военные мишени и самолеты грузились в вагоны для отправки на переплавку. Всю аппаратуру с них снимали в Тургае, но, по мелочи, для пацанвы (и взрослые не гнушались) оставалось еще немало платок и механизмов, можно было днями ковыряться, - помню, 2П303 у меня первые оказались именно оттуда.
Вот что получилось.

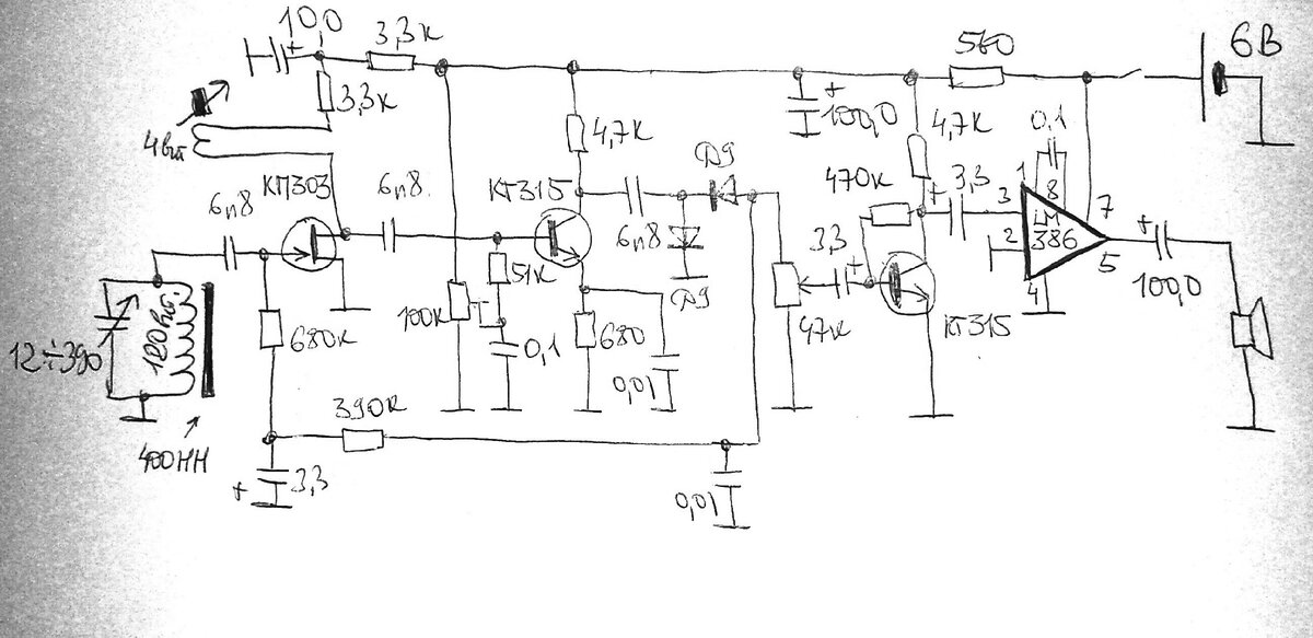
Технология простая, на картонке рисуем схему, протыкаем шилом отверстия и вставляем на место проводников луженый толстый (> 0,5 мм) провод. Распаиваем детали. Очень удобно при отладке схемы.

После определенных манипуляций схема заработала устойчиво и выкристаллизовалась в следующее начертание. Усилитель перед лм-кой и АРУ чуть позже добавил.

-2

Такие устройства хороши долгими зимними вечерами, когда ты в далеком поселке, кругом степь, за окном настоящая зима. На печке доходит кутья из пшеницы с изюмом, и тебе, мальчишке, склонившемуся над картонкой с деталями, открывается таинственный мир радио, - что может быть интереснее этого в двенадцать лет? Нынешнему поколению вьюношей, с их интернетом, телевизорами в тысячу каналов, больше привлекателен сам процесс пайки, - дымит канифоль, плавится олово. Реа-ал! Но, интереса ненадолго, на два - три часа.
Касательно работы схемы. Все СВ и ДВ станции в России отключили. Цифровизация называется. "А мы интернетом страну покроем и местным УКВ вещанием!". Министров наших хочется чем-нибудь другим покрыть, все эти медвежата и асушники в креслах министров... Эх! Уроды! (тушу свечку пальцами...)). Здесь вам не германии, страна не большая - она огромная(!), СВ-вещание ак-ту-аль-но! Но бизнесменам хрЕновым разве это объяснишь?

Ну да ладно, - при включении в комнате слышны только помехи - трески и шумы на разный лад, антенна, напомню, магнитная, огрызок ферритового стержня. Результат работы в следующем видео; за рабочим столом вообще ничего, у балконной двери маяк ZJ прослушивается, у окна на балконе маяк BD и есть какая-то вещательная (китайская скорее всего) станция, модулированная сетевой помехой... Вот так у нас, в Сибири, в городской черте обстоят дела с СВ диапазоном, ближе к европейской части России эфир на средних волнах наверное повеселее будет (?). Ясно дело, что речь идет о прямом усилении, магнитной антенне и городских условиях, с уличными лампами дневного света, домашней, донельзя засранной проводкой, компьютерами и телеками.

А дальше было Рождество, жизнь продолжается! С помехами, или без, но попытки репликаций опыта своего светлого детства делаются от всей души, чтобы поделиться с ближним радостью былых открытий... Однако, нынче совсем другое время и всё это "легкое бремя наставничества и открытий" прибрали к своим рукам производители гаджетов, голливуды всякие, гейтсы, дуровы, они говорят нынешнему молодому поколению как жить, чему радоваться а чему огорчаться. И наши дети в фарватере их хода, их новаций. Увы, мы пенсы, остаемся в стороне со своими хохоряшками и светлыми воспоминаниями. Ну, да ладно, хоть что-то имеем!)))))

P.S.

По делам в феврале (с 12.02.2020) оказался в европейской части нашей страны, а именно в славном городе Волжском, Волгоградской области. Сегодня в воскресение, на уличном развале, купил у бабушки СВ/ДВ приёмничек Альпинист 321 за 200 рублей (!), почти за такую же цену приобрёл 4 батарейки 1,5 В))), и проверил местный средневолновый эфир.

Днём - тишина. Вечером, в 21:15, эфир оказался полон станций (наловил не менее 15-ти!), в верхней части, где-то на 1,5 МГц, амплитудной модуляцией уверенно вещает наша русскоязычная станция с названием "Вести FM")))))))), есть небольшой фединг и работает только у окна, или в метре от него, но есть! Заношу приемник дальше в помещение - тишина во всем диапазоне. На ДВ тоже что-то есть - две ближневосточные станции вещают с нормальным качеством. Разница с ХМАО весьма ощутима! Там у нас совсем тишина, однако...)))

Это фантастика, но ближе к полуночи эфир оказался полон, как когда-то 40 лет назад (!); из русскоязычных к Радио FM добавились две миссионерские христианские станции, остальные языки - наполовину азиатские, наполовину - ближе к европейским, но не услышал французов, итальянцев, немцев и испанский язык тоже вроде как не звучал. Странно, конечно, было слушать теперь уже вражий голос "Крым реалии", вещаемый Радио Свобода из студии в Киеве. Прям как Голос Америки или Би-Би-Си в семидесятые годы)))).