Найти в Дзене
Radio-любитель

Акустический выключатель

Вид платы в сборе
Устройство реагирует на единственный хлопок в ладоши. В то же время демонстрирует низкую чувствительность к различным звукам. Каждая последующее срабатывание изменяет состояние реле на противоположное, сигнализируя об этом двухцветным светодиодом.
Комплект оснащен реле с контактной нагрузкой 8А/250В, что делает его идеальным для дистанционного управления освещением и любым

Вид платы в сборе
Вид платы в сборе

Устройство реагирует на единственный хлопок в ладоши. В то же время демонстрирует низкую чувствительность к различным звукам. Каждая последующее срабатывание изменяет состояние реле на противоположное, сигнализируя об этом двухцветным светодиодом.

Комплект оснащен реле с контактной нагрузкой 8А/250В, что делает его идеальным для дистанционного управления освещением и любым другим устройством, питаемым от электросети. После подключения схемы к источнику питания она обнуляется и остается в режиме ожидания до тех пор, пока не хлопните в ладоши, при этом независимо от рабочего состояния она потребляет менее 1ват.

Печатная плата была спроектирована таким образом, чтобы она помещалась в распределительную коробку, ее размеры диаметр 54 мм и толщина 25 мм. Благодаря небольшим размерам устройство также можно легко поместить, например, в светильник или люстру.

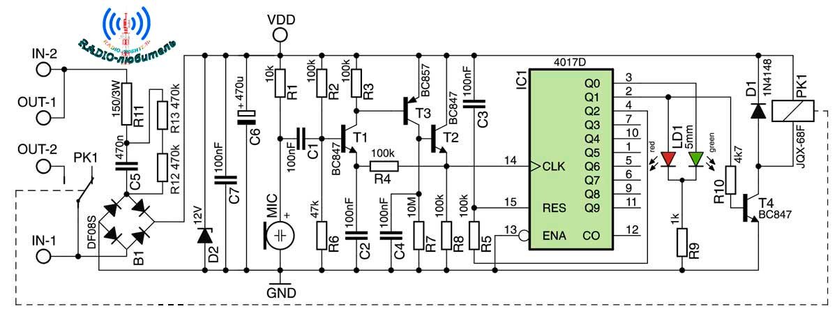
Схема акустического выключателя показана на рисунке.

Схема акустического выключателя
Схема акустического выключателя

Устройство состоит из трех основных блоков, датчика звука с транзисторным усилителем, триггера, реализованного со счетчиком 4017, и бестрансформаторного источника питания.

Сигнал от электретного микрофона усиливается в усилителе тремя транзисторами T1 ... T3. Появление сильного сигнала, содержащего значительный спектр с более высокими частотами, вызывает срабатывание системы. Из-за наличия буфера T2 после хлопанья положительный импульс возникает на резисторе R8 и, следовательно, также на тактовом входе микросхемы 4017. Это вызывает изменение состояния счетчика, при котором цвет светодиода переключается с зеленого на красный, а через транзистор Т4 активируется реле.

Используемый источник питания, то есть бестрансформаторный, не обеспечивает гальваническую развязку от электросети, то есть схема может содержать напряжения, опасные для здоровья и жизни людей и требует особой осторожности. Последовательный резистор R11 защищает мост B1, когда устройство подключается к сети, возникает мгновенный скачок напряжение превышает 300В. Без резистора R11 через диодный мост и разряженные конденсаторы C5, C6 на мгновение протекал бы очень большой ток со значением, ограниченным только сопротивлением соединительных проводов.

Резистор R11 ограничит этот импульс до безопасного значения и защитит другие электронные элементы от повреждения. Во время работы с выключателем мощность, потребляемая резистором, незначительна, и, таким образом, он не нагревается. Подключение схемы к электрической сети обеспечивается двумя разъемами. Разъем IN должен быть подключен к сетевому напряжению, подключение фазы и ноля не имеет значения. После хлопка и, таким образом, срабатыванию контактов реле на разъеме OUT появляется напряжения, поэтому к нему можно подключить, например лампочку.

Схема собрана на печатной плате, конструкция которой показана на рисунке.

Печатная плата 1 сторона
Печатная плата 1 сторона

Печатная плата стона cmd элементов
Печатная плата стона cmd элементов

Плата двусторонняя, а сборка элементов смешанная. Проводники, по которым будет протекать значительный ток, на плате, их стоит дополнительно облудить. Силовая и исполнительная часть содержит выводные элементы, а часть SMD. И именно с них лучше начинать сборку. При сборке особое внимание следует уделить методу пайки полярных элементов электретному микрофону, его отрицательный вывод которого соединен с металлическим корпусом, конденсатором С6, мостовым выпрямителем и диодами.

Поскольку двухцветный диод LD1 и микрофон можно припаять с любой стороны платы. После сборки схемы вам необходимо очень тщательно проверить, не были ли элементы припаяны в неправильной полярности, и нет ли короткого замыкания на плате. Ошибка может привести к повреждению элементов. Устройство, собранное из заведомо исправных компонентов, не требует настройки и работает сразу после включения.

-5