Найти в Дзене
Для Студента

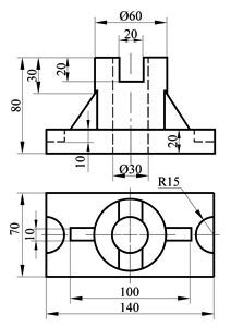
Корпус

Вариант 5 Задание: 1. Построить три вида фигуры. На месте вида спереди и вида слева совместить часть вида с частью разреза. Нанести размеры ♦ Чертеж выполнен на формате А3. ♦ Софт: Компас (.cdw) Чертеж на сайте: http://www.student-you.ru/dr-L2-05-korpus.php Наш сайт с готовыми чертежами: www.student-you.ru Наш канал с видео уроками: https://www.youtube.com/channel/UCBoWdiloEeqhOm4aLBFzzuQ

Вариант 5

Задание:

1. Построить три вида фигуры. На месте вида спереди и вида слева совместить часть вида с частью разреза. Нанести размеры

♦ Чертеж выполнен на формате А3.

♦ Софт: Компас (.cdw)

Чертеж на сайте: http://www.student-you.ru/dr-L2-05-korpus.php

Наш сайт с готовыми чертежами: www.student-you.ru
Наш канал с видео уроками: https://www.youtube.com/channel/UCBoWdiloEeqhOm4aLBFzzuQ