Добавить в корзинуПозвонить
Найти в Дзене
РАДИОЛЮБИТЕЛЬ

KIT набор частотомера (ЦШ) из Китая

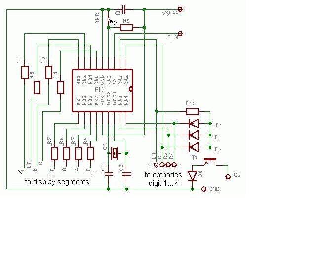
Данных наборов я покупал и собрал пять штук, себе, друзьям и друзьям друзей! Почему именно этот набор, хотя там выбор данных изделий очень большой, мне почему то понравилось в этом наборе соотношение цена-качество. Это самый дешёвый набор частотомера, вообще то он у них представлен как - ИЗМЕРИТЕЛЬ КВАРЦЕВЫХ РЕЗОНАТОРОВ (перейдя по ссылке вы сразу попадаете на продавца у которого я их покупал). Но такой как он продаётся он сыроват. Да, он измеряет и частоту как частотомер и измеряет частоту кварцевых резонаторов, но не очень хорошо, как этого хотелось бы. Поэтому как только я его спаял и проверил по всем параметрам, стала задача его доработать. Всё подробно можно посмотреть на моём видео, от момента сборки. проверки, там же на видео я показываю всё на что он способен, как прописать частоту ПЧ, вычитать её или прибавлять, сохранять и менять эти значения. И самое главное как доработать вход : Схема прибора: Так как я купил и собрал не один такой частотомер, с каждым новым конструкторо
KIT набор частотомера
KIT набор частотомера

Данных наборов я покупал и собрал пять штук, себе, друзьям и друзьям друзей! Почему именно этот набор, хотя там выбор данных изделий очень большой, мне почему то понравилось в этом наборе соотношение цена-качество. Это самый дешёвый набор частотомера, вообще то он у них представлен как - ИЗМЕРИТЕЛЬ КВАРЦЕВЫХ РЕЗОНАТОРОВ (перейдя по ссылке вы сразу попадаете на продавца у которого я их покупал).

Но такой как он продаётся он сыроват. Да, он измеряет и частоту как частотомер и измеряет частоту кварцевых резонаторов, но не очень хорошо, как этого хотелось бы. Поэтому как только я его спаял и проверил по всем параметрам, стала задача его доработать.

Всё подробно можно посмотреть на моём видео, от момента сборки. проверки, там же на видео я показываю всё на что он способен, как прописать частоту ПЧ, вычитать её или прибавлять, сохранять и менять эти значения. И самое главное как доработать вход :

Схема прибора:

Схема частотомера
Схема частотомера

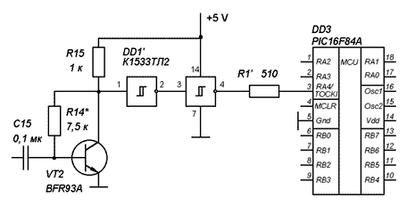
Так как я купил и собрал не один такой частотомер, с каждым новым конструктором я придумывал что то новое, в большей части с входами я экспериментировал больше всего. Мне захотелось собирать их каждый раз по новой схеме, тем самым и тестирую данные схемы, насколько они работоспособны, хороши или плохи.

На этом моём видео сборка и испытания входа по другой схеме:

Схема:

схема входа
схема входа

А на этом видео тот же новый вход, только я его немного упростил и распаял на самой плате частотомера, убрав узел измерителя кварцев (мне он не нужен). Защитных диодов в схеме нет, но лучше поставить.

Схема:

схема входа
схема входа

А вот вам ссылка на покупки прибора уже с нормальным вход : Прибор с доработками

На любые возникшие вопросы отвечу в комментариях. Буду рад каждому новому подписчику!!!