Найти в Дзене

Переговорное устройство на основе мини-АТС, часть 2

Часть 1 здесь. Рассмотрим схемотехнику простого варианта, назовем его "Вариант1". В следующих выпусках - более продвинутые варианты. Речевой тракт выполнен как полностью дуплексный, с управлением, рис.1: Основными узлами являются: Микрофонный усилитель имеет коэффициент усиления 18. Диоды VD3 и VD4 предназначены для ограничения по уровню сигнала на выходе усилителя, что необходимо для нормальной работы балансного каскада. Амплитуда сигнала на выходе не превышает 0.8 В. Включается микрофонный усилитель по цепи "Микроф.вкл" подачей логического нуля (0В) от контроллера управления. Выключается - подачей логической единицы (3.3 В). Усилитель громкоговорителя обеспечивает усиление входящего сигнала и уровень мощности около 1 Вт в цепи динамика. Необходимый уровень громкости устанавливается регулятором R19 (ГРОМКОСТЬ). Включается усилитель громкоговорителя по цепи "Громкогов.вкл" подачей положительного напряжения по цепи R25. Отключается - подачей логического нуля (0В) от контроллера

Часть 1 здесь.

Рассмотрим схемотехнику простого варианта, назовем его "Вариант1". В следующих выпусках - более продвинутые варианты.

Речевой тракт выполнен как полностью дуплексный, с управлением, рис.1:

Рис.1. Схема речевого тракта
Рис.1. Схема речевого тракта

Основными узлами являются:

  • микрофонный усилитель на м.сх DA1 (MC34119);
  • балансный каскад на транзисторе VT3 (BCP56T1);
  • усилитель громкоговорителя на м.сх DA4 (TDA7052A);
  • ключ на транзисторах VT1 (BCP56T1) и VT2 (BCP53-16).

Микрофонный усилитель имеет коэффициент усиления 18. Диоды VD3 и VD4 предназначены для ограничения по уровню сигнала на выходе усилителя, что необходимо для нормальной работы балансного каскада. Амплитуда сигнала на выходе не превышает 0.8 В.

Включается микрофонный усилитель по цепи "Микроф.вкл" подачей логического нуля (0В) от контроллера управления. Выключается - подачей логической единицы (3.3 В).

Усилитель громкоговорителя обеспечивает усиление входящего сигнала и уровень мощности около 1 Вт в цепи динамика. Необходимый уровень громкости устанавливается регулятором R19 (ГРОМКОСТЬ).

Включается усилитель громкоговорителя по цепи "Громкогов.вкл" подачей положительного напряжения по цепи R25. Отключается - подачей логического нуля (0В) от контроллера управления.

Особенностью дуплексного режима является одновременная работа микрофонной цепи и цепи громкоговорителя. Для исключения акустического самовозбуждения, применяется балансный каскад на основе транзистора VT3. Он "разрывает" прямое соединение усилителей микрофонного и громкоговорителя, так, что петлевое усиление по цепи "громкоговоритель-микрофон" устанавливается меньше "1".

Сигнал от микрофонного усилителя подаётся в базовую цепь VT3, а из коллекторной цепи VT3 - в цепь мини-АТС. На вход усилителя громкоговорителя с потенциометра R18 поступает суммарный сигнал из коллекторной и эмиттерной цепей, работающих в противофазе. Глубина подавления микрофонного сигнала в балансном каскаде достигает 15...20.

Сигнал из цепи мини-АТС подаётся через резистор R17, потенциометры R18 и R19 на усилитель громкоговорителя и воспроизводится в динамике.

Ключ VT1, VT2 обеспечивает подключение речевого тракта к мини-АТС. Команда на подключение - логическая единица (3.3В), подаваемая на вход "Линия вкл." от контроллера управления.

Речевой тракт справляется со своей задачей: переговоры в дуплексном режиме. Для увеличения громкости и чувствительности микрофона применяются дополнительные опции, о которых поговорим позже.

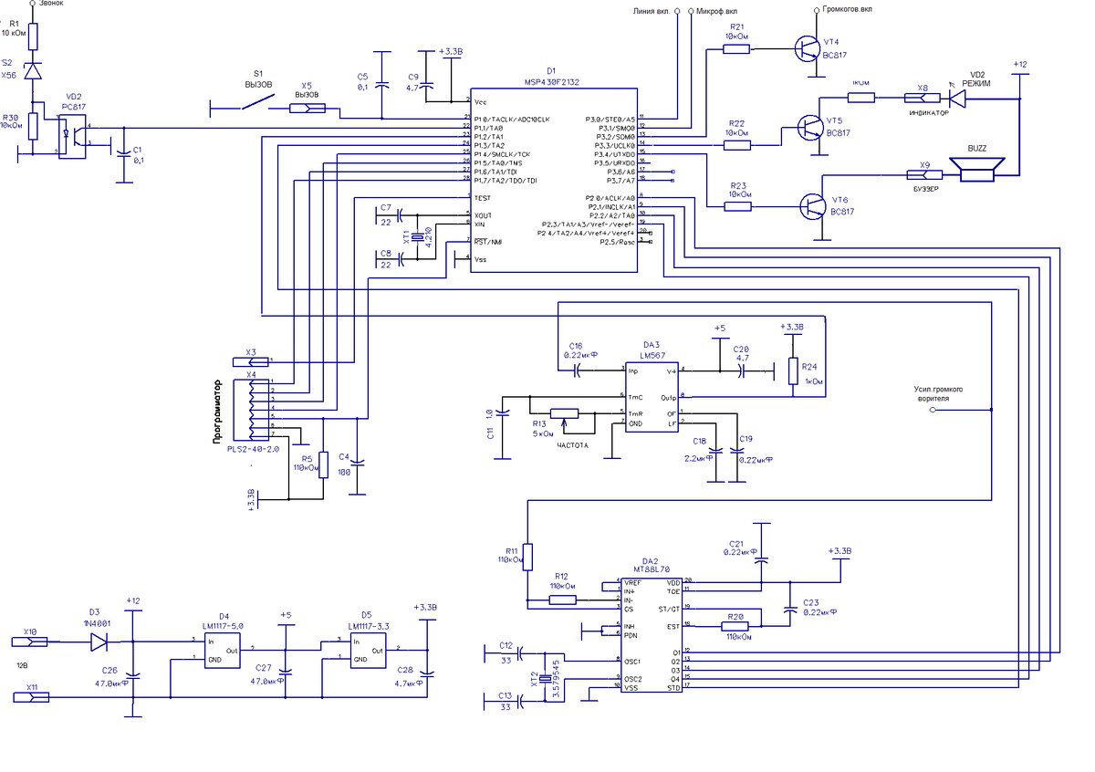
Устройство управления для "Варианта 1" выполнено на основе микроконтроллера MSP430F2132:

Рис.2. Схема устройства управления для "Варианта1"
Рис.2. Схема устройства управления для "Варианта1"

Основными узлами являются:

  • приёмник звонка из телефонной линии на стабилитроне VS2 (BZX75) и оптопаре VD2 (PC817);
  • микроконтроллер D1 ( MSP430F2132);
  • индикаторы режимов VD2 (светодиод) и BUZZ (звуковой индикатор);
  • приёмник сигнала отбоя DA3(LM567);
  • приемник сигналов управления DA2 (MT88L70);
  • цепь вызова на кнопке ВЫЗОВ;
  • модуль питания на м.сх D4 и D5 серии LM1117.

Приёмник звонка работает следующим образом: вызывной сигнал из телефонной линии, амплитудой 80...90 В, подаётся на стабилитрон VS2 (BZX75) и открывает его. Ток подается на светодиод оптопары VD2 (PC817) , выход которой соединён с входом P1.1 микроконтроллера. При изменении логического уровня на входе, в микроконтроллере запускается программа прерывания, отрабатывающая вызов.

Цепь вызова работает следующим образом: при нажатии кнопки ВЫЗОВ, соединённой с входом Р1.0 микроконтроллера, происходит изменение логического уровня, которое запускает программу прерывания, отрабатывающую нажатие кнопки.

Приемник сигналов отбоя работает следующим образом: сигнал из речевого тракта, из цепи усилителя громкоговорителя, поступает на микросхему DA2 (LM567). При появлении устойчивого сигнала частотой 425 Гц, на выходе микросхемы, соединённом с входом P1.2 микроконтроллера, происходит изменение логического уровня, которое запускает программу прерывания, отрабатывающую отбой.

Приемник сигналов управления работает следующим образом: сигнал из речевого тракта, из цепи усилителя громкоговорителя, поступает на микросхему DA2 (MT88L70). При появлении сигналов DTMF, они опознаются, дешифруются и подаются в виде двоичного кода на входы P2.0 ... P2.3 микроконтроллера. Cинхронизирующий сигнал подаётся на вход P1.3, при появлении которого запускается программа прерывания, отрабатывающая поступление сигнала DTMF.

Индикаторы режимов отображают текущие режимы устройства: ожидания, поступления вызова, нажатие кнопки вызова, поступление отбоя. Отображение режимов характером импульсов световых и звуковых.

Микроконтроллер MSP430F2132 - Управляющая программа размещается в энергонезависимой памяти микроконтроллера. Скоростные свойства и нагрузочные способности полностью соответствуют режимам устройства. Загрузка программы производится по цепям X3 и X4 ("ПРОГР."). Тактирование микроконтроллера - от кварцевого резонатора XT1 (4.210 МГц).

Питание 12В для устройства подаётся от внешнего AC-DC источника или иного источника. Потребляемый ток не более 30 мА.

Устройство работает следующим образом.

При поступлении вызова из телефонной линии, речевой тракт подключается к линии АТС, занимая её. Звучит сигнал приглашения и открываются микрофонный усилитель и усилитель громкоговорителя.

При нажатии кнопки ВЫЗОВ, речевой тракт подключается к линии АТС, которая, получив нагрузку, автоматически набирает заданный номер, открываются микрофонный усилитель и усилитель громкоговорителя.

По окончании сеанса связи, то есть, при поступлении сигналов отбоя, микрофонный усилитель и усилитель громкоговорителя закрываются, речевой тракт отключается от линии АТС.

Сигналы управления DTMF применяются для удалённой настройки некоторых параметров устройства, контроля состояния, как вариант сигналов отбоя в некоторых мини-АТС, а также для управления речевым трактом.

Конструктивное исполнение устройство показано в части 1 описания.

В заключении отметим, что это устройство достаточно простое, но хорошо показало себя в различных условиях эксплуатации. В том числе уличных, производственных, офисных. Речевой сигнал громкий и чистый.

Приглашаем посетить наш сайт: "Практическая электроника". На сайте организовали и понемногу заполняем базу по темам, связанным с нашей основной. Данные из этой базы используются как справочные материалы при работе. Надеемся, будет полезна и вам. Ещё раз, мы её только-только начали заполнять. Материалов накопилось много, но силы ограничены.

Приглашаем и на сайт наших партнёров: "Информационные технологии, связь, управление" . Многие из наших разработок нашли применение в их проектах.

Есть вопросы - задавайте.

Всем - привет!