Найти в Дзене
Maks Puzanov

Радиоконструктор 060 - Простая сигнализация на К561ЛА7

Основа схемы - генератор звуковой частоты на двух логических элементах микросхемы. На двух оставшихся элементах собран генератор низкой частоты (2Гц), управляющий работой звукового генератора и обеспечивающий прерывистый тревожный сигнал. В дежурном режиме этот генератор запрещает работу звукового генератора, ток потребления схемой составляет единицы микроампер. При размыкании контакта датчика генератор низкой частоты запускается и схема переходит в рабочий режим - пьезоизлучатель издаёт сигнал тревоги, ток потребления в этом режиме около 20 мА. Для усиления сигнала использован усилитель на двух транзисторах с трансформаторным выходом. В качестве датчика может быть использован любой размыкатель, кнопка, концевик, охранный контур, выполненный тонкой проволокой. при разрыве проволоки устройство выдаст сигнал тревоги. Напряжение питания может находиться в диапазоне 6 - 15 вольт. Ниже вашему вниманию представлена схема простой и надёжной сигнализации на одной микросхеме К561Л

Основа схемы - генератор звуковой частоты на двух логических элементах микросхемы. На двух оставшихся элементах собран генератор низкой частоты (2Гц), управляющий работой звукового генератора и обеспечивающий прерывистый тревожный сигнал. В дежурном режиме этот генератор запрещает работу звукового генератора, ток потребления схемой составляет единицы микроампер. При размыкании контакта датчика генератор низкой частоты запускается и схема переходит в рабочий режим - пьезоизлучатель издаёт сигнал тревоги, ток потребления в этом режиме около 20 мА. Для усиления сигнала использован усилитель на двух транзисторах с трансформаторным выходом. В качестве датчика может быть использован любой размыкатель, кнопка, концевик, охранный контур, выполненный тонкой проволокой. при разрыве проволоки устройство выдаст сигнал тревоги. Напряжение питания может находиться в диапазоне 6 - 15 вольт.

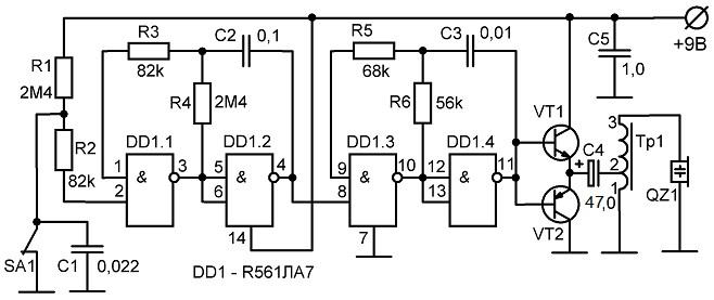
Ниже вашему вниманию представлена схема простой и надёжной сигнализации на одной микросхеме К561ЛА7. Из четырёх логических элементов «2И-НЕ» собрано два генератора.

Генератор низкой частоты на элементах DD1.1 и DD1.2 управляет генератором звуковой частоты на элементах DD1.3 и DD1.4, формируя тревожный сигнал. Пьезоизлучатель можно подключить между 11 и 12 выводами микросхемы, тем самым упростив устройство, но в этом случае сигнал, издаваемый пьезоизлучателем QZ1 был бы слабым. Поэтому в схему добавлен усилитель на транзисторах VT1 и VT2, соединённых по двухтактной схеме эмиттерного повторителя образующих комплементарную пару.

-2

Но и в этом случае тревожный сигнал был бы недостаточной силы, т.к. для работы пьезоизлучателя в полную силу требуется относительно высокое напряжение на его пластинах. Этого результата можно добиться подключив к выходу эмиттерного повторителя повышающий автотрансформатор Тр1, исполненный на ферритовом кольце.

С помощью этого автотрансформатора напряжение на входе пьезоизлучателя увеличивается в 10 раз и сигнал тревоги становится достаточно громким, чтобы его услышать с большого расстояния. Количество витков трансформатора около 900. Количество витков меньшей обмотки (выводы 1 и2) 80 витков.

После её намотки делается отвод сдвоенным проводом и вторая обмотка (выводы 2 и 3) доматывается до израсходования оставшегося провода. Рассмотрим работу схемы. После подачи питания на схему (напряжение питания может находиться в диапазоне 6 – 15 вольт) устройство переходит в дежурный режим.

На вывод 2 через нормально замкнутые контакты кнопки SA1 поступает логический ноль, дающий запрет на работу первого генератора. Соответственно на выводе 4 будет тоже логический ноль, не позволяющий работать второму генератору. Устройство в таком режиме потребляет очень незначительный ток в пределах нескольких микроампер.

Как только контакты размыкаются, через резисторы R1, R2 на 2 вывод подаётся логическая единица, что приводит к запуску первого генератора, работающего с частотой около 2Гц. В тот момент, когда на выводе 4 появляется логическая единица, поступающая на 8 вывод, включается второй звуковой генератор. Звуковая частота с вывода 11 поступает на вход повторителя на VT1, VT2.

Далее усиленный сигнал через конденсатор С4 поступает на обмотку (1,2) автотрансформатора Тр1. Ток, проходящий через эту часть обмотки трансформатора создаёт переменный магнитный поток в сердечнике (кольце), который в свою очередь индуцирует во всей обмотке электродвижущую силу, пропорциональную количеству витков. В результате на пьезоизлучатель поступает сигнал звуковой частоты с повышенным, относительно напряжения источника питания, напряжением.

В зависимости от задач, кнопку можно заменить на нормально разомкнутую, замкнув её в положение охраны или заменив кнопку тонким проводом по принципу растяжки на разрыв.

-3

Купить набор можно по ссылке: