Найти в Дзене
Электрик со стажем.

Как сделать заземление в хрущёвке.

Я не пишу статьи, я делюсь с Вами своим опытом и знаниями. Стараюсь донести для Вас «занудные» темы простыми понятными словами. Здравствуйте дорогие подписчики и читатели моего канала. Сегодня поговорим с Вами о том, можно ли сделать заземление в хрущёвке, то есть в таком доме, который изображен на фото. Однозначного ответа на это нет, но мы его найдём. Всё зависит от того, установлены в доме электроплиты, или к дому подключен газ. Если у Вас дом с электроплитой, то ничего делать не надо. Всё уже сделано за Вас. Если Вы мне не верите, посмотрите на вилку или розетку электроплиты. На них три контакта, фаза- ноль и заземление. Ноль от розетки подключен в подъездном щите к нулевой шине, фаза к автомату на 25А, а заземление- к корпусу металлического щита, как на фото ниже. (Здесь вместо слова «заземление» правильнее сказать «нулевой защитный проводник от розетки электроплиты». Это заземление можно смело назвать TN-C-S, разберёмся, почему. В подвале В

Я не пишу статьи, я делюсь с Вами своим опытом и знаниями. Стараюсь донести для Вас «занудные» темы простыми понятными словами.

Здравствуйте дорогие подписчики и читатели моего канала.

хрущёвка.
хрущёвка.

Сегодня поговорим с Вами о том, можно ли сделать заземление в хрущёвке, то есть в таком доме, который изображен на фото. Однозначного ответа на это нет, но мы его найдём.

Всё зависит от того, установлены в доме электроплиты, или к дому подключен газ.

Если у Вас дом с электроплитой, то ничего делать не надо. Всё уже сделано за Вас. Если Вы мне не верите, посмотрите на вилку или розетку электроплиты. На них три контакта, фаза- ноль и заземление. Ноль от розетки подключен в подъездном щите к нулевой шине, фаза к автомату на 25А, а заземление- к корпусу металлического щита, как на фото ниже. (Здесь вместо слова «заземление» правильнее сказать «нулевой защитный проводник от розетки электроплиты».

-3

Это заземление можно смело назвать TN-C-S, разберёмся, почему.

В подвале Вашего дома установлен вводной щит, корпус этого щита заземлён (выполнено повторное заземление), в корпусе щита установлена главная заземляющая шина. К этой шине подключены все металлические части здания, то есть выполнено уравнивание потенциалов, а также провод PEN, который проложен в составе кабеля с трансформаторной подстанции, и все нулевые проводники, которые распределяются по подъездам и стоякам. Эти нулевые проводники подключены к корпусам всех этажных щитков по стоякам. Сечение этих проводников составляет минимум 16мм/2, значит они удовлетворяют требованиям ПУЭ к PEN-проводникам, если по стояку идут 3 фазы и ноль, то есть многофазная цепь, а в домах с электроплитами все стояки выполнены 3-мя фазами. Если Вы мне не верите, откройте свой этажный щит и убедитесь сами.

-4
-5

Фото вводного щита есть только такое, внизу главная заземляющая шина. Теперь давайте разберёмся, как выполнено разделение PEN- проводника на PE и N. В нашем случае роль главной заземляющей шины (PE) выполняет этажный щит, так как он выполнен из стали.

-6

Нулевой провод Вашей квартиры подключен к проводнику PEN или на этажный щит. Далее он идёт на пакетник, с пакетника на счётчик, а с счётчика на нулевую шину, установленную на изоляторах. То есть, совмещённый проводник «разделён» (ноль уже отдельный).

нулевые шины над автоматами.
нулевые шины над автоматами.
защитные проводники подключены к корпусу щита, проводник  PEN подключен к корпусу щита.
защитные проводники подключены к корпусу щита, проводник PEN подключен к корпусу щита.

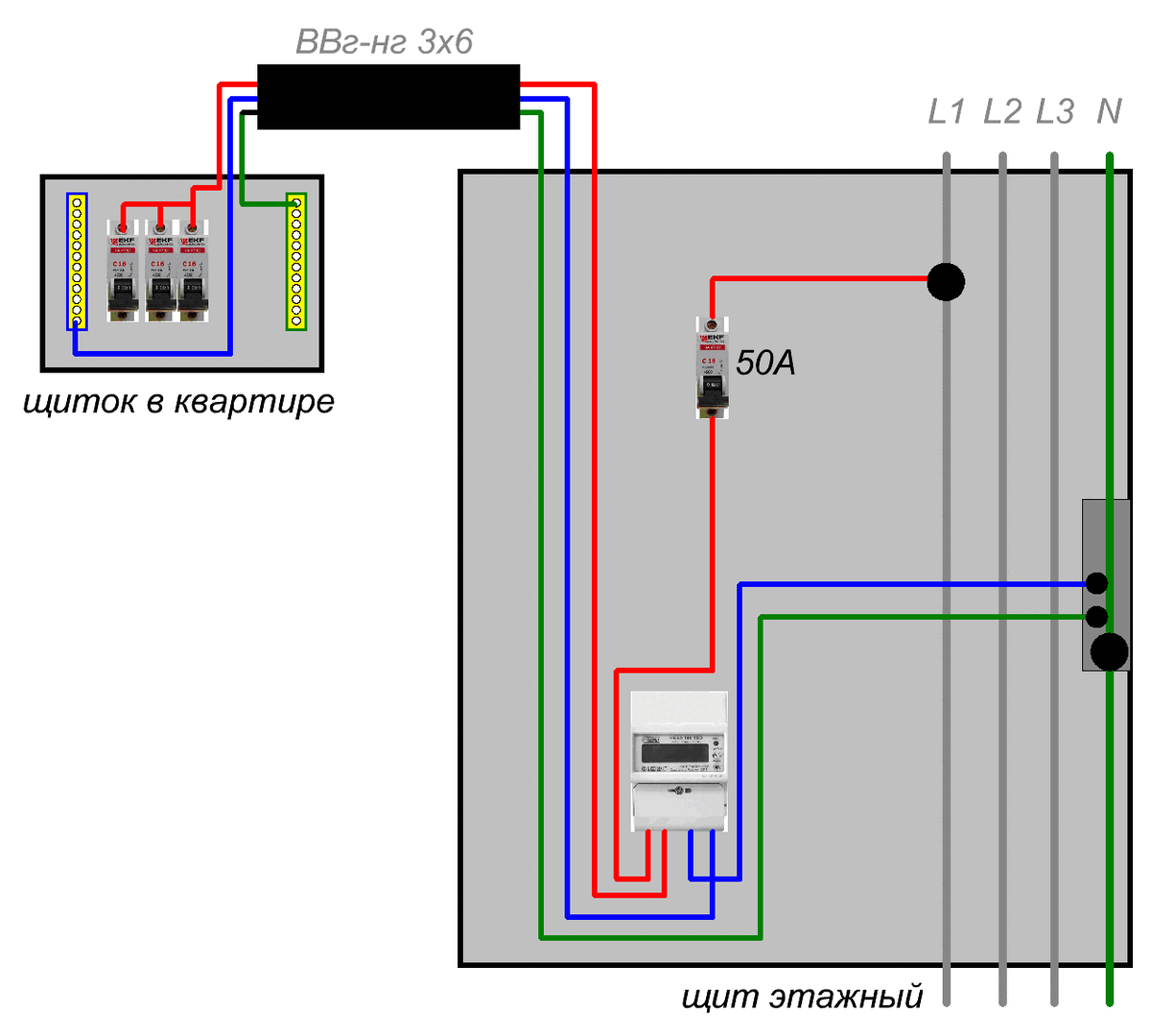
Теперь, если мы хотим воспользоваться этим заземлением (выполненным без нас), нужно подумать, как это сделать. Предлагаю такую схему. Вместо пакетника лучше установить Автомат. А остальное понятно из схемы.

схема соединений.
схема соединений.

Почему именно так? – потому что, из подъездного щита в квартиру один кабель ВВг-нг 3х6 можно спокойно провести в том канале, где проложена старая проводка (удалив её), а несколько кабелей меньшего сечения наверное в этот канал не затянешь.

Если Ваш дом не оснащён электроплитами, то сделать заземление не получится.

Если статья была для Вас полезной, ставьте лайки и подписывайтесь на мой канал.

Задавайте вопросы и оставляйте комментарии, вступайте в дискуссию. До следующих встреч.