Найти в Дзене
Maks Puzanov

Радиоконструктор 056 - Полицейский (аварийный) маячок

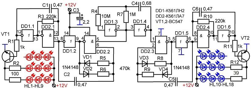
Схема устройства представляет каскад из пяти генераторов, собранных на элементах двух микросхем К561ЛН2 и К561ЛА7, обеспечивающий работу светодиодов в режиме полицейской мигалки или аварийного маячка в зависимости от цвета применяемых светодиодов. В этом варианте Вашему вниманию представляется схема генератора на двух логических микросхемах К561ЛН2 и К561ЛА7, обеспечивающая работу светодиодов в режиме полицейской мигалки или аварийного маячка в зависимости от цвета применяемых светодиодов. Схема состоит из генератора на элементах DD1.3 и DD1.4, обеспечивающего поочерёдную работу двух одинаковых плеч схемы, управляемых прямым и инвертирующим выходами этого генератора. Каждое из плеч схемы тоже является генератором, непосредственно управляющим светодиодами. Если в одно плечо установить красные, а в другое синие светодиоды, получится полицейская мигалка, которую можно применить в детских автомобилях, игрушках, как рекламный элемент, за исключением установки в качестве светового об

Схема устройства представляет каскад из пяти генераторов, собранных на элементах двух микросхем К561ЛН2 и К561ЛА7, обеспечивающий работу светодиодов в режиме полицейской мигалки или аварийного маячка в зависимости от цвета применяемых светодиодов.

В этом варианте Вашему вниманию представляется схема генератора на двух логических микросхемах К561ЛН2 и К561ЛА7, обеспечивающая работу светодиодов в режиме полицейской мигалки или аварийного маячка в зависимости от цвета применяемых светодиодов.

-2

Схема состоит из генератора на элементах DD1.3 и DD1.4, обеспечивающего поочерёдную работу двух одинаковых плеч схемы, управляемых прямым и инвертирующим выходами этого генератора. Каждое из плеч схемы тоже является генератором, непосредственно управляющим светодиодами.

Если в одно плечо установить красные, а в другое синие светодиоды, получится полицейская мигалка, которую можно применить в детских автомобилях, игрушках, как рекламный элемент, за исключением установки в качестве светового оборудования автомобилей, передвигающихся по дорогам общего пользования.

Если синие светодиоды заменить на красные, устройство превратится в аварийную мигалку для любого автомобиля. Работа светодиодов в этой схеме сравнима с работой стробоскопа.

Такой маячок будет виден с большего расстояния, чем обычная светодиодная мигалка в случае остановки автомобиля на дороге или обочине, особенно в тяжёлых метеоусловиях (туман, дождь, снег, пурга). Если установить в оба плеча жёлтые светодиоды, получится маячок, устанавливаемый на автомобилях, перевозящих опасные вещества, опасные и негабаритные грузы.

При установке светодиодов других цветов, получится рекламное световое устройство. Необходимо учитывать, что светодиоды различных цветов имеют различное рабочее напряжение, это надо учитывать при изменении количества последовательно соединяемых светодиодов при изменении напряжения источника питания.

Светодиоды различных цветов можно разделить на две основные группы по рабочему напряжению – синие и белые в одну, а остальные во вторую. У первых рабочее напряжение обычно находится в пределах 3,0 – 3.4 вольта, у красных, жёлтых, зелёных напряжение лежит в пределах 2,0 – 2,5 вольта.

Поэтому в схеме сопротивление токоограничивающих резисторов красных и синих светодиодов R2 и R12 различно. Рабочее напряжение микросхем лежит в пределах 3 – 18 вольт. При изменении напряжения питания схемы необходимо учитывать количество последовательно соединённых светодиодов с их напряжением и напряжением питания схемы. Токоограничивающие резисторы обеспечивают рабочий ток светодиодов, не превышающий максимально допустимый, установленный производителем (в нашем варианте 20мА).

Общий ток светодиодов одного плеча не должен превышать допустимый рабочий ток управляющего транзистора. В нашем варианте ВС747 рассчитан на ток не более 100мА и напряжение не более 45 вольт. При увеличении количества светодиодов необходимо заменить транзисторы на более мощные с аналогичной структурой переходов (n-p-n).

При пайке не допускайте спаек припоем между соседними выводами элементов, не загибайте выводы в сторону выводов элементов, находящихся на соседних дорожках.

-3

Купить набор можно по ссылке: