Найти в Дзене
Книга

Гения, открывшего явление с КПД до 1000 % старательно игнорируют.

Всем привет. Еще около двух лет назад наткнулся в популярном видеохостинге на эффект Юткина. Суть эффекта заключалась в пропускании через воду разряда тока с большим напряжением, от 20 киловольт. В результате прохождения такого импульса тока в воде происходили явления гидроудара, выделения небольшого количества газа Брауна и нагрева самой воды. Сразу поясню за КПД. Чтобы не началась истерика в комментариях"где твой учебник физики, школота?", или "букварь читать надо, а не курить", оговорюсь, что КПД установки зависит не только от величины электрического импульса. В данном случае электрический импульс - это как детонатор в мине, мощность детонатора маленькая, но он помогает взорвать всю "начинку". Дополнительную энергию дает вода, расщепляющаяся под действием тока. Официальная наука ненавидит как сам эффект, так и его автора Льва Юткина. У автора около сотни изобретений. Изобретения запатентованы. Сам эффект представляет очень мощный гидроудар с давлением в месте разряда до 100 000 атм

Всем привет. Еще около двух лет назад наткнулся в популярном видеохостинге на эффект Юткина. Суть эффекта заключалась в пропускании через воду разряда тока с большим напряжением, от 20 киловольт. В результате прохождения такого импульса тока в воде происходили явления гидроудара, выделения небольшого количества газа Брауна и нагрева самой воды.

Установка на эффекте Юткина.
Установка на эффекте Юткина.

Сразу поясню за КПД. Чтобы не началась истерика в комментариях"где твой учебник физики, школота?", или "букварь читать надо, а не курить", оговорюсь, что КПД установки зависит не только от величины электрического импульса. В данном случае электрический импульс - это как детонатор в мине, мощность детонатора маленькая, но он помогает взорвать всю "начинку". Дополнительную энергию дает вода, расщепляющаяся под действием тока.

Официальная наука ненавидит как сам эффект, так и его автора Льва Юткина. У автора около сотни изобретений. Изобретения запатентованы.

Сам эффект представляет очень мощный гидроудар с давлением в месте разряда до 100 000 атм. Эффект похож на гидроудар по последствиям, хотя по причинам- совершенно от него отличается. Эффект можно легко воссоздать в домашних условиях.

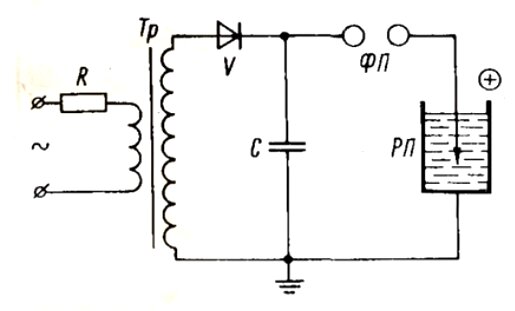
Электрическая схема разрядника. Можно попробовать в домашних условиях собрать установку из аккумулятора, катушки зажигания, трамблера.
Электрическая схема разрядника. Можно попробовать в домашних условиях собрать установку из аккумулятора, катушки зажигания, трамблера.

Область применения эффекта очень высока. Это измельчение практически любых веществ. Или уничтожение канализационных сливов- разложение на воду и на полезные удобрения, утилизация свалок. В сельском хозяйстве это разложение навоза. Сам автор изобретение использовал для разрушения валунов при строительстве дороги, для очистки и уплотнения металла. Даже при использовании такого эффекта для отопления, вода нагревается в несколько раз быстрее, чем при использовании той же энергии без эффекта Юткина.

В 70-е годы был изготовлен катер, двигающийся на этом эффекте. У него был один недостаток- при движении он "глушил" рыбу.

В сети есть несколько мощнейших форумов, на которых люди экспериментируют, делятся результатами. Вся информация в открытом доступе.

Спасибо, что дочитали. Всем желаю удачи. До новых публикаций.

Читайте также:
Имитация прогресса. Кто убивает наших ученых.
Такой ГЕТЕРОЭЛЕКТРИК решит все электрические проблемы.
Об этом умалчивают. Эта реакция может сэкономить до 60% топлива.