Добавить в корзинуПозвонить
Найти в Дзене
Radio-любитель

Высококачественный FM-передатчик

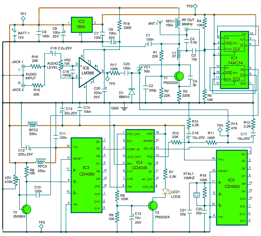
Высококачественный FM-передатчик — это радиовещание с использованием частотной модуляции. Для обеспечения высоко качественной передачи музыки и речи должны передаваться все звуковые частоты до 15 кГц. Представленный здесь передатчик малой мощности достигает этого, используя простые и легкодоступные компоненты. Его выходная частота зафиксирована на 96 МГц с использованием фазовой автоподстройки частоты (ФАПЧ). Прототип высокочастотной схемы FM-передатчика, смонтированной на печатной плате, показан на рисунке. Схема собрана на двойном триггере с положительным фронтом D-типа 74AC74 (IC1), двоичном счетчике с переносом CD4060 (IC3 и IC5), маломощным усилителем звука LM386 (IC6), фазовой автоподстройкой частоты CD4046 (IC4), регулятор напряжения 5V 7805 (IC2) и несколько других компонентов. Транзистор T1 вместе с резисторами R1, R2 и R3, конденсаторами C2 и C5, катушкой L1, подстроечным конденсатором VC1 и варикап D1 образует генератор с управляемым напряжением (VCO). IC1 работает как

Высококачественный FM-передатчик — это радиовещание с использованием частотной модуляции. Для обеспечения высоко качественной передачи музыки и речи должны передаваться все звуковые частоты до 15 кГц.

Представленный здесь передатчик малой мощности достигает этого, используя простые и легкодоступные компоненты. Его выходная частота зафиксирована на 96 МГц с использованием фазовой автоподстройки частоты (ФАПЧ).

Схема передатчика
Схема передатчика

Прототип высокочастотной схемы FM-передатчика, смонтированной на печатной плате, показан на рисунке. Схема собрана на двойном триггере с положительным фронтом D-типа 74AC74 (IC1), двоичном счетчике с переносом CD4060 (IC3 и IC5), маломощным усилителем звука LM386 (IC6), фазовой автоподстройкой частоты CD4046 (IC4), регулятор напряжения 5V 7805 (IC2) и несколько других компонентов.

Транзистор T1 вместе с резисторами R1, R2 и R3, конденсаторами C2 и C5, катушкой L1, подстроечным конденсатором VC1 и варикап D1 образует генератор с управляемым напряжением (VCO). IC1 работает как прескалер и делит частоту генератора в 4 раза. Низкочастотный РЧ-выход берется с отвода L1 на половину оборота и подается на вывод 3 IC1 через C3 и на антенну через C4. Выход 24 МГц (96 МГц / 4) с делителя дополнительно делится на 32 двоичным счетчиком IC3.

Этот сигнал доступен на своем выводе 5 (Q5). IC5 используется в качестве опорного генератора для ФАПЧ, который генерирует стабильную частоту 750kHz на ее контакте 7. IC4 сравнивает два 750kHz сигналов, представленных на его контактах 3 и 14, а затем выбирает, наибольшую частоту. Результат на выводе 13, который переключается между 12В и 0В.

Вывод 13 IC4 соединен с постоянным фильтром, сформированным R10 и C16. C16 заряжается до среднего напряжения постоянного тока и, таким образом, подает управляющее напряжение на схему управления частотой генератора передатчика и варикапа через R11 и R14. R13 и C17 образуют другой фильтр.

Оба фильтра имеют демпфирующие резисторы R12 и R13 для уменьшения усиления контура управления. Без этих резисторов схема управления изменит частоту ошибки, вызывая большую и противоположную частоту ошибке. Сигнал ошибки с контакта 13 микросхемы 4 отфильтровывается и подается обратно на варикап для корректировки частоты.

Фактически, генератор стабилизируется и привязывается к кварцу 12 МГц, давая стабильность. Генератор, однако, все еще может модулироваться до ± 75 кГц (широкополосная частотная модуляция) с помощью аудио сигнала. Это было бы невозможно, если бы кварц непосредственно контролировал генератор. Когда передатчик изначально включен, подождите пару секунд, чтобы частота установилась.

Это немного раздражает, но позволяет частоте модуляции передатчика всего 10 Гц. Вход стереозвука берется из аудио разъёмов JACK1 и JACK2 и объединяется R15 и R16. VR2 - контроль уровня звука. Усиленная звуковая частота (AF) от IC6 подается на варикап через R17 и C23 для частотной модуляции радиочастотного сигнала.

Подсоедините кусок провода (длиной 78 см) к ВЧ-выходу в качестве антенны. Вы можете использовать внешний РЧ-усилитель на РЧ-выходе для усиления сигнала до уровня 1Вт. Схема печатной платы высокочастотного FM-передатчика показана на рисунке, а компоновка его компонентов.

Печатная плата передатчика
Печатная плата передатчика

Расположение деталей на плате
Расположение деталей на плате

Поместите передатчик в небольшую пластиковую коробку. При сборке все выводы делайте как можно короче. Используйте высококачественный экранированный кабель для входных аудио подключений.

Питание устройства рекомендовано 12В постоянного тока, регулируемый источник питания. Рабочая частота передатчика составляет 96МГц. Установите VR2 на минимум и настройте VC1 для показания от 3,6В до 4,2В в контрольной точке TP4. VR1 является регулятором смещения для транзистора T2 и должен быть установлен в среднее положение.

Светодиод LED1 должен загореться, чтобы указать частоту блокировки на 96МГц. Подайте звуковой сигнал на разъемы JACK1 или JACK2. Этот сигнал будет передаваться с частотой 96МГц через антенну ANT.1. Настройте FM-приемник на 96МГц. Вы должны услышать передаваемый сигнал в вашем FM-приемнике. Вы также можете использовать свой мобильный телефон, если он имеет встроенный FM-приемник. Подстройкой VR1, VR2 и VC1 для регулировки.