Добавить в корзинуПозвонить
Найти в Дзене
Дачный СозонТ

Обрыв нуля в трехфазной сети – почему может возникнуть и какие последствия.

В данной статье будем разбираться с очень неприятной ситуацией, которая может возникнуть в результате обрыва (отгорания) нулевого рабочего провода. По факту, это аварийный режим работы трехфазной электросети, и в случае несимметричной нагрузки, на подключенных к данной сети однофазных потребителях возникает напряжение значительно ниже либо наоборот значительно превышающее номинальное напряжение

В данной статье будем разбираться с очень неприятной ситуацией, которая может возникнуть в результате обрыва (отгорания) нулевого рабочего провода. По факту, это аварийный режим работы трехфазной электросети, и в случае несимметричной нагрузки, на подключенных к данной сети однофазных потребителях возникает напряжение значительно ниже либо наоборот значительно превышающее номинальное напряжение однофазной сети.

В итоге, нагрузка очень редко бывает симметричной (равной).

Рассматриваем схему, разъясняющую данный процесс.

Ситуация штатная, когда все находится в рабочем состоянии.

При измерении вольтметром:

-напряжение между фазами будет 380 вольт (линейное напряжение)

-напряжение между фазой и нейтралью будет 220 вольт

Все как нужно, все параметры в норме.

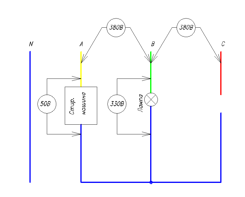
Теперь ноль отсоединился (оторвался) рассматриваем схему.

-2

Получили классическую схему – треугольник. На потребителей уже будет поступать не фазное и линейное напряжение. При этом напряжение может находиться в диапазоне от 0 до 380 вольт. А также, понятно что напряжение зависит от сопротивления потребителей. В результате повышения уровня напряжения, электрические приборы где будет превышение напряжения выйдут из строя.

Чтобы обезопасить себя от такой аварийной ситуации используют:

- Реле контроля напряжения (например, RNPP-311M)

- повторное заземление нулевого проводника

-3

Реле контроля напряжения предназначено:

–для контроля допустимого уровня напряжения;

–для контроля правильного чередования и отсутствия слипания фаз;

–для контроля полнофазности и симметричности сетевого напряжения (перекоса фаз);

–для отключения нагрузки при некачественном сетевом напряжении;

–для контроля качества сетевого напряжения после отключения нагрузки и автоматического включения ее после восстановления параметров напряжения;

–для индицирования аварии при возникновении аварийной ситуации и индикации наличия напряжения на каждой фазе.

Как видно на схеме, при обрыве (отгорании) нуля, ток уравнивания продолжает протекать к контуру заземления, благодаря чему фазное напряжение сохраняется на уровне 220 Вольт.

Понятно, что заземление должно быть качественным и соответствовать нормам.

Про сборку щита на 380 В 15кВт я уже писал.

Так что, к электричеству нужно относится с уважением и знанием.

***

Спасибо, что дочитали. Буду рад вашей поддержке в виде лайка и подписки на канал. И смотрите другие публикации на канале.

У кого есть вопросы, то пишите мне на почту 77gazсобакаmail.ru

Пишется все без пробелов, слово собака заменить на символ @

При желании можете поддержать группу любой суммой.

Мой канал на ютубе

Мой инстаграм

Не забудьте вступить в группы в ВК для общения:

Группа по ТГВ тут.

Группа по огороду, постройкам и домоводству тут.