Добавить в корзинуПозвонить
Найти в Дзене
Электроника, AVR, STM, PIC

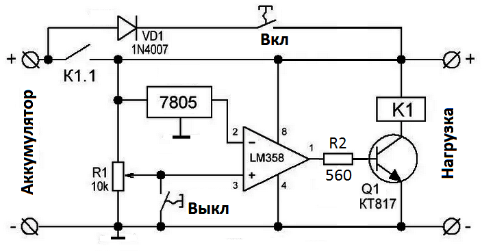
Защита аккумулятора от глубокого разряда

Как известно, глубокий разряд аккумулятора сокращает его срок службы. Для предотвращения подобных ситуаций используются специальные схемы, одна из которых показана на рисунке выше.

Схема защиты собрана на базе операционного усилителя LM358 со вспомогательными элементами на транзисторе и реле. Ну а схема защиты работает следующим образом.

При подключении аккумулятора к устройству на выходе нет напряжения, даже если мы неправильно подключим аккумулятор, на выходе все равно не будет напряжения (защита от обратной полярности).

При нажатии кнопки вкл (которая соединена последовательно с диодом VD1, чтобы прибор не включился от неправильной подключенной полярности) в нагрузку на прибор и цепь защиты начинает поступать напряжение, на выходе операционного усилителя появляется высокий уровень напряжения, который разблокирует транзистор Q1, который, в свою очередь, включает реле К1. Реле, размыкая свои контакты, уже непосредственно начинает питать нагрузку и цепь защиты.

Операционный усилитель, работающий в режиме компаратора, контролирует напряжение питания. На один из входов операционного усилителя подается стабильное напряжение с выхода 7805 (можно ROLL05A), а на второй вход подается напряжение с подстроки R1. С помощью R1 устанавливается самый низкий порог отключения напряжения в нагрузке, поэтому можно настроить устройство на любой тип батареи.

Если есть необходимость выключить нагрузку, то для этого предусмотрена кнопка выключения. При нажатии на нее нагрузка обесточивается. Все кнопки не фиксированы, реле можно взять при любом напряжении 12 вольт, транзистор КТ817 можно заменить на КТ815 или любой аналогичный.

Регулировка сводится к установке необходимого напряжения отсечки с помощью R1, для этого подключаем вольтметр к выходу прибора, а входной блок питания-к регулируемому выходу.