Найти в Дзене
Сергей Гайдук

Незначительное, но полезное усовершенствование в простых тепловых пушках.

Надеюсь, что эта статья будет полезна для моих читателей независимо от их увлечений. Сейчас зима и эксплуатация тепловых пушек актуальна!
В настоящее время выпускается очень большой ассортимент тепловых пушек. Не буду сравнивать их плюсы и минусы, удобства или неудобства в эксплуатации и другие параметры… Хочу остановиться на схемном решении электрической части тепловых пушек. Практически все

Надеюсь, что эта статья будет полезна для моих читателей независимо от их увлечений. Сейчас зима и эксплуатация тепловых пушек актуальна!

В настоящее время выпускается очень большой ассортимент тепловых пушек. Не буду сравнивать их плюсы и минусы, удобства или неудобства в эксплуатации и другие параметры… Хочу остановиться на схемном решении электрической части тепловых пушек. Практически все тепловые пушки имеют две ( иногда три ) ступени мощности нагревателей, а вот вентилятор, обеспечивающий теплообмен, включается при включении нагрева любой ступени. И выключается при выключении нагрева.

Вот здесь и хочу заострить Ваше внимание! Если включен максимальный нагрев и задана максимальная температура нагрева воздуха, корпус и внутренняя «начинка» существенно нагреваются при длительной работе и при выключении пушки поток воздуха прекращается и происходит резкое повышение температуры нагревателей из-за их тепловой инерции и значительной теплоёмкости. Вот это повышение внутренней температуры нагревает пластмассовые детали конструкции и вызывает их постепенное старение сокращая срок службы и способствуя возможному перегреву контактов переключателя режимов, что связано в пожароопасностью.

Тепловые пушки не относятся к категории жизненно необходимых, но выручают во многих ситуациях. Вот и мне потребовалось такое устройство. За мощностью не гнался, в основном значение имели габариты.

Габариты и мощность 1кВт/2кВт – меня устроили.
Габариты и мощность 1кВт/2кВт – меня устроили.

Работает хорошо, но работа вентилятора не понравилась, вспомнил как работает фен для сушки волос. При работе фена вначале выключается нагрев и только после охлаждения выключается вентилятор.

Разобрал, посмотрел устройство и решил сделать незначительную переделку.

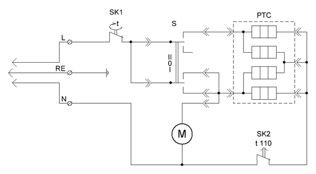
Принципиальная схема блока до переделки.
Принципиальная схема блока до переделки.

По схеме видно, что мотор вентилятора получает питание в любом положении переключателя режимов «S», биметаллический регулятор температуры«SK1» отключает пушку при достижении заданной температуры, аварийный выключатель «SK2» настроен на температуру +110 градусов.

Точка подключения одного провода мотора вентилятора.
Точка подключения одного провода мотора вентилятора.
Сюда был подключен второй провод мотора вентилятора.
Сюда был подключен второй провод мотора вентилятора.
Теперь второй провод подключен параллельно проводу «L».
Теперь второй провод подключен параллельно проводу «L».
Принципиальная схема блока после переделки.
Принципиальная схема блока после переделки.

Теперь после включения вилки питания в розетку вентилятор сразу начинает работать и работает постоянно. После выключения нагрева вентилятор продолжает работать до отключения сетевой вилки из розетки после полного остывания тепловой пушки. Теперь тепловая пушка будет работать более надежно!

Желаю всем здоровья и успехов в творчестве!!! Надеюсь эта информация Вам полезна!!!

Хобби
3,2 млн интересуются