Найти в Дзене
Онлайн ППР

Как выполняется монтаж алюминиевых оконных конструкций?

Команда onlineppr.ru разработала технологическую карту на монтаж алюминиевых оконных конструкций. В состав работ входит:
- подготовка проема,
- подготовка к монтажу оконного блока;
- установка оконного блока;

Команда onlineppr.ru разработала технологическую карту на монтаж алюминиевых оконных конструкций. В состав работ входит:

- подготовка проема;

- подготовка к монтажу оконного блока;

- установка оконного блока;

- установка заполнений в оконный блок;

- устройство монтажного шва.

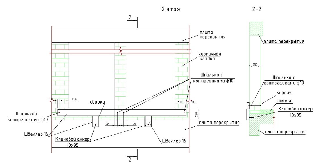
Для опирания оконных блоков выполнить металлическую конструкцию из швеллеров, сваренных между собой. Крепление металлической конструкции к стене выполнять с помощью анкеров и шпилек.

Монтаж алюминиевого оконного блока выполняется в следующем порядке:

1) Устанавливается рама в проем;

2) Рама выставляется в соответствии с разметкой, сдвигая раму по горизонтали;

3) Рама выставляется в горизонтальной плоскости по уровню и с помощью технологических клиньев;

4) Рама окна фиксируется при помощи пластиковых инвентарных клиньев.

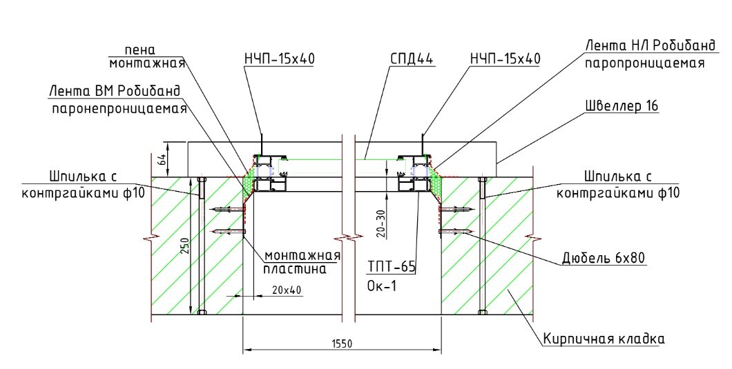
После выравнивания рамы по уровню, закрепить ее в проеме. После крепления рамы, приклеить наружную изоляционную ленту к несущим элементам в соответствии с рисунками ниже.

Команда onlineppr.ru разрабатывает технологические карты любой сложности, для заказа обращаться на почту: yd1@onlineppr.ru или звонить по номеру: 8 800 511-75-77.