Добавить в корзинуПозвонить
Найти в Дзене
СамЭлектрик.ру

Реле контроля фаз: устройство и подключение

Какие бывают реле контроля фаз, как они устроены, и как подключаются. Все реле я "щупал" - либо подключал, либо менял, либо ремонтировал, либо настраивал.
Первая часть статьи, теоретическая, опубликована на Дзене пару дней назад.
Zamel CKM-01
Пойдём от простого к сложному. В качестве примера рассмотрим сначала реле СКМ-01
Оглавление

В этой статье посмотрим, какие бывают модели реле контроля фаз, как они устроены, и как подключаются. Все фото в статье сделаны Автором. Все реле я "щупал" - либо подключал, либо менял, либо ремонтировал, либо настраивал.

Первая часть статьи, теоретическая, опубликована на Дзене пару дней назад.

Zamel CKM-01

Пойдём от простого к сложному. В качестве примера рассмотрим сначала реле СКМ-01 производства польской фирмы Zamel.

CKM-01 от Zamel. Краткие характеристики на упаковке
CKM-01 от Zamel. Краткие характеристики на упаковке

У реле на вход подаётся три фазы (L1, L2, L3) и ноль (N), питание внутренней схемы – от фазы L1. Выходное реле — с одним переключающим контактом. Также имеются два индикатора, которые показывают чередование и асимметрию фаз.

Вот как это реле выглядит вживую:

Реле контроля фаз Замель CKM-01. Внешний вид
Реле контроля фаз Замель CKM-01. Внешний вид

Электрическая схема реле CKM-01 Zamel очень простая, собрана всего на двух транзисторах. Внутренности  CKM-01 Zamel можно рассмотреть ниже на фото.

Честно говоря, никогда бы не поверил, что такое сравнительно сложное устройство можно собрать всего на 2-х транзисторах!
Zamel CKM-01. Внутреннее устройство
Zamel CKM-01. Внутреннее устройство

-4

Zamel CKM-01. Внутреннее устройство

-5

Zamel CKM-01. Внутреннее устройство

Инструкцию от производителя можно будет скачать в конце статьи.

РНПП-311

Теперь рассмотрим популярную отечественную модель – РНПП-311. Полное название – Реле напряжения, перекоса и последовательности фаз. Отсюда и аббревиатурное название. Подробнее – в инструкции в конце статьи.

Недавно появилось реле РНПП-311М, у него более современный и компактный корпус и больше настроек.

-6

Реле напряжения, перекоса и последовательности фаз РНПП-311М

Далее, по степени увеличения функциональности.

OMRON K8AB

Более навороченная модель — OMRON K8AB:

Omron K8AB-PA. Внешний вид
Omron K8AB-PA. Внешний вид

Тут уже есть дополнительный регулятор времени срабатывания (реагирования). Также это реле реагирует не только на понижение, но и превышение напряжения на одной из фаз.

Схема собрана на микроконтроллере, как и все модели, которые рассмотрю ниже.

Временная диаграмма и схема, расположенная на боковой стенке этого реле:

Omron K8AB – временные диаграммы, настройка и схема
Omron K8AB – временные диаграммы, настройка и схема

В линейку реле Omron K8AB входят 4 модели, и они обеспечивают очень расширенные настройки, на любой вкус. Инструкция – там же.

Carlo Gavazzi DPC01

Ещё одно реле контроля напряжения, из тех, что мне попадались – Carlo Gavazzi DPC01. Оно участвует в схеме промышленного компрессора-холодильника, про который я писал в статье про применение Устройства Бесперебойного питания (ИПБ, UPS) или про то, как я спас молоко от прокисания.

Кстати, если Вам вообще интересно то, о чем я пишу, подписывайтесь на получение новых статей и вступайте в группу в ВК!

Реле контроля фаз Carlo Gavazzi DPC01
Реле контроля фаз Carlo Gavazzi DPC01

На входе – три фазы, на выходе – два реле, контакты которых в данном случае подключались в схему последовательно и рубили цепь питания схемы управления. Кроме четырех регуляторов настроек, под крышкой с сорванной пломбой – ещё переключатели режимов работы.

В той статье я не написал, что пытался запустить этот холодильник, исключив это реле из схемы. Но Carlo Gavazzi оказался прав – компрессор не хотел запускаться при таком плохом качестве напряжения.

Евроавтоматика ФиФ CKF-318-1

Устройство трехфазного реле контроля и наличия фаз белорусского производителя F&F приведена в этой статье на Дзене. Показано устройство и реальный пример подключения и установки в компрессоре.

Схема подключения реле контроля фаз

Если в оборудовании используются для подключении электродвигателей только частотные преобразователи, то реле контроля фаз не нужно — для частотника всё равно, в каком порядке на него приходят фазы, он всё равно выпрямляет переменное трехфазное напряжение и преобразует его в постоянное.

Однако, я рекомендую ставить такое реле в любой промышленной аппаратуре с двигателями стоимостью от 1000 долл с трехфазным питанием. Ведь само реле стоит чуть более 1500 руб (отечественные модели), а в случае проблем с питанием сразу даст об этом знать.

Итак, вот несколько схем подключения, которые рекомендуют производители. В принципе, отличий мало.

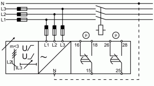
Схема подключения реле контроля трехфазного напряжения РНПП-311
Схема подключения реле контроля трехфазного напряжения РНПП-311

В любой схеме подключения на входы реле подается три фазы, и (если необходимо) нейтраль.

Также в любой схеме реле контроля фаз имеется встроенное реле (одно или два), которое выдает сигнал в аварийную цепь и/или на индикацию.

Схема подключения реле контроля напряжения от OMRON
Схема подключения реле контроля напряжения от OMRON
Схема подключения РКФ ФиФ
Схема подключения РКФ ФиФ

Схема подключения реле контроля напряжения от Carlo Gavazzi
Схема подключения реле контроля напряжения от Carlo Gavazzi

Последняя схема ценна и тем, что дано условное графическое обозначение реле контроля напряжения. И контакты реле показаны с задержкой включения, как и должно быть!

"Программное" реле контроля фаз

Справедливости ради стоит сказать, что в современном оборудовании на контроллерах реле контроля фаз как отдельный блок иногда не применяется, а реализовано непосредственно на контроллере.

Вот пример электрошкафа компрессора, в котором всё реализовано на контроллере:

Электрошкаф компрессора Новатек
Электрошкаф компрессора Новатек

Три фазы подаются прямо на входы контроллера, и далее идёт только программная обработка.

Расскажите в комментариях, часто ли приходится иметь дело с подобными реле, и где они у вас установлены?

Источник статьи

Некоторые мои статьи на Дзене про электродвигатели и пром.оборудование:

Если интересны темы канала, заходите также на мой сайт - https://samelectric.ru/ и в группу ВК - https://vk.com/samelectric

Не забываем подписываться и ставить лайки, впереди много интересного!