Найти в Дзене
Виктор Сочи

Как сделать 500 вольт с преобразователя MT3608 и регулировкой тока.

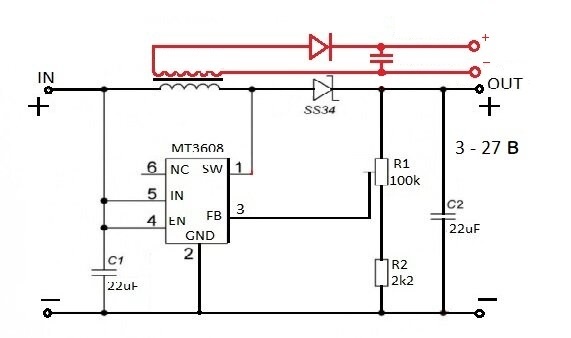
Это не сложная доработка дающая значительное повышение выходных характеристик и при этом все основные элементы платы продолжают работу в штатном режиме, а на выходе уже может быть очень высокое напряжение и необходимо соблюдать технику безопасности, не прикасаться к оголённым токоведущим частям. Данная схема питается от одной банки литиевого аккумулятора и может пригодится для проверки светодиодов, стабилитронов, конденсаторов и полевых транзисторов. На принципиальной схеме красным показано, что необходимо будет доделать в преобразователе. Здесь уже в работе, преобразователь поднимает от трёх вольт до 514 Для более стабильного выходного напряжения, можно делитель переставить на высоковольтный выход, также добавить и регулировку выходного тока. Для удобства и наглядности в работе на выход желательно ставить ещё вольтметр и амперметр. Подробнее о этой переделки есть видео на моём ютуб канале «Виктор Сочи» -https://youtube.com/c/ВикторСочи Пожалуйста переходите, смотрите, пишите в к

Это не сложная доработка дающая значительное повышение выходных характеристик и при этом все основные элементы платы продолжают работу в штатном режиме, а на выходе уже может быть очень высокое напряжение и необходимо соблюдать технику безопасности, не прикасаться к оголённым токоведущим частям.

Данная схема питается от одной банки литиевого аккумулятора и может пригодится для проверки светодиодов, стабилитронов, конденсаторов и полевых транзисторов.

На принципиальной схеме красным показано, что необходимо будет доделать в преобразователе.

Доработка MT3608
Доработка MT3608
Сам повышающий преобразователь MT3608
Сам повышающий преобразователь MT3608

ПОВЫШАЕТ  ДО 500  ВОЛЬТ
ПОВЫШАЕТ ДО 500 ВОЛЬТ
И с другой стороны
И с другой стороны
-5

Здесь уже в работе, преобразователь поднимает от трёх вольт до 514

Для более стабильного выходного напряжения, можно делитель переставить на высоковольтный выход, также добавить и регулировку выходного тока.

Здесь уже добавлен регулятор тока - переменный резистор на 1К.
Здесь уже добавлен регулятор тока - переменный резистор на 1К.

Для удобства и наглядности в работе на выход желательно ставить ещё вольтметр и амперметр.

Подробнее о этой переделки есть видео на моём ютуб канале «Виктор Сочи» -https://youtube.com/c/ВикторСочи Пожалуйста переходите, смотрите, пишите в комментариях свои пожелания, дополнения и замечания, подписывайтесь на будущие ещё не вышедшие видео. Торопиться не обязательно, места хватит всем.

Готовый тестер TKDMR 0-330 - https://ali.click/vff2y2?erid=2SDnjbtK6zk
Корпус от повербанка -
https://ali.click/npf2yr?erid=2SDnjdxQ6pg
Преобразователь MT3608, разные -
https://ali.click/k0g2yq?erid=2SDnjcogzd6
Реклама. ООО "АЛИБАБА.КОМ (РУ)", ИНН 7703380158

Всегда рад новым подписчикам!