Найти в Дзене
ВСЁ PRO ДОМ

Двери и арки внутри дома. Как грамотно выбрать и расставить.

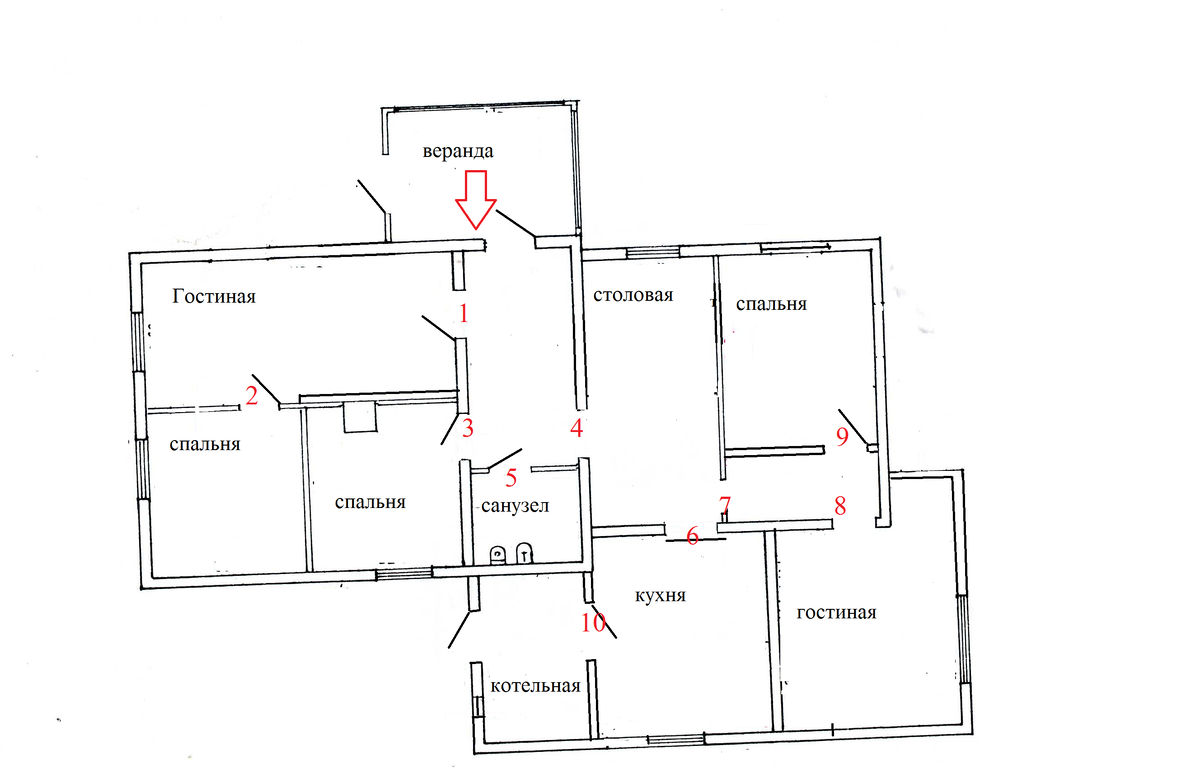
Добро пожаловать на мой авторский канал ВСЁ PRO ДОМ. Надеюсь, что моя статья Вам понравится и Вы поддержите ее лайком. Пойдем по пути моей статьи «Качественные входные двери. Как правильно выбрать». Чтобы сформировать бюджет и правильно выбрать качественные двери нужно определиться с количеством и назначением каждой двери. Для удобства и наглядности я разместил чертеж с нумерацией дверей. Итак, у нас получилось 10 межкомнатных дверных проемов. Чтобы правильно определить направление открывания каждой двери, необходимо точно знать расположение мебели, розеток, выключателей, батарей (если отопление от котла) и другого вспомогательного оборудования по каждому помещению. С дверями №№ 1, 2, 3, 9, 10 – все понятно, обычные полотна, открывание с учетом вышеуказанных рекомендаций. Дверь № 5 открывается, перекрывая дверной проем спальни, которая, в основном будет пустовать. Дверь № 6 с учетом расположения мебели в кухне и удобства перемещения между кухней и столовой – раздвижная (купе).

Добро пожаловать на мой авторский канал ВСЁ PRO ДОМ.
Надеюсь, что моя статья Вам понравится и Вы поддержите ее лайком.

Пойдем по пути моей статьи «Качественные входные двери. Как правильно выбрать».

Чтобы сформировать бюджет и правильно выбрать качественные двери нужно определиться с количеством и назначением каждой двери. Для удобства и наглядности я разместил чертеж с нумерацией дверей.

-2

Итак, у нас получилось 10 межкомнатных дверных проемов. Чтобы правильно определить направление открывания каждой двери, необходимо точно знать расположение мебели, розеток, выключателей, батарей (если отопление от котла) и другого вспомогательного оборудования по каждому помещению.

С дверями №№ 1, 2, 3, 9, 10 – все понятно, обычные полотна, открывание с учетом вышеуказанных рекомендаций. Дверь № 5 открывается, перекрывая дверной проем спальни, которая, в основном будет пустовать. Дверь № 6 с учетом расположения мебели в кухне и удобства перемещения между кухней и столовой – раздвижная (купе). В дверных проемах №№ 4, 7, 8 – будут установлены арки, так как по этому пути идут основные перемещения по дому и очевидна перегруженность здания дверьми.

Теперь определимся с материалом дверей. Будем выбирать из средней ценовой категории: пленка ПВХ, эко-шпон (многослойный пластик под дерево) и натуральный шпон (тонкие листы древесины). Если не брать в расчет цену, то я бы все равно выбирал из этих материалов. Ламинированные – скорее офисный вариант, а массив дерева – слишком тяжелый.

Ширина полотна напрямую зависит от мебели, которую вы собираетесь проносить. В комнаты, кухню и коридоры обычно ставят 80 см, в санузел и котельную можно поставить 70 см.

Арки в деревянный дом с нестандартными проемами придется изготавливать на заказ. Обязательно учтите сочетание цвета арки и дверей. Не каждый материал имеет одинаковый набор цветов.

Внутренняя отделка входной двери, межкомнатные двери и арки одного помещения должны быть одного цвета или хотя бы оттенка, т.е. №№ 1, 3, 4, 5 –один цвет; №№ 6, 7, 8, 9 – может быть другой цвет; №№ 2 и 10 – под отделку стен.

Какие выбирать двери: со стеклами или глухие – дело вкуса.

Особое внимание уделите комплектации двери замками, ручками, петлями. Качественная фурнитура надолго сохранит свой внешний вид и функции. Некоторые комплекты могут вам обойтись в такую же цену, как сама дверь. На мой взгляд, вполне приемлемо заплатить за ручки в районе 1000 - 1500 рублей, замки 500 рублей.

Ставьте лайк, если моя статья оказалась для вас полезной, а так же подписывайтесь на мой канал.