Добавить в корзинуПозвонить
Найти в Дзене
Для Студента

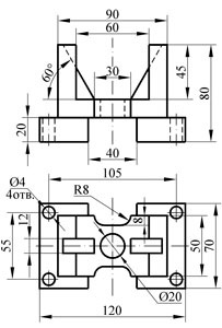
Опора

Вариант 6 Задание: 1. Выполнить три вида фигуры. На месте вида спереди и вида слева совместить часть вида с частью разреза. 2. Нанести размеры. ♦ Чертеж выполнен на формате А3. ♦ Софт: Компас (.cdw) Чертеж на сайте: http://www.student-you.ru/opora-IG104s.php Наш сайт с готовыми чертежами: www.student-you.ru Наш канал с видео уроками: https://www.youtube.com/channel/UCBoWdiloEeqhOm4aLBFzzuQ

www.student-you.ru
www.student-you.ru

Вариант 6

Задание:

1. Выполнить три вида фигуры. На месте вида спереди и вида слева совместить часть вида с частью разреза.

2. Нанести размеры.

-2

♦ Чертеж выполнен на формате А3.

♦ Софт: Компас (.cdw)

Чертеж на сайте: http://www.student-you.ru/opora-IG104s.php

Наш сайт с готовыми чертежами: www.student-you.ru
Наш канал с видео уроками: https://www.youtube.com/channel/UCBoWdiloEeqhOm4aLBFzzuQ