Найти в Дзене
NPN&PNP

Схемотехника. Преобразователь напряжения.

С каждым днем для питания электроники требуется все меньше энергии. Питающие напряжения становятся ниже и как следствие производители источников питания сосредотачиваются на продукции с низким напряжением. При построении электронных систем встречается потребность в относительно высоком напряжении питания, но брать источник с высоким напряжением за основу, при питании большей части устройства низким напряжением, кажется не рациональным. ниже опубликованная схема показывает принцип повышения напряжения без использования индуктивностей. Основные плюсы: Простота схемы Доступность деталей Возможность увеличения выходного напряжения путем добавление элементов Основные минусы: Малая нагрузочная способность Малый КПД Питание всего преобразователя может находится в широком диапазоне - от 3 до 18 вольт, и ограничено применяемой логической микросхемой DD1 . В качестве логической микросхемы выбрана CD4011( HEF4011 ), российский аналог К176ЛА7. В своем составе микросхема имеет четыре логических эле

С каждым днем для питания электроники требуется все меньше энергии. Питающие напряжения становятся ниже и как следствие производители источников питания сосредотачиваются на продукции с низким напряжением. При построении электронных систем встречается потребность в относительно высоком напряжении питания, но брать источник с высоким напряжением за основу, при питании большей части устройства низким напряжением, кажется не рациональным. ниже опубликованная схема показывает принцип повышения напряжения без использования индуктивностей.

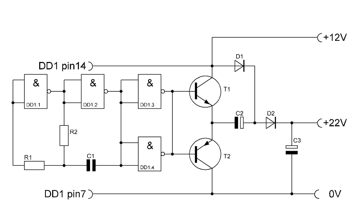
Электрическая схема повышающего преобразователя напряжения.
Электрическая схема повышающего преобразователя напряжения.

Основные плюсы:

Простота схемы
Доступность деталей
Возможность увеличения выходного напряжения путем добавление элементов

Основные минусы:

Малая нагрузочная способность
Малый КПД

Питание всего преобразователя может находится в широком диапазоне - от 3 до 18 вольт, и ограничено применяемой логической микросхемой DD1 . В качестве логической микросхемы выбрана CD4011( HEF4011 ), российский аналог К176ЛА7. В своем составе микросхема имеет четыре логических элемента 2И-НЕ. На двух логических элементах (DD1.1 и DD1.2) построен генератор прямоуголных импульсов. Его рабочая частота задается элементами R2 и C1. Вычисляется по формуле F=1/(1.4*R1*C1), при расчете номинал резистора берется в омах , а конденсатор в фарадах. При номиналах в 20 кОм и 4700 пФ частота будет в районе 7 кГц. Резистор R1 является ограничительным, и его сопротивление не должно быть меньше 1 кОм, а чтобы он не влиял на расчетную частоту, номинал резистора R1 выбираем достаточно высоким - 100 кОм. Далее по схеме идут два логических элемента DD1.3 и DD1.4, в роли буфера между генератором и ключами на транзисторах Т1 и Т2. При наличии на входе буферных элементов логической единицы - открывается транзистор T1, при наличии нуля - открывается транзистор Т2 . Транзисторы применимы с рабочим напряжением коллектор - эмиттер не менее максимального напряжения питания, в нашем случае подойдут транзисторы - для Т1 BD159 и Т2 BD140. С выхода транзисторов полученный сигнал прямоугольной формы подается на умножитель напряжения, выполненный на элементах D1, D2 и C2,C3. При открытом транзисторе Т2 и закрытом транзисторе Т1 конденсатор С2 включен через диод D1 параллельно источнику питания и заряжается до напряжения 11 вольт, так как на диоде из-за физических свойств падает до 1 вольта при прямом токе. В следующий момент времени, когда открыт транзистор Т1 и зарыт транзистор Т2, конденсатор С2 подключается одним выводом к плюсу питания а на правом (по схеме) выводе, относительно минуса источника питания, получается напряжение в 23 вольта и через диод D2 заряжается конденсатор C3. С конденсатора С3 снимается выходное напряжение. На место диодов можно применить любой кремневый диод на ток не менее тока нагрузки преобразователя напряжения - например диод 1N4001. Для конденсаторов С2 и С3 подходят полярные электролитические конденсаторы емкостью в 100 мкФ и рабочим напряжение, желательно, не ниже выходного преобразователя - 25 вольт.

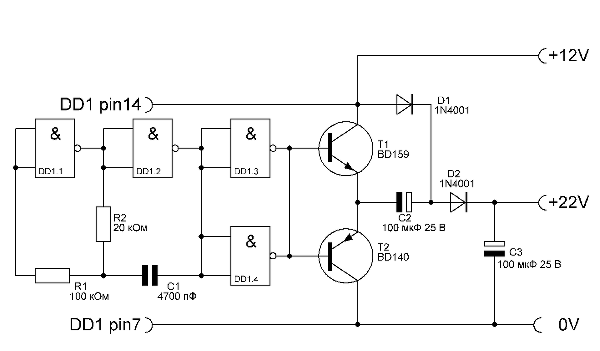
Ниже приведена электрическая схема с рассчитанными выше номиналами электронных компонентов.

Электрическая схема с номиналами компонентов
Электрическая схема с номиналами компонентов
Рассмотренная схема не является идеальным решением для всех случаев применения. Один из недостатков является малая нагрузочная способность, которая падает с количеством элементов в умножителе. Также схема имеет конечное количество умножение напряжения, на каждом этапе умножения тереятся до одно вольта на диоде

Спасибо за внимание и подписку на мой канал, палец вверх.