Найти в Дзене

Экономим на отоплении. Умный дом

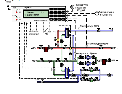
Самая затратная статья при эксплуатации собственного дома-это отопление. На нем можно и нужно экономить. Для разумной экономии можно контролировать температуру нагрева системы отопления, ограничивая объем воды в трубах, что позволит существенно снизить потребление энергоресурсов (газ или электричество) в период малой активности жильцов. Для облегчения своей жизни и снятия хлопот по регулированию температуры поможет погодозависимое регулирование системы отопления с помощью логического контроллера. Он может быть недорогим с минимальными функциями, а может быть по стоимость сравнимый с хорошим автомобилем! Но поверьте, это того стоит! И может быстро окупиться при правильной настройке всей системы. Принцип работы контроллера можно пояснить, рассмотрев рисунок. В рассматриваемом примере контроллер управляет одним контуром отопления и одним контуром ГВС. В состав контура отопления входит два смесительных насоса, трехходовой клапан с электроприводом, комплект датчиков температуры, датчики ра

Самая затратная статья при эксплуатации собственного дома-это отопление. На нем можно и нужно экономить.

Для разумной экономии можно контролировать температуру нагрева системы отопления, ограничивая объем воды в трубах, что позволит существенно снизить потребление энергоресурсов (газ или электричество) в период малой активности жильцов.

Для облегчения своей жизни и снятия хлопот по регулированию температуры поможет погодозависимое регулирование системы отопления с помощью логического контроллера. Он может быть недорогим с минимальными функциями, а может быть по стоимость сравнимый с хорошим автомобилем! Но поверьте, это того стоит! И может быстро окупиться при правильной настройке всей системы.

Принцип работы контроллера можно пояснить, рассмотрев рисунок.

Рисунок взят из руководства на контролер логический
Рисунок взят из руководства на контролер логический
В рассматриваемом примере контроллер управляет одним контуром отопления и одним контуром ГВС. В состав контура отопления входит два смесительных насоса, трехходовой клапан с электроприводом, комплект датчиков температуры, датчики работы насосов. Для контура горячего водоснабжения повысительные насосы, регулирующий клапан и датчик температуры горячей воды.
Сигналы с датчиков температуры поступают на соответствующие входы прибора и подвергаются аналого-цифровому преобразованию. Далее осуществляются преобразования в соответствии с номинальными функциями преобразования с тем, чтобы получить в цифровой форме значения измеряемых температур.
В соответствии с заданным режимом работы и температурными графиками контроллер вычисляет расчетные значения температур и сравнивает их с измеренными. На основании сравнения выдается сигнал на клапан, пропорциональный разности температур. Регулирование ведется по пропорционально-интегральному закону. При вычислении нового положения клапана учитывается значение теплоносителя в обратном трубопроводе (для контура отопления) для предотвращения превышения температуры обратной воды. Кроме этого в расчетах может использоваться значение температуры в помещении для корректировки графиков подачи/обратки.
В течение работы, контроллер проверяет работоспособность насосов, контролирует датчики на корректность показаний и в случае обнаружения неисправностей проводит мероприятия либо по изменению режима работы, либо по защите здания от замораживания. В случае выхода из строя рабочего насоса, контроллер автоматически производит запуск резервного насоса. Существует возможность задать периодичное переключение ведущий/резервный насос, для равномерной наработки.
Наличие у прибора коммуникационных портов позволяет ему передавать информацию на компьютер и принимать новые установки, режимы, графики и расписания.

Описание принципа работы контролера взято из руководства по эксплуатации.

Таким образом измеряя температуру в помещении и на улице идет постоянная подгонка к заданному температурному графику, благодаря которому меньше затрачивается на нагрев и соответственно больше Ваша экономия.