Добавить в корзинуПозвонить
Найти в Дзене
ПТК ИВС

Извещатели пожарные автономные дымовые типа ИП212-43

Назначение Автономные извещатели предназначены для применения в жилых и иных аналогичных помещениях для обнаружения задымлённости и подачи тревожных извещений в виде громких звуковых сигналов. Устройство и принцип действия Внешний вид извещателей приведен на рисунке. Серия автономных извещателей типа ИП212-43 (ДИП-43) состоит из четырёх модификаций, выполненных на базе стандартного конструктива (100x50 мм). Чертеж съёмной крышки извещателя представлен на рисунке ниже. Принцип действия по обнаружению дыма такой же, как у классических извещателей, работающих на «рассеянном свете». Отличительной особенностью автономных извещателей является то, что они запитываются от встроенного автономного источника питания, осуществляют контроль за уровнем его напряжения и, при необходимости, формируют сигнал «Разряд батареи», при обнаружении задымленности в помещении формируют сигналы «Пожар» или «Внимание» (75 % от уровня «Пожар»), могут принимать или передавать другим извещателям сигналы «Внешней т
Оглавление

Назначение

Автономные извещатели предназначены для применения в жилых и иных аналогичных помещениях для обнаружения задымлённости и подачи тревожных извещений в виде громких звуковых сигналов.

Устройство и принцип действия

Внешний вид извещателей приведен на рисунке.

Внешний вид извещателей
Внешний вид извещателей

Серия автономных извещателей типа ИП212-43 (ДИП-43) состоит из четырёх модификаций, выполненных на базе стандартного конструктива (100x50 мм).

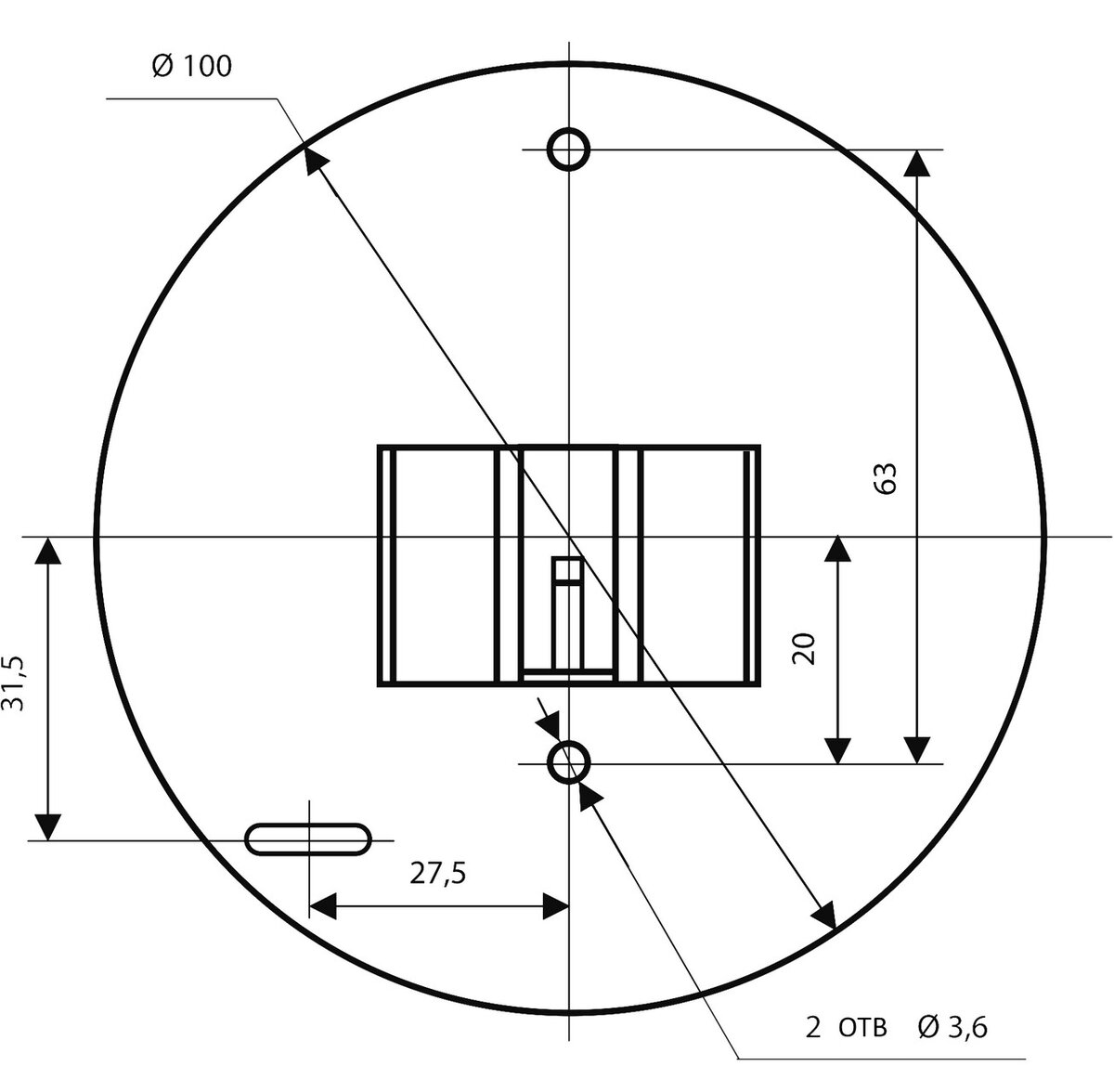
Чертеж съёмной крышки извещателя представлен на рисунке ниже.

Чертеж съёмной крышки извещателя
Чертеж съёмной крышки извещателя

Принцип действия по обнаружению дыма такой же, как у классических извещателей, работающих на «рассеянном свете». Отличительной особенностью автономных извещателей является то, что они запитываются от встроенного автономного источника питания, осуществляют контроль за уровнем его напряжения и, при необходимости, формируют сигнал «Разряд батареи», при обнаружении задымленности в помещении формируют сигналы «Пожар» или «Внимание» (75 % от уровня «Пожар»), могут принимать или передавать другим извещателям сигналы «Внешней тревоги», а также могут формировать электрические сигналы о срабатывании для передачи во внешние цепи

Типы звуковых сигналов, формируемых извещателями ИП212-43, ИП212-43М, ИП212-43МК и ИП212-43МК1, приведены в таблице ниже.

Типы звуковых сигналов, формируемых извещателями ИП212-43, ИП212-43М, ИП212-43МК и ИП212-43МК1
Типы звуковых сигналов, формируемых извещателями ИП212-43, ИП212-43М, ИП212-43МК и ИП212-43МК1

С 2005 года начато производство модификаций ИП212-43 и ИП212-43М с использованием модифицированного программного обеспечения для РIС-процессора, обеспечивающего щадящий режим включения звуковых сигналов «Пожар» и «Внимание» по технологии АНТИШОК. Ее суть заключается в том, что тревожные звуковые сигналы включаются с плавным повышением громкости, что многократно снижает «пугающий» эффект и способствует принятию наиболее оптимальных действий по ликвидации очага возгорания или своевременной эвакуации. При этом алгоритм нарастания громкости и форма звуковых сигналов таковы, что «пробуждающий» эффект сохраняется на прежнем высоком уровне.

Особенности

  • Извещатели типа ИП212-43 разработаны для питания от четырех элементов размерного типа ААА (мини-пальчиковые). Эффективность применения автономных извещателей многократно увеличивается за счет большого срока службы первоначально установленных батарей (до 5÷7 лет для алкалиновых элементов), а по статистике, к сожалению, не более половины извещателей вторично перезаряжаются в процессе эксплуатации;
  • Звуковые сигналы в извещателях типа ИП212-43 формируются с помощью пьезоэлектрической сирены, реализованной по классической схеме резонансного контура с дроссельной накачкой мощности, что позволило добиться самого высокого, по сравнению с другими автономными извещателями, уровня звукового сигнала (до 100 дБ на расстоянии 1м). Значительный запас по уровню звукового давления является основным фактором обеспечения гарантированного пробуждения спящего человека при задымлении в помещении;
  • Извещатели типа ИП212-43 защищены от проникновения насекомых внутрь корпуса и оптической системы мелкоячеистой (0,6×0,6 мм) металлической сеткой, что минимизирует возможность ложных срабатываний, а значит, не сказывается отрицательно на готовности человека своевременно и правильно среагировать на опасную ситуацию.

Извещатели ИП212-43 «ДИП-43» И ИП212-43М «ДИП-43М»

Извещатели ИП212-43 и ИП212-43M являются базовыми модификациями автономных извещателей этого типа. Отличие ИП212-43М заключается только в наличии зарешеченного отверстия в корпусе напротив звуковой мембраны, что несколько увеличило уровень звуковых сигналов (на 1÷2 дБ) по сравнению с ИП212-43. Других отличий нет. Схема выходной цепи ИП212-43 и ИП212-43М приведена на рисунке.

 Схема выходной цепи ИП212-43 и ИП212-43М
Схема выходной цепи ИП212-43 и ИП212-43М

Применение

Основными документами по применению и размещению автономных извещателей является СП 54.13330.2016. Кроме этого, необходимо учитывать требования региональных строительных норм или иных регламентирующих документов. В случае отсутствия необходимых требований или недостатка сведений в указанных документах, например, сведений по контролируемой одним извещателем площади, следует руководствоваться СП5.13130.2009, так как автономные дымовые извещатели по принципу обнаружения, охвату защищаемой площади и тактике применения ничем не отличаются от точечных дымовых пожарных извещателей.

При проектировании размещения извещателей необходимо помнить, что при равноправной инвариантности применения необходимо учитывать следующее:

  • Главная задача — это подать человеку сигнал тревожного извещения когда он отдыхает и не может контролировать состояние пожарной обстановки в своем жилище, поэтому извещатель должен устанавливаться в первую очередь в спальных помещениях или в непосредственной близости от них (коридоре) со стороны наиболее вероятного возникновения очага пожара (кухни).
  • Дым, как правило, поднимается к потолку и далее распространяется вдоль него, поэтому наиболее предпочтительнее расположение извещателя - на потолке в середине комнаты. В случае невозможности выполнения этого условия извещатели могут устанавливаться на потолке у стены, но не ближе 10 см от нее, или на стене на расстоянии от 10 до 30 см от потолка.
  • Углы между стенами являются самыми мало вентилируемыми местами в помещениях, поэтому при потолочном и стеновом размещении извещателей не рекомендуется их установка ближе 50 см от угла.
  • Для обнаружения очага на самой ранней стадии желательно защитить как можно большее количество имеющихся в едином жилом пространстве закрытых помещений, поэтому весьма целесообразным является объединение автономных извещателей в группу путем соединения их двухпроводной линией связи, что позволит своевременно получить сигнал «Внешней тревоги» о пожарной опасности в удаленных помещениях.

Схема соединения извещателей при их объединении в группу приведена на рисунке ниже.

Схема соединения извещателей при их объединении в группу
Схема соединения извещателей при их объединении в группу

В группу может быть объединено до 50 извещателей. В качестве соединительных проводов могут быть использованы двухжильные провода, имеющие суммарное сопротивление жил не более 1 кОм и общую монтажную емкость не более 2000 пФ (150 м провода ТРП-2х0,5). Контакты клеммной колодки позволяют подключать провода с сечением жилы от 0,2 до 1,5 мм2. В съемной монтажной крышке извещателя имеется отверстие с обнижением к краю, что позволяет использовать как скрытую, так и открытую подводку проводов.

Соединение извещателей в группу может быть выполнено радиально-лучевым способом, т.е. соблюдения последовательного обхода линией связи всех извещателей поочередно не требуется и может быть организовано любое количество ответвлений.

Извещатели ИП212-43МК «ДИП-43МК» и ИП212-43МК1 «ДИП-43МК1»

Отличительной особенностью ИП212-43МК от базовой модификации является наличие опторелейного выхода с нормально-разомкнутыми контактами, а ИП212-43МК1 - с нормально-замкнутыми контактами. С помощью этих выходов извещатели могут передавать сигнал о срабатывании (только состояние «Пожар») в шлейфы сигнализации приемно-контрольных приборов. Схема выходной цепи ИП212-43МК (ДИП-43МК) представлена на рисунке.

Схема выходной цепи ИП212-43МК
Схема выходной цепи ИП212-43МК

Схема выходной цепи ИП212-43МК1 (ДИП-43МК1) представлена на рисунке ниже.

Схема выходной цепи ИП212-43МК1
Схема выходной цепи ИП212-43МК1

Применение

Размещение извещателей при проектировании аналогично применению ИП212-43 и ИП212-43М. Общие схемы включения извещателей в шлейфы сигнализации приведены на рисунке.

Общие схемы включения извещателей в шлейфы сигнализации
Общие схемы включения извещателей в шлейфы сигнализации

Наряду с возможностью подключения ИП212-43МК и ИП212-43МК1 к ППК с использованием выходной цепи оптореле, извещатели одновременно могут быть объединены в группу по аналогии с ИП212-43,при этом извещатели, объединенные в группу, могут подключаться к разным шлейфам сигнализации и наоборот. Такие возможности имеются благодаря наличию гальванической развязки между выходными цепями оптореле и электрической схемой извещателя. Следует учитывать, что оптореле формирует сигнал срабатывания только в режиме «Пожар» собственного извещателя и не реагирует на принимаемый извещателем сигнал «Внешняя тревога» по линии связи от других извещателей группы, поэтому шлейф сигнализации должен подключаться к каждому извещателю, независимо от того, объединены эти извещатели в группу или нет.

Наш сайт: ivsptk.ru

Мы в соц. сетях:

VK: vk.com/ptkivs

INSTAGRAM: www.instagram.com/ptkivs

TWITTER: twitter.com/ptkivs

WhatsApp: +7(910)524-77-00

Viber: +7(910)524-77-00