Добавить в корзинуПозвонить
Найти в Дзене
Узнай первый!!!!

Ремонт Кулисы Опель

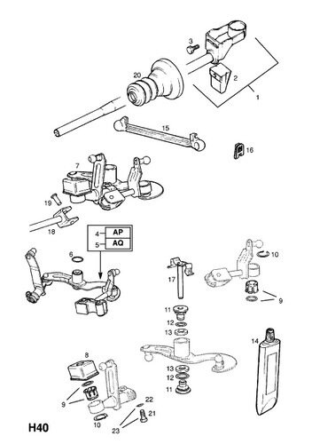
Ремонт Кулисы Опель. После замены правой подушки перестали включаться 1я и вторая передача. Думал просто отрегулировать, но обнаружил сильные люфты в шарнирах и что самое неприятное в проушине вилки селектора передач. Были закуплены следующие позиции
#9 – 0758223 (2шт.)
#11 – 0758711 (2шт.)
#15 – 0758802
#17 – 0758904
#18 — 0758405 Разборка этого дела не сложна. Ставим рычаг КПП в нейтраль. Сначала вынимаем палец #19 из вилки #18, затем расщёлкиваем шарниры на обоих сторонах #15, затем вынимаем #17 который держит всю конструкцию на кронштейне задней подушки двигателя. Откручиваем снизу болт хомута крепления к тяге идущей в салон и разъединяем этот узел. Вытаскиваем всю эту колбасу снизу (наверх не получилось). Теперь разжимаем стопорные кольца на шарнирах #9 и разбираем всё на запчасти. Снятие селектора тоже не сильно геморный процесс. Откручиваем 4ре болта головкой на 11 (предварительно почистив металлической щёткой грязь вокруг них). И постукивая резиновым молотком снимаем селе

Ремонт Кулисы Опель.

После замены правой подушки перестали включаться 1я и вторая передача. Думал просто отрегулировать, но обнаружил сильные люфты в шарнирах и что самое неприятное в проушине вилки селектора передач.

Схема кулисы
Схема кулисы

Были закуплены следующие позиции
#9 – 0758223 (2шт.)
#11 – 0758711 (2шт.)
#15 – 0758802
#17 – 0758904
#18 — 0758405

Разборка этого дела не сложна. Ставим рычаг КПП в нейтраль. Сначала вынимаем палец #19 из вилки #18, затем расщёлкиваем шарниры на обоих сторонах #15, затем вынимаем #17 который держит всю конструкцию на кронштейне задней подушки двигателя. Откручиваем снизу болт хомута крепления к тяге идущей в салон и разъединяем этот узел. Вытаскиваем всю эту колбасу снизу (наверх не получилось). Теперь разжимаем стопорные кольца на шарнирах #9 и разбираем всё на запчасти.

Разобранная кулиса
Разобранная кулиса

Снятие селектора тоже не сильно геморный процесс. Откручиваем 4ре болта головкой на 11 (предварительно почистив металлической щёткой грязь вокруг них). И постукивая резиновым молотком снимаем селектор с коробки аккуратно что бы не включить какую-нибудь передачу. Вынули. Очистили. На штоке закреплён шарнир селектора. Сверлом на 5 и молотком аккуратно выбиваем палец вовнутрь. Делать это надо при почти максимально утопленном вовнутрь штоке, что бы палец не упёрся в крышку. Разбираем промываем меняем шток. Надо было конечно ещё и сальник поменять, но не нашёл быстро.

Крышка селектора передач
Крышка селектора передач
Место где он стоит
Место где он стоит
Меняем вилку
Меняем вилку

И собираем всё в обратной последовательности.

Цена вопроса 1000р. и скорости включаються чётко.

В следующем блоге будем регулировать кулису.