Найти в Дзене
Окно в будущее

Полиэтилен и соль: российские ученые придумали новый «рецепт» искуственной кости

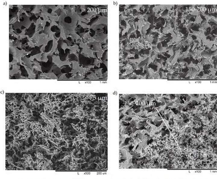
Ученые из Национального исследовательского технологического университета МИСиС, Института физиологически активных веществ РАН и Сколковского института науки и технологий смогли показать себя настоящими алхимиками. Практически из ничего они смогли создать искусственные человеческие кости. «Ничего» в данном случае – это полиэтилен и соль. СВМПЭ (сверхвысокомолекулярный полиэтилен) уже получил немалую популярность в качестве одного из стройматериалов для создания современных искусственных суставов. Он плотный, прочный, безопасный. В общем, прекрасный материал, вот только пористости у него нет, которые так нужны костям. Внутри кости, прямо в костном мозге, фактически, образуются клетки крови, без которых было бы невозможно питание и дыхание организма. Через поры в кости они как рах и выходят в кровь. Кроме того через поры должны прорастать кровеносные сосуды. Решить проблему не могла даже 3D-печать: при плавлении СВМПЭ оставался слишком вязким. Однако ученые НИТУ МИСиС предложили новую

Ученые из Национального исследовательского технологического университета МИСиС, Института физиологически активных веществ РАН и Сколковского института науки и технологий смогли показать себя настоящими алхимиками. Практически из ничего они смогли создать искусственные человеческие кости. «Ничего» в данном случае – это полиэтилен и соль.

СВМПЭ (сверхвысокомолекулярный полиэтилен) уже получил немалую популярность в качестве одного из стройматериалов для создания современных искусственных суставов. Он плотный, прочный, безопасный. В общем, прекрасный материал, вот только пористости у него нет, которые так нужны костям.

-2

Внутри кости, прямо в костном мозге, фактически, образуются клетки крови, без которых было бы невозможно питание и дыхание организма. Через поры в кости они как рах и выходят в кровь. Кроме того через поры должны прорастать кровеносные сосуды. Решить проблему не могла даже 3D-печать: при плавлении СВМПЭ оставался слишком вязким.

Однако ученые НИТУ МИСиС предложили новую технологию изготовления, при которой полиэтилен смешивался с обыкновенной поваренной солью. Готовое изделие хорошенько промывают, но полости, где находились кристаллики соли, остаются. Таким образом получаются самые настоящие поры. Да и размерчик что надо.

Единственной недостаток новой искусственной кости – недочет эластичности. Сейчас ученые будут биться над решением очередной проблемы, продвигая вперед эндопротезирование.