Добавить в корзинуПозвонить
Найти в Дзене
Radio-любитель

Индикатор пульсаций света

В настоящее время промышленностью выпускаются светодиодные лампы, которые довольно экономичные, однако многие фирмы уделяют мало внимания фильтрации постоянного напряжения, которое поступает на светодиоды, и в результате получаются пульсации выше допустимых норм. Сейчас есть множество заводских приборов для измерения коэффициента пульсаций, но они довольно дорогие. Предлагаем сделать простой индикатор пульсаций света от электроламп освещения, который даст возможность “послушать” пульсации, а также оценить уровень пульсаций по индикатору. Как известно, наиболее благоприятное для зрения освещение –это естественный солнечный свет, однако приходится иногда работать, читать при искусственном свете. Исследования, проводимые в этой области, показывают, что утомляемость зрения меньше в случае, когда искусственный свет максимально похожий на дневной свет, однако люди пока еще не изобрели идеального искусственного освещения. Многие лампы имеют в своем излучении вредные пульсации, и в резуль

В настоящее время промышленностью выпускаются светодиодные лампы, которые довольно экономичные, однако многие фирмы уделяют мало внимания фильтрации постоянного напряжения, которое поступает на светодиоды, и в результате получаются пульсации выше допустимых норм.

Сейчас есть множество заводских приборов для измерения коэффициента пульсаций, но они довольно дорогие. Предлагаем сделать простой индикатор пульсаций света от электроламп освещения, который даст возможность “послушать” пульсации, а также оценить уровень пульсаций по индикатору.

Как известно, наиболее благоприятное для зрения освещение –это естественный солнечный свет, однако приходится иногда работать, читать при искусственном свете. Исследования, проводимые в этой области, показывают, что утомляемость зрения меньше в случае, когда искусственный свет максимально похожий на дневной свет, однако люди пока еще не изобрели идеального искусственного освещения.

Многие лампы имеют в своем излучении вредные пульсации, и в результате этого глаза слезятся, воспаляются, что приводит к ухудшению зрения. При проектировании освещения пользуются параметром коэффициент пульсации освещенности К п – это критерий глубины колебаний освещенности в результате изменений во времени светового потока.

Если электролампа питается от сети переменного тока с частотой 50 Гц, то будет прослушиваться рокот с частотой 100 Гц. Зрительно мерцание незаметно, однако оно все же влияет на зрение: поступает излишняя информация, которую необходимо отфильтровывать.

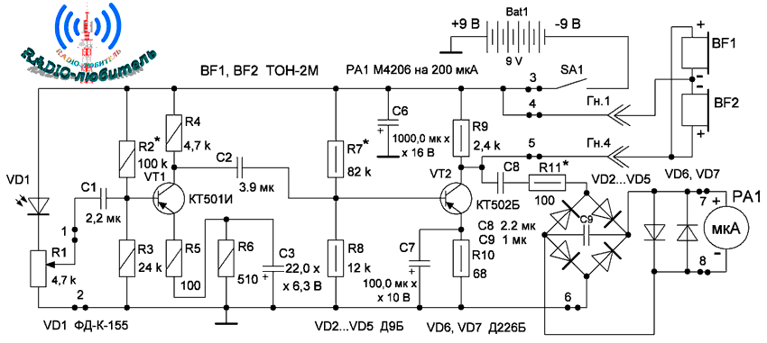
Принципиальная электрическая схема индикатора пульсаций приведена на рисунке.

Схема индикатора
Схема индикатора

Как видно из схемы, применен простейший двухкаскадный усилитель, к которому возможно подключить высокоомные телефоны типа ТОН-2М, переделанные, как это показано на схеме. Через выпрямительный мост на диодах VD2…VD5 подключен микроамперметр РА1 на 200 мкА для индикации уровня пульсаций.

Микроамперметр РА1 защищен от перегрузки встречно- параллельно включенными диодами VD6, VD7. Фотодиод VD1 типа ФД-К-155, подключен по схеме с внешним источником питания в запирающем направлении, то есть диодный режим работы. В диодном режиме чувствительность фотодиода значительно больше.

Некоторые типы фотодиодов, как показывает эксперимент, дают большой уровень шумов – эти фотодиоды не подходят для данной схемы, так как вносят большую погрешность в показаниях прибора. Как показало испытание приведенного усилителя, он имеет коэффициент усиления, равный 3300. Чувствительность его довольно высокая – 1,8 мВ.

В конструкции транзисторы имеют следующие коэффициенты усиления по постоянному току h 21э: для VT1 h 21э = 96, для VT2 h 21э = 120. Если транзисторы будут иметь другие значения h 21э, то нужно будет подобрать режимы работы транзисторов VT2 и VT1 изменением величины сопротивления резисторов R7 и R2. Первый транзистор (VT1) типа КТ501 малошумящий, с К ш = 4 дБ, и благодаря этому собственные шумы усилителя небольшие.

С помощью переменного резистора R1 на входе выставлен такой входной уровень, чтобы от лампы накаливания на 100 Вт, установленной на расстоянии 1 м, микроамперметр показывал 20 делений. Данные показаний прибора РА1 от различных источников приведены в таблице 1.

Таблица
Таблица

Телефоны должны быть подключены постоянно, так как они создают также дополнительную нагрузку для транзистора VT2.

Если вести контроль только по прибору, без прослушивания на телефоны, то необходимо выставить показание 20 от лампы накаливания на 100 Вт на расстоянии 1 м, без подключенных телефонов – такой вариант также возможен. При питании электроламп постоянным током пульсации практически отсутствуют и глаза устают значительно меньше.

Без сглаживающих конденсаторов при двухполупериодном выпрямлении получим пульсации с частотой 200 Гц, это уже меньше влияет на зрение, а с конденсаторами – вышеописанный индикатор не выявляет пульсаций на рабочей поверхности.

Индикатор пульсаций питается напряжением ±9В от батареи типа “Крона” и потребляет ток 4,8 мА. Печатная плата имеет размеры 40х94 мм. Печатная плата со стороны радиоэлементов приведена на рисунке.

Печатная плата индикатора
Печатная плата индикатора

Индикатор пульсаций собран в пластмассовом корпусе размером 165х95х40 мм.