Найти в Дзене
Radio-любитель

ЧМ радиомикрофон

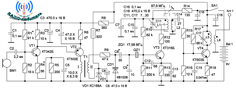
Ну в общем по поводу радиомикрофона в технической литературе описывалось много разных вариантов радиомикрофонов, однако в простых радиомикрофонах наблюдается недостаточная стабильность частоты задающих LC генераторов, и приходится время от времени подстраивать частоту радиоприемника. На схеме приводится вариант радиомикрофона с частотной модуляцией (ЧМ) и стабилизацией частоты кварцевым резонатором. Настройка сводится к подстройке контуров радиомикрофона на частоту 87,9 МГц, специально выделенной для радиомикрофонов, прослушиванием на FM приемник с диапазоном 88…108 МГц. Сигнал радиомикрофона хорошо слышно на радиоприемники средней чувствительности на расстоянии до 500 м и с хорошим качеством. Электрическая принципиальная схема радиомикрофона приведена в статье на рисунке. Микрофонный усилитель собран на транзисторах VT1 и VT2 с непосредственной связью между каскадами по схеме с общим эмиттером и трансформаторным выходом. Для настройки усилителя необходимо на его вход подать синусои

Ну в общем по поводу радиомикрофона в технической литературе описывалось много разных вариантов радиомикрофонов, однако в простых радиомикрофонах наблюдается недостаточная стабильность частоты задающих LC генераторов, и приходится время от времени подстраивать частоту радиоприемника.

Схема ЧМ радиомикрофона
Схема ЧМ радиомикрофона
На схеме приводится вариант радиомикрофона с частотной модуляцией (ЧМ) и стабилизацией частоты кварцевым резонатором. Настройка сводится к подстройке контуров радиомикрофона на частоту 87,9 МГц, специально выделенной для радиомикрофонов, прослушиванием на FM приемник с диапазоном 88…108 МГц.

Сигнал радиомикрофона хорошо слышно на радиоприемники средней чувствительности на расстоянии до 500 м и с хорошим качеством.

Электрическая принципиальная схема радиомикрофона приведена в статье на рисунке. Микрофонный усилитель собран на транзисторах VT1 и VT2 с непосредственной связью между каскадами по схеме с общим эмиттером и трансформаторным выходом. Для настройки усилителя необходимо на его вход подать синусоидальный сигнал с частотой 400…1000 Гц, напряжением порядка 8 мВ, и наблюдать сигнал на выходе с помощью осциллографа.

Изменением величины сопротивления резистора R1 добиваемся неискаженного сигнала. Если наблюдается двухстороннее ограничение, то необходимо уменьшить напряжение входного сигнала или увеличить величину сопротивления резистора R4, которое создает отрицательную обратную связь и уменьшает коэффициент усиления микрофонного усилителя в целом.

На время настройки резистор R1 необходимо заменить цепочкой из резистора на 47 кОм и подстроечного резистора на 100 кОм, которые включены последовательно; после настройки выпаять цепочку, произвести ее измерение и подобрать постоянный резистор с ближайшим номиналом. В авторском варианте двухстороннее ограничение наступало при входном напряжении 10 мВ.

В качестве микрофона использован микрофон типа ДЭМШ-1А. Только не надо говорить что это не вариант по возможности можно использовать электретный.

Данные трансформатора Т1: железо Ш5х7,5 79НМ-0,35, W1 = 240 витков проводом ПЭВ-2 диаметром 0,08 мм, W2 = 2200 витков проводом ПЭВ-2 диаметром 0,08 мм. Коэффициент усиления микрофонного усилителя на нагрузке 100 кОм, при R4 = 0 Ом, равен 2600.

Микрофонный усилитель потребляет ток 14 мА. Транзисторы VT1, VT2 могут иметь любые буквенные индексы. Вместо транзистора VT1 возможно применить транзистор КТ315 с любым буквенным индексом, а вместо VT2 – КТ361, также с любым буквенным индексом.

Генератор, на транзисторе VT3, собран по классической схеме. Это классическая трехточечная схема генератора с емкостной связью и кварцевым резонатором. Контур в цепи коллектора транзистора VT3 настроен на пятую гармонику с помощью подстроечного конденсатора С11, при использовании кварцевого резонатора QZ1 на частоту 17,58 МГц.

Кварцевый резонатор QZ1 включен через конденсатор С9, параллельно к которому подключен варикап CD1 через конденсатор С8. Таким образом при изменении величины емкости варикапа изменяется генерируемая частота.

Данные контура генератора, каркас можно взять любой подходящий по размерам диаметром 6,4 мм с канавками для уложения витков с шагом 0,3 мм, L1 содержит 6 витков провода ПЭВ-1 диаметром 0,38 мм с отводом от 3-го витка, счет от верхнего конца.

L2 содержит 2 витка провода ПЭВ-1 диаметром 0,38 мм и намотана возле “холодного” конца L1. Внизу каркаса наматывается L2, а затем – L1. Сердечник из латуни вводится в конец катушки L1, при этом возможно производить изменение индуктивности катушки.

Для получения частотной модуляции (ЧМ) использован варикап CD1, который изменяет свою емкость от низкочастотного сигнала, снятого с выхода вторичной обмотки трансформатора Т1. На варикап заводится также запирающее постоянное стабилизированное напряжение +6,8 В, поданное через вторичную обмотку трансформатора Т1.

Девиация ЧМ (ΔF) задается подбором величины емкости С8, контролируя качество сигнала по приему. Следует отметить, что чем больше емкость конденсатора С8, то девиация сигнала будет больше. Для увеличения девиации возможно также уменьшать емкость конденсатора С9.

Чувствительность от микрофона достаточно большая, и на расстоянии 0,8…1,2 м от радиомикрофона прослушивается разговор. Оптимальное расстояние до микрофона 30…40 см. Если возникнет необходимость уменьшить чувствительность микрофонного усилителя, то величину сопротивления резистора R4, отрицательной обратной связи, необходимо увеличить.

На транзисторе VT4 собран усилитель мощности, где сигнал с частотой 87,9 ±ΔF МГц получает дополнительное усиление. Транзисторы VT3 и VT4 также возможно взять с любыми буквенными индексами. Транзистор VT3 возможно заменить на КТ342, КТ349 с любыми буквенными индексами, а транзистор КТ603 возможно заменить на КТ608, КТ610 с любыми буквенными индексами.

С помощью подбора величины сопротивления резисторов R10 и R17, в зависимости от коэффициентов усиления по постоянному току h 21Э транзисторов VT3, VT4, возможно получить наибольшую отдаваемую в антенну мощность.

При настройке контуров необходимо пользоваться волномером. Катушка L3 бескаркасная с внутренним диаметром 9 мм и содержит 5 витков посеребренного провода диаметром 0,8 мм, намотанных с шагом 1 мм. Катушка L4 также бескаркасная и содержит 2 витка провода ПЭВ-2 диаметром 0,8 мм, намотанных рядом с L3, возле “холодного” конца. Задающий генератор, вместе с усилителем мощности, потребляют ток 9 мА. В целом радиомикрофон потребляет ток порядка 26 мА и его возможно питать от батареи типа крона.

Крона
Крона

В качестве антенны применена телескопическая антенна длиной 0,85м. Вот и все наверно предполагаю сразу вопросы зачем все это, да для самообразования не у всех есть переноски и радио няни может кто изъявит желания попробовать свои силы. Так вот всем всего доброго и спасибо тем, кто дочитал до конца.