Найти в Дзене
Электронщик

Как самостоятельно сделать блок питания для шуруповерта

Самый главный плюс аккумуляторного шуруповёрта - возможность автономного функционирования. Конечно, если пользоваться шуруповёртом достаточно часто, то он выйдет из строя. Вариант с покупкой новой батареи не актуален, поскольку, исходя из её стоимости, проще будет сразу купить новый шуруповерт. На мой взгляд, оптимальный выход из ситуации - переделать аккумулятор в БП (блок питания). Это обеспечивает возможность как сетевого, так и аккумуляторного питания. Собственно так я и поступил в случае со своим собственным инструментом. Конструкция шуруповёрта Конструкция шуруповерта  довольно проста : электродвигатель, клавиши запуска и аккумулятор. Примерные подсчёты показывают, что 75 % стоимости шуруповёрта составляет именно батарея. При неполадках с этим компонентом существует три рациональных решения проблемы: Что такое аккумулятор? Аккумуляторы (которые иначе называются аккумуляторными батареями) используются для того, чтобы накапливать электроэнергию и обеспечивать автономное функцион
Оглавление

Самый главный плюс аккумуляторного шуруповёрта - возможность автономного функционирования. Конечно, если пользоваться шуруповёртом достаточно часто, то он выйдет из строя.

Вариант с покупкой новой батареи не актуален, поскольку, исходя из её стоимости, проще будет сразу купить новый шуруповерт.

На мой взгляд, оптимальный выход из ситуации - переделать аккумулятор в БП (блок питания). Это обеспечивает возможность как сетевого, так и аккумуляторного питания. Собственно так я и поступил в случае со своим собственным инструментом.

Конструкция шуруповёрта

Конструкция шуруповерта  довольно проста : электродвигатель, клавиши запуска и аккумулятор.

Примерные подсчёты показывают, что 75 % стоимости шуруповёрта составляет именно батарея. При неполадках с этим компонентом существует три рациональных решения проблемы:

  • Починка имеющейся аккумуляторной батареи;
  • Работа с выносным аккумулятором (например, автомобильным);
  • Модернизация аккумулятора инструмента под сетевое питание;
  • Покупка нового элемента.

Что такое аккумулятор?

Аккумуляторы (которые иначе называются аккумуляторными батареями) используются для того, чтобы накапливать электроэнергию и обеспечивать автономное функционирование энергопотребляющих устройств. Вся батарея компонуется из некоторого числа последовательно соединённых аккумуляторов («банок»).

Напряжение каждого отдельного аккумулятора является частью общего, даваемого аккумуляторной батареей рабочего напряжения.

Определение неисправности аккумулятора

Вполне может оказаться, что у всей батареи неисправен только один элемент, а значит производить полную замену нет смысла, поэтому не поленитесь и проверьте каждую «банку» в ней.

Для такой проверки потребуется только обыкновенный  мультиметр. Изначально всю аккумуляторную батарею следует поставить на зарядку и дождаться пока она завершится, а после замерить уровень напряжения в каждом из элементов цепи и выявить,  где оно не соответствует номинальному. Именно эти элементы, скорее всего, подлежат замене.

Удостовериться в этом можно, если дождаться, когда батарея разрядится. Тогда производится повторная оценка уровня напряжения на каждой из банок. На неисправных элементах «проседание» уровня напряжения будет наиболее очевидным. И если такой элемент всего один, то гораздо проще заменить его.

В противном случае лучше будет просто отказаться от аккумулятора в пользу блока питания.

Что нужно учесть при замене батареи на блок питания

Подбирая блок питания шуруповерта, я ориентировался в первую очередь на его размеры, поскольку было необходимо, чтобы он "вписался" в корпус аккумулятора.

Для большей точности размер корпуса нужно вымерять изнутри, изъяв предварительно все составляющие компоненты.

Далее, я внимательно осмотрел корпус и нашёл там отметку об уровне питающего напряжения.

Потом, с учётом мощности и ориентируясь на напряжение, высчитал ток потребления (конечно, было бы гораздо лучше, будь он тоже уже указан, но его не было). Конечно, если к вычислениям душа не лежит, то можно попробовать выбрать блок питания  на  вскидку.

Когда я покупал себе питающий блок, то кроме потребляемого тока, оценил и уровень ёмкости слетевшего аккумулятора. Допустим, что ёмкость равняется 1,2 ампер/час, а времени на полную зарядку требуется около 2,5 часов, тогда вырабатываемый ток примерно равен промежуточному значению между этими двумя числами (1,9 А).

Чтобы не ошибиться с выбором перед походом в магазин, записал для себя следующие параметры, которые нужно учитывать, когда собираешься подключать блок питания шуруповерта своими руками:

  • Габариты;
  • I(min);
  • Необходимый уровень питающего напряжения.

По своему опыту могу отметить, что шуруповёрт  переделанный под питание от сети, становится гораздо легче. Лично для меня это был приятный момент ,ну а шнур с вилкой  непомеха.

Несколько рекомендаций

Значение при покупке или сборке шуруповёрта имеют не только технические характеристики, но и надёжность, лёгкость, удобство и незначительные габариты.

Немалую важность имеет и падающая нагрузочная характеристика . Во время перегрузок , именно она,  является главной страховкой инструмента от поломки. Хорошо, если конструкция устройства будет простой, а детали входящие в неё ,будут широко доступны.

Под выдвинутые мной требования подходили импульсные блоки питания, поскольку они гораздо компактнее трансформаторных. Хочу обратить ваше внимание на тот факт, большая часть китайской продукции такого плана имеет характеристики гораздо меньшие, чем те, что указаны на упаковке/корпусе, а советский БП обладает большими размерами и характеризуется низким КПД.

Приобрести блок питания можно на блошином рынке или рынке для радиолюбителей. Не забудьте обсудить с продавцом возможный возврат блока, а прежде, чем встраивать его, попробуйте просто подключить к инструменту и вкрутить 3 - 4 шурупа.

Переделка шуруповёрта

Когда я подобрал и проверил блок питания, то решил, что можно приступать к переделке.

Сначала снял корпус БП. Мне повезло, он крепился на саморезы, со склеенным пришлось бы возиться дольше. Если у вас всё-таки склеенный шов, то необходимо простучать его молотком, ещё можно попробовать разобрать его с помощью лезвия ножа, подбивая его молотком, тогда корпус точно поддастся.

Потом я взялся за вилку: отпаял шнур с выводами. Когда этот момент был выполнен, я поместил "обнажённый" блок питания в разъём для аккумулятора и через специальное отверстие в аккумуляторном корпусе подвёл к БП шнур для подключения к сетевому питанию. Выход блока с соблюдением полярности был соединён с клеммами. Потом всю конструкцию  поместил в аккумуляторный корпус.

Наконец,  попробовал вкрутить несколько шурупов - всё исправно работало.

Существует вариант, что устраивающий вас блок питания окажется слишком велик по размерам, тогда логично будет обустроить для него подходящий разъём в рукоятке.

В процессе работы нужно, чтобы батарея не находилась под напряжением, поэтому я подсоединил блок питания шуруповерта параллельно относительно питающих выводов, а на разрыве плюсового провода сделал диодный переход с необходимым уровнем мощности. При этом минусовой полюс сориентировал на мотор.

В независимости от качества используемого блока питания ,из-за уровня нагрузки, которую даёт действующий шуруповерт вероятность перегрева весьма высока. По этой причине я "расставил" элементы БП внутри корпуса максимально просторно.

Также подправить ситуацию можно дополнив управляющую микросхему несколькими новыми радиаторами. После внесения изменений обязательно производится проверочный запуск инструмента, который позволяет удостовериться в том, что шуруповерт не нагревается. Такая проверка поможет вам самостоятельно разобраться в том, для каких элементов особенно необходимо охлаждение. Возможно, что для решения данной проблемы понадобится сделать несколько отверстий в корпусе.

Автомобильный аккумулятор как замена родному

Если работать нужно, а розетки поблизости не оказалось, могу предложить воспользоваться автомобильным аккумулятором. То есть зажимы с шуруповерта можно просто перекинуть на этот аккумулятор. Но такое средство походит только для крайних случаев в качестве экстренной меры.

Обратите внимание: для большинства автомобильных аккумуляторных батарей уровень рабочего напряжения недостаточен, чтобы питать шуруповерт.  Тем более, что для таких целей никто не будет применять новые элементы, а у старых данный показатель едва достигает 11 Вольт, при том, что могут потребоваться все 19 Вольт. Как итог: малая эффективность инструмента, слабая сила кручения.

Блок питания от компьютера

Радиорынок богат таким продуктом. Тем более, что стоит он довольно мало. Для наших целей более всего подходят элементы АТ-типа.

Особенно удобно использовать компьютерный БП по той причине, что все его характеристики указаны правильно, а не так, как это происходит с некоторыми пусть даже и новыми элементами из Китая.

Блоки данной категории оснащены кнопкой включения и имеют встроенный охлаждающий вентилятор и у них  довольно хорошая система предотвращения перегрузки. Но если вы будете самостоятельно мастерить новый корпус, то обеспечьте наличие в нём достаточных размеров вентиляционного отверстия.

Компьютерный блок питания можно использовать как в собранном виде, так и в разобранном. В первом случае это будет выносной элемент, а во втором – встроенный в шуруповерт.  В компьютерном блоке питания вы найдёте всё, что только может понадобиться: трансформатор, достаточно мощная диодная сборка (у меня такая была на 5 Вольт) и т.д. А силовые транзисторы, например, можно взять от монитора того же компьютера. А микросхему для сборки можно купить, тем более, что стоит она всего-ничего.

Учтите, что диоды обязательно устанавливаются на теплоотвод и изолируются от радиатора с помощью слюдяных прокладок.

Самостоятельная сборка блока питания

Видоизменить шуруповерт таким образом, чтобы обеспечить ему возможность подключения к сети, можно и по-другому. Для этого нужно будет собрать переносной блок питания шуруповерта.

При проверке подобной схемы, я подключал к инструменту кабель с вилкой на одном конце.

Потом воспользовался блоком питания с соответствующими параметрами, но на эту роль подойдёт и трансформатор с выпрямителем (аналогично нужно учитывать соответствие параметров требуемым).

Если у вас мало опыта, то с трансформаторными катушками придётся попотеть. Многие вообще отказываются от данной затеи в связи с трудностями, которые возникают при высчитывании количества необходимых витков и выборе проволоки подходящего диаметра.  Делая обмотку, нужно понимать, что нужное количество витков не всегда может вместиться в один слой, поэтому обязательно тщательно изолируйте один слой от другого (учитывайте, что один виток при диаметре провода в 4 мм – это 2 вольта).

Наиболее удобным выходом будет воспользоваться трансформатором из старого или нерабочего устройства. Конечно, любой не подойдёт, нужно, как и всегда, учитывать сопадение параметров, а если всё в порядке то можно браться за сборку выпрямителя.

Спаивать выпрямительный мост придётся из полупроводникового диода. Важно оценить совпадение параметров этого элемента с требуемыми.

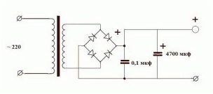
При наличии минимальной осведомлённости о том, как строятся электрические схемы, можно изготовить блок питания шуруповерта своими руками.

-2

Согласно приведённой схеме, собирая блок питания шуруповерта, можно применять трансформаторы из старых ламповых телевизоров или иной ненужной уже техники. При этом они должны обладать следующими характеристиками:

  • Уровень напряжения - 220 Вольт;
  • Мощность - 250-350 Ватт;
  • Уровень напряжения (вторичная обмотка) - 24-30 Вольт (можно не учитывать, если сила выходного тока составляет от 15 Ампер и более);
  • Не импульсный донор.

Кроме того, занимаясь сборкой блока питания не забывайте о необходимости качественной изоляции и обеспечения защиты от коротких замыканий. Для этих целей на входных и выходных цепях устанавливаются предохранители.

Увеличение мощности аккумулятора

Для обозначенной цели можно применить рабочие батареи от любых ныне бездействующих приборов. Я, например, брал литиевую батарею у убитого ноута (ток на 2,2 кА).

После извлечения требуемого элемента, припаял проводку от него к старой батарее (с соблюдением полярностей).

При последующей проверке подобная конструкция работала исправно. Для разъёма, через который производится зарядка, можно дополнить корпус специальным отверстием.

Зафиксировать новый аккумулятор можно при помощи термоклея. Тогда можно переходить к сборке корпуса.

Использование шуруповёрта: рекомендации

Модернизированный шуруповёрт нужно использовать руководствуясь следующими правилами:

  • Если вы непрерывно используете инструмент более четверти часа, то обязательно сделайте небольшую паузу;
  • Следите за чистотой БП, он не должен покрываться слоями пыли;
  • Не используйте блок, не оборудованный заземлением;
  • Переоборудованный шуруповёрт не подходит для работы на высоте более 2-х метров;
  • Нельзя подключать инструмент к сети через несколько последовательно соединённых удлинителей.

Соблюдение приведённых правил позволит долго и беспроблемно пользоваться шуруповёртом.

Пишите комментарии, дополнения к статье, может я что-то пропустил. Загляните на карту сайта Электронщик, буду рад если вы найдете на моем сайте еще что-нибудь полезное. Делитесь информацией в соцсетях, ставьте лайки, если вам понравилось - это поможет развитию канала