Найти в Дзене
ООО "КоСПА"

Управление горелками малой мощности

Компания ASCON TECNOLOGIC уже 50 лет занимается созданием и производством приборов для управления температурой. В серии статей мы расскажем на какие модели контроллеров-регуляторов современной серии KUBE вам стоит обратить внимание при выборе приборов управления горелками, в зависимости от ваших применений. Управление горелками малой мощности Для управления горелками малой мощности в задачах не требующей высокой точности поддержания температуры достаточно двухпозиционного (гистерезис, ON/OFF) регулятора\термостата. Обычно такое решение используется в водогрейных котлах, парогенераторах, небольших печах сжигания отходов и тому подобных применениях. В этом случае можно использовать базовую модель KUBE «KM1-HCRR-D----E---» в корпусе 48х48 мм, с универсальным аналоговым входом и двумя релейными выходами (на 4 и 2 А) для управления включением горелки и дополнительной сигнализации. Кроме того, контроллер имеет два дискретных входа для управления работой контроллера: переключения между режи
Оглавление

Компания ASCON TECNOLOGIC уже 50 лет занимается созданием и производством приборов для управления температурой. В серии статей мы расскажем на какие модели контроллеров-регуляторов современной серии KUBE вам стоит обратить внимание при выборе приборов управления горелками, в зависимости от ваших применений.

Управление горелками малой мощности

Для управления горелками малой мощности в задачах не требующей высокой точности поддержания температуры достаточно двухпозиционного (гистерезис, ON/OFF) регулятора\термостата. Обычно такое решение используется в водогрейных котлах, парогенераторах, небольших печах сжигания отходов и тому подобных применениях.

Примеры общего вида промышленных горелок
Примеры общего вида промышленных горелок

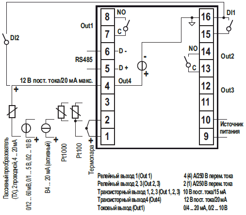
В этом случае можно использовать базовую модель KUBE «KM1-HCRR-D----E---» в корпусе 48х48 мм, с универсальным аналоговым входом и двумя релейными выходами (на 4 и 2 А) для управления включением горелки и дополнительной сигнализации. Кроме того, контроллер имеет два дискретных входа для управления работой контроллера: переключения между режимами работа\индикация и изменением предварительно заданных уставок температуры (SP1<->SP2 или SP1->SP2->SP3->SP4).

KM1-HCRR-D----E--- схема электрических подключений
KM1-HCRR-D----E--- схема электрических подключений

В случае если требуется дополнительный выход для дополнительной сигнализации или других решений можно использовать модель «KM1THCRRRD---E---» со встроенным независимым таймером и дополнительным релейным выходом.

ASCON TECNOLOGIC: KUBE для управления двухступенчатой горелкой

Полезные функции KUBE

Рекомендуем обратить внимание на следующие полезные в таких применениях функции функции KUBE:

  • di.A настройка выхода сигнализации в НЗ (NC, fail-state), тогда вы получите информацию не только о настроенной аварии, но и о пропадании питания или выхода прибора из строя (срабатывания Watchdog);
  • od задержка при включении питания (в чч.мм) для защиты горелки и оборудования от частых переключений питания;
  • dSPu состояние прибора при включении питания: AS.Pr запускается так же, как и до отключения питания; Auto запуск в автоматическом режиме; oP.0 запускается в ручном режиме с выходной мощностью, равной нулю; St.bY запускается в режиме ожидания;
  • Co.tY тип счетчика периодического обслуживания и h.Job пороговое значение этого счетчика.

Встроенный счетчик наработки t.Job (в днях) контроллера-регулятора активен и доступен всегда. Также, как и трехцветная индикации температуры на экране KM1, которая наглядно дает представлены о работе системы: температура ниже заданного – оранжевый, температура в допустимой зоне – зеленый, превышение температуры или авария – красный.

Контроллеры-регуляторы KUBE трех цветная индикация
Контроллеры-регуляторы KUBE трех цветная индикация

Сетевые подключения

Для подключения контроллеров-регуляторов к системам управления, панелям оператора и SCADA системам используются интерфейсы RS485 или Ethernet и протоколом связи Modbus RTU. Регулятор можно заказать как со встроенным портом RS485, так и докупить его позднее в виде адаптера ARS1. Для подключения к Ethernet используется адаптер AET1, который подключается к контроллерам без встроенного порта RS485.

Адаптеры AET1 и ARS1
Адаптеры AET1 и ARS1

В следующей статье мы расскажем о моделях KUBE, предназначенных для регулирования мощности\пламени горелки.

Управление мощностью горелки