Найти в Дзене
Electronics and schemes

Самодельный блок питания на микросхеме LM317T

Это довольно простая схема блока питания. Компоненты: Принцип работы Трансформатор понижает переменное напряжение до 25 В, можно было бы конечно взять трансформатор на 30, но если напряжение в сети поднимется то наша схема сгорит. Далее пониженое напряжение выравнивается до постоянного при помощи диодного моста, но даже после него остаются пульсации. Они убираются добавлением в схему конденсатора. Потом идет часть схемы отвечающая за регулировку напряжения. Переменным резистором мы можем менять напряжение на выходе схемы. Ну и фильтрующий помехи конденсатор на выходе завершает схему. Сборка Я советую собирать схему или на макетной плате или разводить плату самому, но можно старым добрым навесом. Микросхема LM317T выпускается в 2 корпусах. Диодный мост можно купить уже собраный, а можно собрать самому из выпрямительных диодов. По хорошему надо бы добавить в схему ключ перед трансформатором. На этом я прощаюсь с тобой мой читатель.
Оглавление

Это довольно простая схема блока питания.

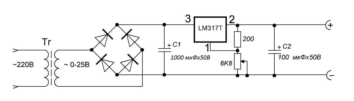
Схема
Схема

Компоненты:

  • Трансформатор 220В-25В
  • Диодный мост
  • Конденсатор электролитический 1000мкФ 50В
  • Конденсатор электролитический 100мкФ 50В
  • Микросхема LM317T
  • Резистор 200Ом
  • Переменный резистор 6кОм

Принцип работы

Трансформатор понижает переменное напряжение до 25 В, можно было бы конечно взять трансформатор на 30, но если напряжение в сети поднимется то наша схема сгорит. Далее пониженое напряжение выравнивается до постоянного при помощи диодного моста, но даже после него остаются пульсации. Они убираются добавлением в схему конденсатора. Потом идет часть схемы отвечающая за регулировку напряжения. Переменным резистором мы можем менять напряжение на выходе схемы. Ну и фильтрующий помехи конденсатор на выходе завершает схему.

Сборка

Я советую собирать схему или на макетной плате или разводить плату самому, но можно старым добрым навесом. Микросхема LM317T выпускается в 2 корпусах.

-2

-3

Диодный мост можно купить уже собраный, а можно собрать самому из выпрямительных диодов.

По хорошему надо бы добавить в схему ключ перед трансформатором.
На этом я прощаюсь с тобой мой читатель.