Добавить в корзинуПозвонить
Найти в Дзене
Radio-любитель

Транзисторный индикатор напряжения

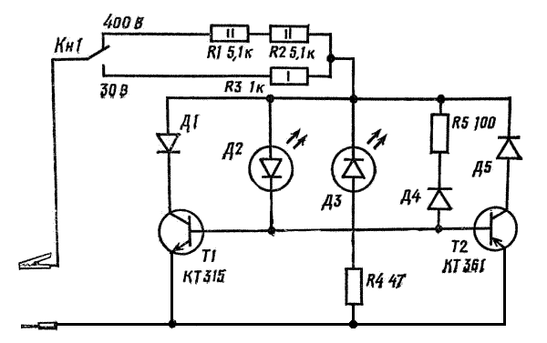
Транзисторный индикатор напряжения, схема которого представлена в статье дает возможность проверить наличие постоянного или переменного напряжения между двумя точками испытуемого электротехнического устройства в пределах от 3-30В и 30-380В. Индикаторами служат два светодиода Д1, Д2 их можно применить любые из доступных в ящике стола например из серии АЛ307. При постоянном токе светится один из них, а при переменном зажигаются оба светодиода. Светодиоды защищены транзисторами Т1, Т2. Падение напряжения на резисторе R4 открывает один из них, поэтому ток через светодиоды ограничен до 15 мА (излишний ток протекает через транзисторы). Диоды Д3, Д4 защищают транзисторы Т1, Т2 от пробоя при изменении полярности напряжения. Сопротивление резистора R5подбирают такой величины, чтобы на переменном токе оба светодиода светились одинаково. Диоды можно применить любые маломощные кремневые, например, Д219, Д220. Конструктивно индикатор можно собрать в подходящем пластиковом корпусе

Схема индикатор напряжения
Схема индикатор напряжения

Транзисторный индикатор напряжения, схема которого представлена в статье дает возможность проверить наличие постоянного или переменного напряжения между двумя точками испытуемого электротехнического устройства в пределах от 3-30В и 30-380В.

Индикаторами служат два светодиода Д1, Д2 их можно применить любые из доступных в ящике стола например из серии АЛ307. При постоянном токе светится один из них, а при переменном зажигаются оба светодиода. Светодиоды защищены транзисторами Т1, Т2. Падение напряжения на резисторе R4 открывает один из них, поэтому ток через светодиоды ограничен до 15 мА (излишний ток протекает через транзисторы).

Диоды Д3, Д4 защищают транзисторы Т1, Т2 от пробоя при изменении полярности напряжения. Сопротивление резистора R5подбирают такой величины, чтобы на переменном токе оба светодиода светились одинаково. Диоды можно применить любые маломощные кремневые, например, Д219, Д220. Конструктивно индикатор можно собрать в подходящем пластиковом корпусе