Добавить в корзинуПозвонить
Найти в Дзене
Radio-любитель

Усилитель для наушников на лампах

Усилитель для наушников с выдающимся качеством звука можно построить с использованием легкодоступных компонентов. Исключение выходного трансформатора, избежание общей отрицательной обратной связи и использование хороших конденсаторов связи гарантируют высоко линейную частотную характеристику, в то время как некоторые методы конструирования дают низкие перекрестные помехи в канале. Специалисты по лампам знают, что даже силовые лампы, которые могут выдавать несколько сотен миллиампер анодного тока, никогда не смогут работать с громкоговорителем с низким сопротивлением нагрузки 8 Ом, поскольку внутреннее сопротивление лампы составляет несколько ком. Таким образом, два сопротивления почти всегда согласованы с использованием трансформатора. В принципе, нет никаких возражений против использования этой формы согласования сопротивления, но каждый трансформатор имеет тенденцию ухудшать качество звука. Чтобы свести этот эффект к минимуму, требуются очень осторожные и сложные методы намотки к

Вид платы в сборе
Вид платы в сборе

Усилитель для наушников с выдающимся качеством звука можно построить с использованием легкодоступных компонентов. Исключение выходного трансформатора, избежание общей отрицательной обратной связи и использование хороших конденсаторов связи гарантируют высоко линейную частотную характеристику, в то время как некоторые методы конструирования дают низкие перекрестные помехи в канале.

Специалисты по лампам знают, что даже силовые лампы, которые могут выдавать несколько сотен миллиампер анодного тока, никогда не смогут работать с громкоговорителем с низким сопротивлением нагрузки 8 Ом, поскольку внутреннее сопротивление лампы составляет несколько ком. Таким образом, два сопротивления почти всегда согласованы с использованием трансформатора.

В принципе, нет никаких возражений против использования этой формы согласования сопротивления, но каждый трансформатор имеет тенденцию ухудшать качество звука. Чтобы свести этот эффект к минимуму, требуются очень осторожные и сложные методы намотки катушки трансформатора, хорошее качество трансформаторного железа и большие поперечные сечения сердечника.

Однако, если сопротивление нагрузки составляет не просто несколько Ом, а несколько сотен Ом, как в случае со многими типами наушников, и кроме того, требуемый уровень мощности не слишком высок, усилитель без выходного трансформатора - иногда называют бестрансформаторного (OTL) усилителя - может быть осуществимым вариантом.

В этом случае нагрузка приводится в действие непосредственно лампой. Описанный здесь усилитель OTL представляет собой конструкцию с катодным повторителем, подходящую для использования с одиночными или сдвоенными наушниками, причем каждый элемент наушников должен иметь номинальное сопротивление не менее 300 Ом.

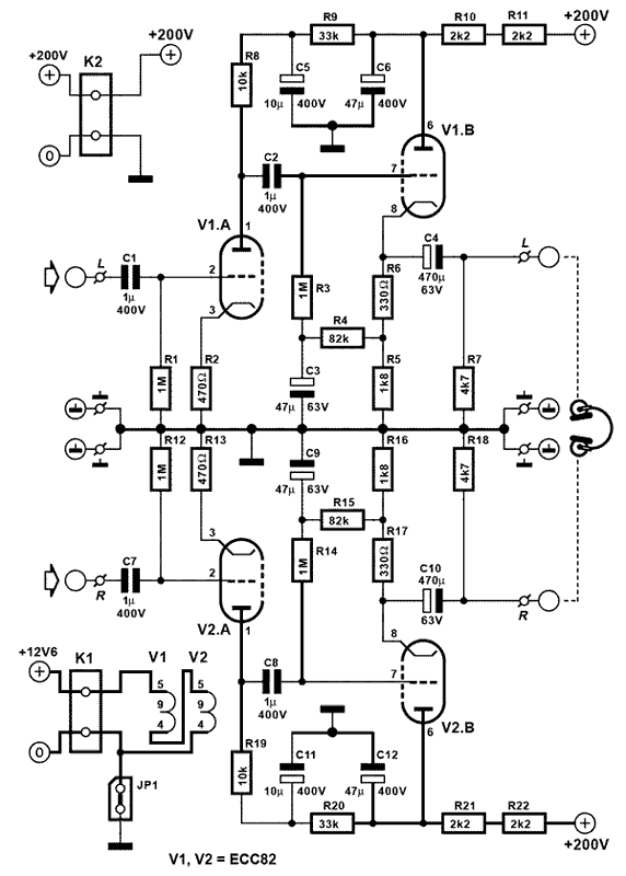
Схема, показанная на рисунке, использует легкодоступную лампу ECC82 двойной триод для обеспечения усиления.

Схема усилителя
Схема усилителя

Предусилитель необходим для усиления сигнала до определенной амплитуды, достаточной для качественного воспроизведения наушниками. Для этой цели используется триод с контактами 1, 2 и 3.

Входной сигнал поступает на печатную плату через внешний логарифмический потенциометр на 50 кОм (P1, на схеме не показан), который служит в качестве регулятора громкости, и напрямую подключается к каскаду предварительного усилителя через C1. R1 обеспечивает необходимое отрицательное смещение сетки. Коэффициент усиления по существу определяется R8, а максимальное входное напряжение определяется R2. R9 имеет такие параметры, что ток анода находится в наиболее линейной части характеристической кривой.

Инвертированный и усиленный входной сигнал с анода подается на сетку второго каскада усиления через конденсатор C2. Катодный резистор второго каскада разделен на два резистора (R5 и R6). Последовательное сопротивление R5 и R6 формирует сопротивление нагрузки, в то время как делитель напряжения, обеспечиваемое парой резисторов, позволяет смещению сетки быть установленным на надлежащий уровень.

Ток анода, протекающий через триод, который зависит от напряжения и соответствующей характеристической кривой, генерирует напряжение на резисторах R5 и R6, которые задают рабочий ток. Это напряжение в свою очередь подается на наушники через конденсатор связи С4. R7 поддерживает выходной потенциал для сигналов постоянного тока во избежание потрескивания при подключении наушников.

Блок питания для усилителя наушников показан на рисунке.

Схема блока питания
Схема блока питания

Высокое напряжение генерируется с помощью стандартного сетевого трансформатора. Обмотка, обычно предназначенная для использования в качестве вторичной обмотки, подключается к 12-вольтовым клеммам фактического сетевого трансформатора. Это приводит к напряжению холостого хода около 200В переменного тока на первичной обмотке «обратного» трансформатора, который служит в качестве анодного трансформатора питания. Это переменное напряжение выпрямляется, а затем сглаживается с помощью конденсатора C14. Напряжение накала постоянного тока выпрямляется с помощью диодов D5 – D8, а затем также сглаживается с помощью конденсатора C15.

Внешний вид платы блока питания
Внешний вид платы блока питания

Конденсаторы, соединенные параллельно с диодами, подавляют высокочастотный шум, создаваемый диодами. Напряжение 12,6В стабилизированно с использованием стабилизатора LM2940CT12 с кремниевым диодом в заземляющем выводе. Светодиод D10 не только служит индикации включения, но также работает вместе с R1 и R2, чтобы обеспечить минимальную нагрузку и разрядку конденсатора C14, даже если нагрузка не подключена.

Печатка блока питания
Печатка блока питания

Компоновка печатной платы для усилителя, как показано на рисунке , разработана таким образом, чтобы можно было использовать не только «обычные» конденсаторы MKS4 для C1, C2, C7 и C8, но также конденсаторы с разнесением выводов 15 или 22,5 мм, например, типа WIMA MKP4. Эти конденсаторы имеют более высокие напряжения пробоя, что делает их лучше для звуковых цепей.

Печатная плата усилителя
Печатная плата усилителя

Для электролитических конденсаторов большого емкости (C6 и C12) могут использоваться с расстоянием между выводами 5 или 7,6 мм или радиальные с расстоянием между выводами 10 мм. Желательно использовать электролитические конденсаторы с низкой индуктивностью, предназначенные для высокочастотных цепей, и в любом случае они должны быть рассчитаны на работу при 105 ° C. Питание подается на отдельные каналы через комбинацию R10 и R11 или R21 и R22 соответственно. Эти резисторы рассеивают около 0,18–0,25 Вт в зависимости от напряжения питания. Обязательно используйте резисторы с номинальной мощностью.