Добавить в корзинуПозвонить
Найти в Дзене
ДрайвПульс

Стоимость подвески на BMW E34

На BMW E34 подвеска практически вечная? Так думают, или хотят думать многие поклонники, или желающие купить такую машину. Но на самом деле, не смотря на очень внушительный ресурс некоторых элементов подвески, свой предел живучести есть и у них. Это особенно актуально по отношению к задней подвеске. Ведь, если передняя ходовка на этой машине хоть редко, но обслуживается, то о задней многие просто забывают. Некоторые владельцы Е34 знают насколько трудоемко обслуживание задней подвески, поэтому очень боятся ее ремонта. А некоторые даже планируют продажу автомобиля, догадываясь, или зная, что там уже нужен ремонт. Строение задней подвески Е34 Прежде всего, стоит понимать, что, как и на многих — других, классных автомобилях задняя ходовка Е34 крепится не просто к кузову, а она прикреплена к подрамнику, который уже крепится к кузову. Массивный, задний подрамник крепится к кузову через большие сайлентблоки. И вот именно замена данных элементов навевает тоску на многих владельцев таких автом
Оглавление

На BMW E34 подвеска практически вечная?

Так думают, или хотят думать многие поклонники, или желающие купить такую машину. Но на самом деле, не смотря на очень внушительный ресурс некоторых элементов подвески, свой предел живучести есть и у них. Это особенно актуально по отношению к задней подвеске.

BMW E34
BMW E34

Ведь, если передняя ходовка на этой машине хоть редко, но обслуживается, то о задней многие просто забывают. Некоторые владельцы Е34 знают насколько трудоемко обслуживание задней подвески, поэтому очень боятся ее ремонта. А некоторые даже планируют продажу автомобиля, догадываясь, или зная, что там уже нужен ремонт.

Строение задней подвески Е34

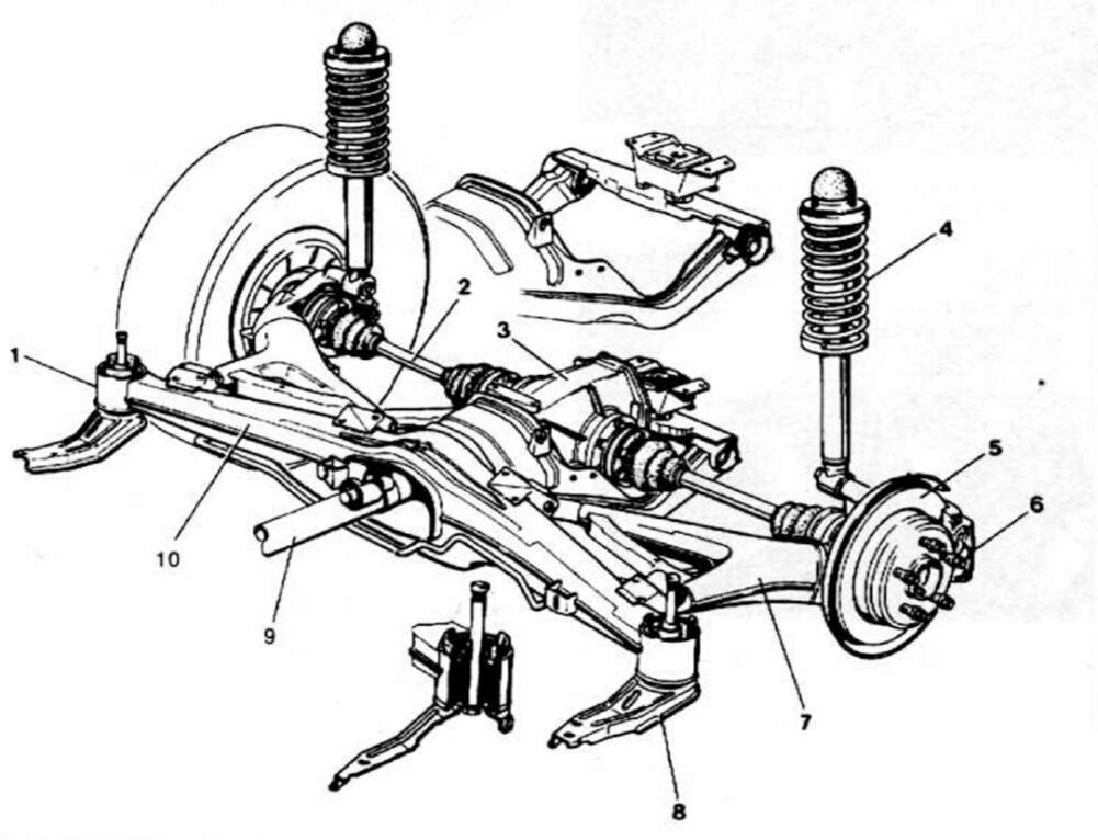
Прежде всего, стоит понимать, что, как и на многих — других, классных автомобилях задняя ходовка Е34 крепится не просто к кузову, а она прикреплена к подрамнику, который уже крепится к кузову. Массивный, задний подрамник крепится к кузову через большие сайлентблоки. И вот именно замена данных элементов навевает тоску на многих владельцев таких автомобилей. Пусть два сайлентблока стоят не так и дорого, их можно купить уже за 50 долларов, но сложность работы по выпрессовке старых сайлентблоков заставляет задуматься многих. В случае, когда данные сайлентблоки уже убиты, они сплющиваются под массой автомобиля, при этом зажимая троса системы ручного тормоза между кузовом и подрамником. При этом задние колеса становятся домиком, - это очень заметно со стороны. Последний момент способствует неравномерному износу резины.

1 - Резиновая опора (сайлентблок) 
2 - Приводной вал.
3 - Картер главной передачи.
4 - Пружина подвески.
5 - Диск тормозного механизма.
6 - Тормозной механизм.
7 - Диагональный рычаг.
8 - Кронштейн.
9 - Карданный вал.
10 - Балка заднего моста.
1 - Резиновая опора (сайлентблок) 2 - Приводной вал. 3 - Картер главной передачи. 4 - Пружина подвески. 5 - Диск тормозного механизма. 6 - Тормозной механизм. 7 - Диагональный рычаг. 8 - Кронштейн. 9 - Карданный вал. 10 - Балка заднего моста.

К заднему подрамнику, через четыре специальных сайлентблока крепятся рычаги задней подвески. Четыре сайлентблока будут стоить порядка сорока долларов, но и их замена будет очень трудоемкой. С завода Е34 оснащалась хорошими амортизаторами SACHS 290275, но в виду огромных пробегов, сегодня эти амортизаторы находятся в лучше случае, не в самом свежем состоянии, а иногда они полностью убиты. Сегодня можно купить такие амортизаторы новыми, один будет стоить 70 долларов. При снятии амортизаторов будет сниматься опорный подшипник амортизатора и пружина. Эти элементы ходовой части также могут быть повреждены и требовать замены. Дна опора на Е34 стоит порядка 15 — 20 долларов, стоимость пружины составляет 30 долларов.

Не все об этом знают, но на Е34 установлена задняя, пассивно подруливающая подвеска. Где задние колеса могут подруливать в крутых поворотах на несколько градусов. Это возможно благодаря специальным, плавающим сайлентблокам, которые в народе называют «яйцами». И именно эти элементы задней ходовки служат менее всего. Так если амортизатором и сайлентблоков заднего подрамника может хватать и на 400 000 км пробега, то «яйца» которые проходили 100 000 км можно считать очень удачными. Два «яйца» которые устанавливаются по обе стороны автомобиля, стоят под 40-ок долларов за хорошие неоригинал типа SWAG.

Передняя подвеска на Е34

Передняя ходовка на E34 состоит из четырех рычагов, которые не отличаются такой — же вечностью как рычаги задней подвески.

-3

Так хороших рычагов может хватить на 200 000 км, но если запчасти попались не совсем качественными, то они могут не проходить и 50 тысяч километров. Стоимость передних амортизаторов на 15-20% выше, задних. Передняя подвеска включает в себя два поперечных стабилизатора, которые стоят по 10-15$ и являются самой, частоменяемой деталью передней подвески.

BMW Е34 — быстрый, комфортный и выносливый автомобиль. Но к сожалению не все, покупающие данный автомобиль, люди, готовы его содержать. Исправная и не запущенная машина будет просить не более 200$ в год, но в запущенный экземпляр будут уходить тысячи долларов.