Добавить в корзинуПозвонить
Найти в Дзене
ЭлектроХоббит

Усилитель на К174УН7

Статья о суперусилителе, который рвет динамики. Хотелось бы..Но на самом деле в закромах нашел десяток микросхем К174УН7. Хорошая микросхема была в свое время, применялась везде. Ее можно встретить в телевизорах, магнитофонах, радиоприемниках и много еще где. Сейчас эта микросхема устарела морально, но она способна порадовать нас своим особенным звучанием. Ниже приведены электрические параметры микросхемы К174УН7. Из таблицы мы видим, что выходная мощность микросхемы 4,5 Вт, что вполне сгодится для самодельного усилителя звука, например, компьютера. Схема принципиальная усилителя на К174УН7. Это типовое включение этого усилителя. Особенность данной микросхемы - это искажения около 10% на выходной мощности 4,5 Вт, что видно из таблицы. Поэтому сразу обратим внимание на нестандартное включение этой микросхемы. Здесь применена обратная отрицательная связь и усилитель на транзисторе VT1, что дает возможность снизить коэффициент гармоник до 1-2%. Микросхема сильно нагревается и без хо

Статья о суперусилителе, который рвет динамики. Хотелось бы..Но на самом деле в закромах нашел десяток микросхем К174УН7. Хорошая микросхема была в свое время, применялась везде. Ее можно встретить в телевизорах, магнитофонах, радиоприемниках и много еще где. Сейчас эта микросхема устарела морально, но она способна порадовать нас своим особенным звучанием.

Ниже приведены электрические параметры микросхемы К174УН7.

Из таблицы мы видим, что выходная мощность микросхемы 4,5 Вт, что вполне сгодится для самодельного усилителя звука, например, компьютера.

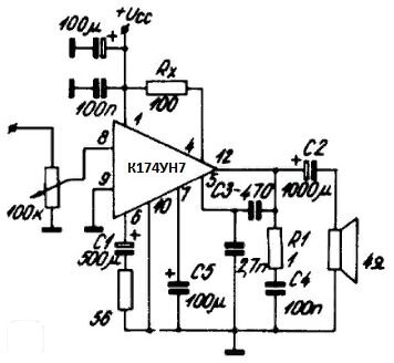
Схема принципиальная усилителя на К174УН7. Это типовое включение этого усилителя.

Особенность данной микросхемы - это искажения около 10% на выходной мощности 4,5 Вт, что видно из таблицы.

-2

Поэтому сразу обратим внимание на нестандартное включение этой микросхемы.

-3

Здесь применена обратная отрицательная связь и усилитель на транзисторе VT1, что дает возможность снизить коэффициент гармоник до 1-2%.

Микросхема сильно нагревается и без хорошего охлаждения выйдет из строя, поэтому я применю и подгоню печатную плату под вот эти замечательные радиаторы от магнитолы Ореанда-203-стерео.

-4

Сразу хочу оговориться, что можно конечно подать напряжение 12В на этот модуль и будет усилитель, очень даже согласен! Но что задумано, то задумано.

Так как микросхема одноканальная для стереоусилителя нужны две таких микросхемы.

Итак, в планах найти детали для нашего усилителя, схему блока питания. К усилителю применим простенький темброблок НЧ и ВЧ, послушаем, испытаем и...посмотрим, что из этого получиться. Спасибо всем за внимание и ценные комментарии.