Найти в Дзене
Техно МАН

Горизонтальный 4 дроссельный карбюратор Weber/Solex/Delorto настройка.

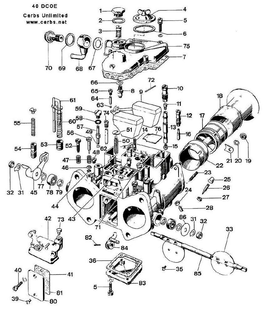
Горизонтальный 4 дроссельный карбюратор Weber/Solex/Delorto настройка!! Что представляют собой горизонтальные карбюраторы. По сути это отдельный карбюратор спаренный в блоке (парами) .Имеющий независимую настройку. Основная цель которых большая пропуская способность за счет большого сечения диффузора и заслонки. Быстрый отклик на педаль акселератора. Более правильная дозировка топлива в каждый цилиндр за счет уменьшения пульсации . Разберем детально что представляет собой Цельный корпус (моноблок). имеющий одну ось на которой установлен привод двух независимых карбюраторов. Каждый карбюратор имеет общую систему питания поплавковую камеру и привод ускорительного насоса. Далее каждый карбюратор имеет свой набор жиклеров .трубку вентури. диффузор и флейту. Карбюратор Weber/Solex/Delorto имеют принципиально одинаковый конструктив. Основные отличия в подготовке топли воздушной смеси более развитая трубка вентури у webera. Более продуманная конструкция по замене главных топливных жикл

Горизонтальный 4 дроссельный карбюратор Weber/Solex/Delorto настройка!!

Фото и иллюстрации взяты из открытых источников
Фото и иллюстрации взяты из открытых источников

Что представляют собой горизонтальные карбюраторы. По сути это отдельный карбюратор спаренный в блоке (парами) .Имеющий независимую настройку.

Основная цель которых большая пропуская способность за счет большого сечения диффузора и заслонки.

Быстрый отклик на педаль акселератора. Более правильная дозировка топлива в каждый цилиндр за счет уменьшения пульсации .

Разберем детально что представляет собой

Фото и иллюстрации взяты из открытых источников
Фото и иллюстрации взяты из открытых источников

Цельный корпус (моноблок). имеющий одну ось на которой установлен привод двух независимых карбюраторов.

Каждый карбюратор имеет общую систему питания поплавковую камеру и привод ускорительного насоса.

Далее каждый карбюратор имеет свой набор жиклеров .трубку вентури. диффузор и флейту.

Карбюратор Weber/Solex/Delorto имеют принципиально одинаковый конструктив.

Основные отличия в подготовке топли воздушной смеси более развитая трубка вентури у webera. Более продуманная конструкция по замене главных топливных жиклеров .К примеру на solexe надо каждый раз снимать карбюратор с двигателя так как доступ к нему находится под ускорительным насосам а тот в свою очередь стоит снизу карбюратора.

В отличии на webere delorto это цельная трубка и ускорительный насос снимать не нужно. (вид как на фото).

И вот вы стали счастливым обладателем данных девайсов .Карбюраторы вам достались новыми или бу с не разбитыми заслонками в хорошем состоянии. жиклеры подобраны в соответствии с вашим мотором . диффузоры имеют нужный диаметр под соответствующую мощность. и.т.д

Как же их настроить???

Во первых нам нужно предварительно их опробовать снятыми .Для этого в каждый карбюратор наливается шприцом определенное количество топливо . Несколько раз нажимает на рычаг. ускорительный насос впрыскивает топливо . Нужно замерить синхронность потребления расхода. Разброс здесь недопустим.

Так же предварительно выставляем зазор на дроссельных заслонках при помощью щупа и регулировочного винта. Грубая синхронизация закончена.

Далее устанавливаем наши карбюраторы через приставочные кольца(они нужны для гашения резонансного эффекта).

Подключаем привод газа. Привод обогащения смеси (подсос) и и вакуумную трубку ускорительного насоса.

Двигатель должен быть абсолютно исправным !! То есть иметь малый разбег в компрессии. отрегулированные клапана . зажигание и исправный ГРМ.

Производим пробный пуск. газовать не нужно. карбюраторы имеют независимую систему холостого хода.

Мотор завелся его немного колбасит .Это нормально.

Приступаем к настройки режима холостого хода. Для этого нам понадобятся вакуумметры и ШДК лямда зонд. Можно заменить ИКС-1 для наших целей он вполне сгодится.

Фото и иллюстрации взяты из открытых источников
Фото и иллюстрации взяты из открытых источников

Фото и иллюстрации взяты из открытых источников.
Фото и иллюстрации взяты из открытых источников.

Подключаем вакуумметры . Видим разброс. Регулировку начинаем блоками парами обходными винтами. Сводим к максимальному значению . Далее регулируем парами карбюраторы. парным регулировочным болтом.

И вот наше значение имеет одинаковое показание на датчиках. глушим мотор ставим ИКС-1 в 1 цилиндр заводим и регулируем первый карбюратор винтом обогащения смеси по зеркалу пока не увидим голубое свечение.Что соответствует полному сгоранию топлива. И. Т .Д 1-4 цилиндр.

Далее включаем все потребители свет.печка . смотрим просадку по оборотам . Если она ощутима то винтами качества смеси равномерно во все карбюраторы делаем четверть оборота. (обычно это делать не нужно)

Еще раз смотрим на показатели вакуумметров . Если все норм.Можно их снимать наши карбюраторы синхронизированы.

Следующие регулировки производятся в движении расходе ускорении .

И сводятся по сути в подборе пар жиклеров ускорительного насоса. главной трубки вентури. Подбором диффузоров в случае провалов при ускорении (при этом смесь в норме). Подбором флейт если ваш мотор оборотистый и мало объемный то требуются более короткие. Если же тяговый с низов то длину впуска увеличиваем за счет флейт и заряда динамики смеси.

Это индивидуально для каждого мотора. Но синхронизация производится на всех абсолютно одинаково.

Если есть вопросы и опыт владения горизонтальными карбюраторами делитесь!