Найти в Дзене
Дмитрий Маленда

Генератор наноимпульсов для георадара. Продолжение эпопеи.

Есть у меня один проект из домашних поделок - это Георадар повышенной "чувствительности". И хотя слово - "чувствительность" здесь не совсем уместно, однако оно достаточно емко отображает суть.
Георадар - это такой локатор - который направляют в землю и смотрят в срезе что в ней находится и на какой глубине, будь то камни .. разная порода .. либо пустоты.
Георадар состоит из двух подмодулей:
1 - М

Есть у меня один проект из домашних поделок - это Георадар повышенной "чувствительности". И хотя слово - "чувствительность" здесь не совсем уместно, однако оно достаточно емко отображает суть.

Георадар - это такой локатор - который направляют в землю и смотрят в срезе что в ней находится и на какой глубине, будь то камни .. разная порода .. либо пустоты.

Георадар состоит из двух подмодулей:

1 - Модуль передатчика. Это устройство которое формирует специальный, сверхкороткий импульс наносекундного диапазона, который направляется в антенну и излучается в землю, проходя сквозь неё и частично отражаясь от неоднородностей.

2 - Модуль приемника. Это устройство которое по средству другой/той же антенны принимает отраженный сигнал\импульс из земли, и анализирует его, особым образом интерпретируя.

Георадары на рынке есть всякие разные, хоть и стоят они довольно дорого, но все они "играют" по классическим правилам "классической" схемотехники. Я же решил попробовать пойти иным путем - и собрать прибор - который бы работал на так называемых "продольных ЭМ волнах". Если не вдаваться в дебаты\подробности что такое продольные ЭМ волны и существуют ли они вообще - то георадар спроектированный с их применением будет обладать большой "проникающей способностью", ибо из "теории" известно что продольные ЭМ волны обладают на порядок меньшим к.затухания в материальных средах.

В общем для проверки теории работы такого георадара, мне понадобилось собрать передатчик, способный формировать импульсы наносекундной длительности, и специальные антенны. Ниже речь пойдет о сборке именно передатчика.

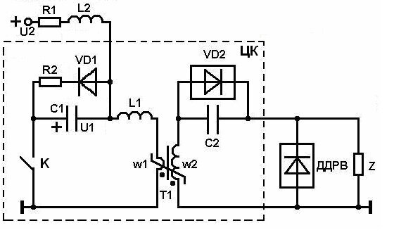
Итак - генератор для передатчика я собрал по схеме ДДРВ. Это схемотехника на основе диодов с резким восстановлением и насыщающимся трансформатором.

Базовая принципиальная схема такой схемотехники ниже:

Рис . 1. Принципиальная схема генератора ДДРВ
Рис . 1. Принципиальная схема генератора ДДРВ

В процессе проектирования своей схемы я руководствовался работой Короткова Дмитрия. Его работу можно найти в сети. В работе так же есть теоретическое обоснование схемы.

В моем случае генератор состоял из двух блоков:
а) источник питания формирующий три напряжения +5В,+15В и +170/+230В
б) генератор на базе ДДРВ.

Перед сборкой устройства, я собрал компьютерную модель в программе LTspice и промоделировал её, определился с ключевыми параметрами схемы и её функциональными зависимостями. Результат моделирования представлен ниже:

Рис.2. Моделирование ДДРВ
Рис.2. Моделирование ДДРВ

Ну а далее была сборка первой модели генератора.

Рис.3. Сборка первой модели генератора
Рис.3. Сборка первой модели генератора

В качестве ДДРВ я применил сборку из диодов MURS360 сгруппированных по 6 параллельно и по 2 последовательно.

В итоге получилась составная конструкция из двух плат, верхняя - генератор, нижняя - блок питания:

Рис. 4. Генератор в сборе.
Рис. 4. Генератор в сборе.

В качестве сердечника для трансформаторного ключа я применил кольца из феррита типоразмера R10 - три кольца в параллель ( на фото белые ), с большой проницаемостью.

И вот его Величество - результат.

На нагрузке 50R генератор формировал следующий импульс:

Рис. 5. Импульс на нагрузке 25R через атенюатор 40db
Рис. 5. Импульс на нагрузке 25R через атенюатор 40db

Амплитуда импульса на нагрузке 50Ом - 1100В, и длительность импульса по основанию - 9нс. Неплохо.

Видео работы передатчика на нагрузку 25Ом

Пара слов о накачке - в качестве задающего генератора я применил программируемую логику ( ПЛИС ) MAX2, и на её основе написал простенький генератор. Длительность импульса накачки составляет 100нс. ПЛИС в состоянии формировать сигнал с фронтом около 1нс, в моем случае он имеет следующий вид:

Рис. 6. Форма управляющего импульса с ПЛИС
Рис. 6. Форма управляющего импульса с ПЛИС

Сигнал с плис поступает на составной драйвер на базе двух UCC37322, которые в свою очередь напрямую управляют полевиком STB18N55.
Осциллограмма на его затворе:

Рис.7. Сигнал на затворе транзистора накачки
Рис.7. Сигнал на затворе транзистора накачки

Результат довольно неплохой, но мне хотелось выжать из схемы большего - а именно, попытаться уменьшить длительность выходного импульса.

Если кратко - то длительность выходного импульса зависит от паразитной индуктивности трансформаторного ключа, паразитной индуктивность всей вторичной цепи - и сопротивления выходной нагрузки.

То есть, для того чтоб получить более короткий импульс - нужно оптимизировать трансформатор, увеличить к.связи между обмотками, и уменьшить индуктивность всех подводящих цепей.

Было принято решение собрать новую конструкцию, с учетом вышесказанного.

Трансформатор было решено выполнить в виде трубки, где сердечник находится внутри. Конструктивное исполнение трансформатора можно увидеть ниже:

Рис. 8. Сборка нового генератора и трансформатора.
Рис. 8. Сборка нового генератора и трансформатора.

Трансформатор на фото в верхней части ждет своей установки.

В качестве сердечника на этот раз применил два кольца Epcos R16 из материала Т38. Почему Т38 ? - потому что у него очень крутая петля гистерезиса - это добавляет крутизну импульсу.
Плата состоит из двух "частей" - первая часть это источник питания - обычная дроссельная повышалка на UC3843, которая формирует выходное напряжение в диапазоне от 100В до 600В - регулится.
Вторая часть платы - это сам генератор состоящий из полумостовой схемы накачки и трансформатора с вторичными цепями.
Транс и вторичные цепи спрятаны в медную трубку которая служит одним большим низкоимпедансным земляным полигоном и так же первичкой для транса.

Рис.9. Вторая версия генератора в сборе.
Рис.9. Вторая версия генератора в сборе.

Первичная емкость была выполнена из двух конденсаторов на 68nF 630V марки NP0, вторичная емкость - 4 конденсатора на 220пФ 1КВ той же марки.
Трансформатор выполнен с к.тр. 1 к 5.

Теперь самое интересное - в качестве диодов прогнал три разных экземпляра - STTH212, SiC диоды C4D02120E, SiC диоды IDM05G120C5XTMA1.
Последние два диода - это карбидкремниевые - самое крутое что есть на сегодня в силовухе.
Погоняв все три диода, обнаружил что карбидкремниевые в этом устройстве работают
хуже чем обычные кремниевые ультрафасты. В результате STTH212 показали самый лучший результат.
Конечный результат на данный момент таков - при питании генератора напряжением в 350В, на выходе с 4 диодами STTH212 получается импульс амплитудой порядка 1500В на плохо-согласованную нагрузку в 39Ом ( в качестве нагрузки импульсный ВЧ резистор OY39GKE) .

Рис. 10. Испытание нового генератора на нагрузку 39Ом
Рис. 10. Испытание нового генератора на нагрузку 39Ом
Рис. 11. Импульс на плохо-согласованной нагрузке 39Ом
Рис. 11. Импульс на плохо-согласованной нагрузке 39Ом

Вот как то так.

Танцы вокруг нового генератора продолжаются.

Спустя время выходную часть слегка изменил, уменьшил выходную проходную емкость до 220пф, и уменьшил нагрузку до 25Ом, а так же подключил все это хозяйство к новому СВЧ осциллографу. Длительность импульса удалось сжать до 6нс. При этом передний фронт получился порядка 1,4нс. Амплитуда естественно просела.

Вот так это выглядит:

Рис. 12. Улучшенная форма импульса
Рис. 12. Улучшенная форма импульса

На этом пока все, продолжение следует.