Добавить в корзинуПозвонить
Найти в Дзене

Акустическая система своими руками.

Всем привет! Хочу коротко рассказать, как я строил акустическую систему по проекту Алексея Александрова 8851(http://avaaudio.my1.ru/). Технические характеристики:
Рекомендованная мощность усилителя, Вт: от 25
Рабочая площадь помещения, кв. метров: до 70
Номинальная мощность, Вт: 125
Сопротивление, Ом: 8 (минимальное 4,7Ом)
Частотный диапазон при ±3дб, Гц: 38-22000
Чувствительность при 2,83в, дБ: 93
Габариты, ВхШхГ, мм: 1000х260х320
Масса, кг: 30 Собирался долго, больше года. Почти год ушел на создание комплекта. Корпуса сделаны из мдф-16, кроил на мебельном производстве, детали для фильтров заказал в профильной группе в ВК. В общем и целом работа заняла время с августа 2016 по май 2017, вечерами, выходными, с большими перерывами на постройку дома. Ушло 10 баллончиков краски (черной, матовой), два баллончика грунтовки, 1 банка шпаклевки. Шипы заказал в мастерские в своей организации по чертежам из интернет, вытяжные гайки и декоративные винты - Алиэкспресс. Монтаж плат фил

Всем привет! Хочу коротко рассказать, как я строил акустическую систему по проекту Алексея Александрова 8851(http://avaaudio.my1.ru/).

Итог
Итог

Технические характеристики:
Рекомендованная мощность усилителя, Вт: от 25
Рабочая площадь помещения, кв. метров: до 70
Номинальная мощность, Вт: 125
Сопротивление, Ом: 8 (минимальное 4,7Ом)
Частотный диапазон при ±3дб, Гц: 38-22000
Чувствительность при 2,83в, дБ: 93
Габариты, ВхШхГ, мм: 1000х260х320
Масса, кг: 30

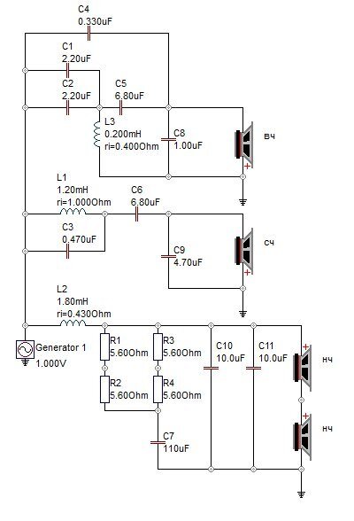
Схема
Схема
Чертеж корпуса
Чертеж корпуса
Используются два бумажных 8 дюймовых НЧ динамика B2006.4 (B2006.2.4), включены последовательно. Бумажный СЧ динамик MP1304.8. На ВЧ шелковый T261.8. Динамики фирмы Асалаб.
Используются два бумажных 8 дюймовых НЧ динамика B2006.4 (B2006.2.4), включены последовательно. Бумажный СЧ динамик MP1304.8. На ВЧ шелковый T261.8. Динамики фирмы Асалаб.

Собирался долго, больше года. Почти год ушел на создание комплекта. Корпуса сделаны из мдф-16, кроил на мебельном производстве, детали для фильтров заказал в профильной группе в ВК.

-5
-6
-7
-8
-9
-10
-11

В общем и целом работа заняла время с августа 2016 по май 2017, вечерами, выходными, с большими перерывами на постройку дома. Ушло 10 баллончиков краски (черной, матовой), два баллончика грунтовки, 1 банка шпаклевки. Шипы заказал в мастерские в своей организации по чертежам из интернет, вытяжные гайки и декоративные винты - Алиэкспресс.

-12
-13
-14
-15
-16

Монтаж плат фильтров подсмотрел у коллеги на вегалабе.

-17
-18

Платы из обрезков ламината. Монтажные провода ПВС 1,5; 2,5 и 4 от Севкабель, синтепон купил в швейной мастерской.

-19
-20
-21
-22

Делал все сам. По звуку: первое прослушивание - интернет-радио с телефона через ресивер Pioneer, который был увезен на стройку из-за слабых (на мой взгляд) НЧ;

-23
-24

второе - привез ноут с тестовыми записями от журнала Автозвук плюс интернет-радио, Яндекс-музыка и винил. Тесты впечатлили по прозрачности высоких и средних, упругости НЧ. Далее слушал несколько классических вещей, джазовые композиции, пару вещей от Pink Floyd, Rammstein, Yello, Fancy, 25 17. Звук понравился, чистый, я бы сказал кристально чистый, басы упругие, четкие, каши нет. Единственно кажутся резковаты ВЧ-СЧ. При прослушивании использовал вертушку и сидюк от Grundig, усилок Onkio, фонокорректор ламповый "От Василича" (может в дальнейшем напишу как собирал).

-25
-26
-27
-28

В общем как всегда, вместо постройки дома, занимался своими "тараканами")). Но результат очень порадовал! По стоимости обошлось около 20 тысяч рублей: 3 тыр. - корпуса с раскроем,13 тыр. - динамики с доставкой,3 тыр. - детали для фильтров, около двух - краска, грунтовка, синтепон, крепеж.

-29
-30
-31

Время прошло не зря!!!

Если понравилось - подписывайтесь, оставляйте комментарии, спрашивайте!