Добавить в корзинуПозвонить
Найти в Дзене
Павел Папушин

Ремонт мопед альфа своими руками

Доступная цена сделала китайский 50-кубовый мопед «Альфа» буквальным фаворитом спроса на «табуретки», в этой же связке идёт его, чуть более выносливый, брат близнец «Дельта». Экономичный, с объёмом двигателя 72 сс., и воздушным охлаждением, мопед Альфа неприхотлив, и прост в обслуживании. Понятное устройство двигателя мопеда Альфа позволяет осуществить ремонт или тюнинг техники самостоятельно. Перед разборкой двигателя мопеда Альфа, фиксируем скутер центральной подножкой и освобождаем от пластика. Отсоединяем все системы питания двигателя и не забываем слить масло. Снимаем движку вместе с трансмиссией, и на ровной поверхности продолжаем домашний ремонт мопеда Альфа. Поможет правильно демонтировать двигатель мопеда Альфа разборка по следующей схеме: Если вы впервые делаете на мопед альфа ремонт своими руками, и вам необходимо его разобрать, не забудьте зарисовать схему как всё стояло на своих местах! Если требуется замена клапанов, или появились зазоры прилегания, значит их нужно сн

Ремонт мопед альфа своими руками

Доступная цена сделала китайский 50-кубовый мопед «Альфа» буквальным фаворитом спроса на «табуретки», в этой же связке идёт его, чуть более выносливый, брат близнец «Дельта». Экономичный, с объёмом двигателя 72 сс., и воздушным охлаждением, мопед Альфа неприхотлив, и прост в обслуживании. Понятное устройство двигателя мопеда Альфа позволяет осуществить ремонт или тюнинг техники самостоятельно.

Перед разборкой двигателя мопеда Альфа, фиксируем скутер центральной подножкой и освобождаем от пластика. Отсоединяем все системы питания двигателя и не забываем слить масло.

Снимаем движку вместе с трансмиссией, и на ровной поверхности продолжаем домашний ремонт мопеда Альфа.

Поможет правильно демонтировать двигатель мопеда Альфа разборка по следующей схеме:

  • убираем глушитель и выпускной патрубок;
  • удаляем крышку шестерни распред.вала;
  • откручиваем все 4 болта с крышки цилиндра;
  • снимем верхнюю крышку и головку цилиндра;
  • смотрим износ клапанов, загрязнение внутренностей и состояние других деталей системы.

Если вы впервые делаете на мопед альфа ремонт своими руками, и вам необходимо его разобрать, не забудьте зарисовать схему как всё стояло на своих местах! Если требуется замена клапанов, или появились зазоры прилегания, значит их нужно снять:

  • ставим головку на ровное место. Чтобы клапан не повредился при демонтаже, под него лучше подложить пласт толстой резины или тряпку;
  • подбираем торцовую головку, приставляем её к тарелке клапана и сильно бьём молотком;
  • освобождаем сухари, убираем верхнюю тарелку и шайбу клапана;
  • вынимаем клапан и направляющую втулку.
    Чтобы завершить ремонт двигателя мопеда Альфа, после замены деталей, начинаем сборку двигателя в обратном порядке, ставим всё на свои места, соблюдая метки. Не забудьте залить свежее масло.

Коробка передач мопеда Альфа, иногда выходит из строя и требует к себе постоянного внимания. Ремонт КПП в домашних условиях не представляет для новичка особой сложности.

Внимательно читаем инструкцию на мопед альфа ремонт своими руками кпп.

Разбираем не торопясь, по порядку:

  • демонтируем сначала цилиндр, затем ротор и блок сцепления;
  • снимаем аккуратно стопорное кольцо (нужны отвёртка и тонкий нож или лезвие) и ведущую шестерню передачи;
  • чтобы снять блок скоростей, откручиваем фиксатор – болт с обратной стороны.
  • извлекаем вилку переключения передачи;
  • вынимаем коленвал и барабан.

Когда ремонт коробки мопеда Альфа будет окончен, соберите кпп в обратном алгоритме.

Ремонт мопеда Альфа для многих начинается практически сразу, после приобретения. Благодаря наличию зап. частей и простоте устройства двигателя мопеда Альфа, тюнинг является распространённым явлением. Это может быть и замена не очень удобного родного сиденья, и увеличение объёма движки до 110 сс. Замена звезды с 14 на 15 или даже на 16, поднимет скорость до 10 км/ч.

Увеличение объема цилиндров – замена с 50 сс. на 70 сс., добавит мощности, которой иногда не хватает. Для этого придётся кроме головки цилиндра, поменять поршни и карбюратор. Осуществить такое обслуживание мопеда Альфа можно самостоятельно. Если вы купили мопед Альфа ремонт своими руками кпп и двигателя, станет для вас хорошей возможностью изучить свою технику.

И напоследок, несколько полезных советов, с которыми ремонт мопеда Альфа станет для вас более приятным занятием.

Разобрали ГРМ и ЦПГ? Складывайте детали по отдельным коробкам. Положение шестерней и вилок, зарисуйте на бумаге до снятия. Если вы решили увеличить скорость мопеда Альфа, при помощи звёздочки, не забудьте, что перед и зад меняются одновременно.

Следите за оборотами, не допускайте износа сцепления, своевременно меняйте жидкости.

Не бойтесь ремонта, учите мат.часть, смотрите видео уроки, и вам не пригодятся услуги механика.

Вешайте кофры, меняйте фары и зеркала. Мопед Альфа из той серии, что на любую вашу заботу отзовётся надёжностью в тысячах ваших будущих километрах.

Любая, даже самая усовершенствованная мототехника нуждается в бережном обращении и профессиональном уходе. Двигатель — это сердце мопеда Альфа. На фоне некорректного обращения с ним последствия могут быть непредсказуемыми. Для того, чтобы избежать рисков необратимых повреждений мопеда, важно знать, как осуществляется самостоятельная разборка и сборка двигателя этой модели. Осуществить ремонт несложно. Для этого потребуется опыт, а также знание некоторых нюансов.

Двигатель китайского мопеда Альфа обладает характерными особенностями, благодаря которым поклонники мотоциклетной техники и отдают предпочтение именно этой модели.

Объем двигателя — 72 сс. При должном подходе его можно модернизировать до 110 сс. Также при желании можно увеличить скорость на 10 километров.

Слабым местом двигателя является коробка передач, требующая пристального внимания и деликатного подхода. Осуществляя ремонт «сердца» мопеда, необходимо знать, как корректно разобрать и собрать эту деталь мотоциклетного «организма».

Альфа оснащен мощным двигателем, схема которого отличается сложностью. Если самостоятельно разобраться не получается, рекомендуется обратиться к опытному специалисту. Цена ремонта достаточно демократична.

Китайский мопед Альфа, цена которого отличается демократичностью, не доставляет владельцам много проблем. Перебои в двигателе мопеда имеют несколько причин, разобравшись с которыми, можно быстро устранить поломку.

Разборка двигателя мопеда

Итак, если двигатель запускается с большим трудом, глушитель «стреляет», а из трубы идет дым, значит, мопед «капризничает» по причине проблем с карбюратором. Для того чтобы решить эту проблему мопеда Альфа, необходимо:

  • почистить карбюратор;
  • тщательно очистить воздушный фильтр мопеда;
  • затянуть винты;
  • настроить карбюратор мопеда.

Если Альфа медленно набирает скорость, а его двигатель не способен развить заявленную мощность, то причина заключается в некорректной работе клапанов мопеда. Также он может «заболеть» ввиду зазоров и некорректной фазы ГРМ. Для того, чтобы заставить мопед Альфа нормально функционировать, необходимо заменить отработавшие клапаны новыми.

Если мопед Альфа не способен развить нужную скорость, несмотря на рев двигателя и солидные обороты, остановить крутящееся колесо невозможно, а переключение передач происходит с перебоями, то причина неисправности заключается в износе сцепления.

Для устранения поломки необходимо проделать следующие манипуляции:

  • снять двигатель;
  • снять пластиковую крышку;
  • открутить поджимающий винт;
  • открутить механизм регулировки и плотно закрутить винт;
  • завести мопед;
  • включить первую скорость и проехать несколько метров.

Еще одной причиной неисправности двигателя мопеда может быть износ ведущих звезд. Если они сильно износились, необходимо заменить их новыми.

Вы можете столкнуться с проблемой перегрева двигателя. Исправить ситуацию можно после доливания масла. Если масло вытекает, необходимо срочно обратиться в профессиональный сервис.

Перегрев двигателя мопеда Альфа

Разобрать двигатель Альфа достаточно просто. Для этого необходимо:

  • «вооружиться» ключом;
  • произвести откручивание болтов на впускном коллекторе (на 10);
  • открутить крышки цилиндра и находящиеся там болты (4 штуки);
  • снять головку цилиндра.

После осуществления необходимых манипуляций надо правильно собрать двигатель, установив на место все детали.

Помочь разобраться с нюансами может схема. Также немало полезных советов относительно ремонта важнейшего «органа» мопеда Альфа содержатся в обучающем видео.

Разбирать коробку передач необходимо для того, чтобы осуществить замену отработанных деталей. Производится это после того, как были демонтированы следующие детали:

-2

Ремонт этой части двигателя осуществляется следующим образом:

  • при помощи отвертки или лезвия снять стопорное кольцо и ведущую шестерню передачи;
  • аккуратно открутить фиксирующий передачу болт и удалить механизм переключения скоростей;
  • извлечь вилку переключения передачи и вал;
  • извлечь коленвал и барабан (включая сердцевину);
  • после замены изношенной детали на новую, осуществить сборку (в обратном порядке).

Для того, чтобы осуществить самостоятельный ремонт двигателя правильно, необходимо ознакомиться с обучающими видео. Не перепутать расположение вилок и шестерен поможет схема двигателя этой модели. Если доступа к схеме нет, то необходимо пометить их на листе бумаги.

Мопед Альфа достаточно редко нуждается в ремонте. Если владелец не уверен в своих силах, то ремонт должен осуществить профессионал. В противном случае цена вопроса окажется очень высокой.

Ремонт двигателя мопеда Альфа осуществляется достаточно просто, если посмотреть это видео. Вы сможете отремонтировать мопед своими руками, не обращаясь в сервис-центры.

Итак, приступим. Сначала на место ставится звезда. После ее установки на место ставится стартер.

Для сборки газораспределительного механизма следует обратить внимание на следующие детали:

  • Обязательно следует убедиться в корректной работе успокоителя колебания цепи (если подуть внутрь, то он должен чуть-чуть пропускать воздух);
  • Когда успокоитель контактирует с натяжителем, происходит трение (шершавую поверхность натяжителя следует отполировать).

Чтобы звездочка не соскочила с оси, следует смазать ее солидолом. Потом устанавливается крышка, предварительно смазанная герметиком. После этой процедуры установите звезду стартера и успокоитель цепи.

Как все мы знаем, любая мототехника со временем изнашивается и ломается, особенно при неправильном обращении с ней. Самая важная часть мопеда Альфа ― это его двигатель, который при неправильном обращении или ремонте, замене запчастей может не работать или работать некорректно. Для избежания таких проблем нужно знать как правильно отремонтировать двигатель мопеда Альфа своими руками. Это сделать несложно имея необходимый опыт и знание.

-3

Когда мопед не заводится, стреляет глушитель и из него идет черный дым, это означает, что у вас неполадки с карбюратором. Чтобы устранить эти неисправности, вам нужно очистить карбюратор и воздушный фильтр, также сделать настройку карбюратора и хорошенько затянуть болты.

Если ваш мопед долго разгоняется, а в двигателе не хватает стандартной мощности — проблема в поломке клапанов. Старые клапана нужно заменить на новые и мопед снова заработает.

Если мопед Альфа не может разогнаться до нужной скорости, хотя при этом у него высокие обороты, а двигатель ревет как ненормальный и с перебоями переключаются передачи ― проблема в износе сцепления. Чтобы отремонтировать сцеплениенужно сделать следующее: вы должны снять двигатель и пластиковую крышку с него, затем открутить поджимающий болт и механизм регулировки, после этого плотно закрутите поджимающий болт, заведите мопед. После всего этого нужно на первой скорости немного проехать, где-то пару метров. Так же еще одна причина неполадки связанная с двигателем ― изнашивание ведущих звезд, в этом случае вам их придется заменить на новые.

Перегрев двигателя. Эта проблема решается очень просто ― долить масло. Если вдруг масло будет откуда-то вытекать, вам нужно обязательно обратиться к профессионалам.

Для того что бы разобрать двигатель нужно сделать следующее:

Выкрутить шурупы находящиеся в впускном коллекторе.

Снять все крышки цилиндра и его шурупы.

Коробка передач разбирается для замены таких деталей как роторы, сцепления или цилиндры.

Для того чтоб разобрать коробку передач нужно сделать следующее:

Снимите стопорное кольцо, затем снимается ведущая шестерня передач.

Выкрутить винт фиксирующей передачи, затем выньте сам механизм переключения скоростей

Извлеките вилку переключения передач и вал, затем коленвал с барабаном.

Собрать все задом на перед.

И в заключении хотим сказать, что хоть мопед Альфа и редко ломается, его не стоит разбирать и ремонтировать самому если не хватает знаний и опыта, или вы просто до конца не уверены, что сможете справиться, так как захотев сэкономить, вы можете потерять намного больше. Поэтому не стоит отказываться от услуг профессионалов. Но все-таки если вы решитесь самостоятельно отремонтировать двигатель мопеда Альфа 110, не забудьте использовать схему или обучающее видео. А если схемы нет, то пометьте расположение деталей на листке бумаги что бы не забыть.

Возможно вас заинтересует двигатель на Альфу 125 куб.см с автоматическим сцеплением, тюнинг

MosCatalogue.net – это сервис, который предоставляет вам возможность быстро, бесплатно и без регистрации скачать видео с YouTube в хорошем качестве. Вы можете скачать видео в форматах MP4 и 3GP, кроме того можно скачать видео любого типа.

Ищите, смотрите, скачивайте видео – все это бесплатно и на большой скорости. Вы даже можете найти фильмы и скачать их. Результаты поиска можно сортировать, что упрощает поиск нужного видео.

Скачать бесплатно можно фильмы, клипы, эпизоды, трейлеры, при этом вам не нужно посещать сам сайт Youtube.

Скачивайте и смотрите океан бесконечного видео в хорошем качестве. Все бесплатно и без регистрации!

Этапы самостоятельной разборки-сборки двигателя мопеда Альфа

Любая, даже самая усовершенствованная мототехника нуждается в бережном обращении и профессиональном уходе. Двигатель — это сердце мопеда Альфа. На фоне некорректного обращения с ним последствия могут быть непредсказуемыми. Для того, чтобы избежать рисков необратимых повреждений мопеда, важно знать, как осуществляется самостоятельная разборка и сборка двигателя этой модели. Осуществить ремонт несложно. Для этого потребуется опыт, а также знание некоторых нюансов.

Двигатель китайского мопеда Альфа обладает характерными особенностями, благодаря которым поклонники мотоциклетной техники и отдают предпочтение именно этой модели.

Объем двигателя — 72 сс. При должном подходе его можно модернизировать до 110 сс. Также при желании можно увеличить скорость на 10 километров.

Слабым местом двигателя является коробка передач, требующая пристального внимания и деликатного подхода . Осуществляя ремонт «сердца» мопеда, необходимо знать, как корректно разобрать и собрать эту деталь мотоциклетного «организма».

Альфа оснащен мощным двигателем, схема которого отличается сложностью. Если самостоятельно разобраться не получается, рекомендуется обратиться к опытному специалисту. Цена ремонта достаточно демократична.

Китайский мопед Альфа, цена которого отличается демократичностью, не доставляет владельцам много проблем. Перебои в двигателе мопеда имеют несколько причин, разобравшись с которыми, можно быстро устранить поломку.

Разборка двигателя мопеда

Итак, если двигатель запускается с большим трудом, глушитель «стреляет», а из трубы идет дым, значит, мопед «капризничает» по причине проблем с карбюратором. Для того чтобы решить эту проблему мопеда Альфа, необходимо:

  • почистить карбюратор;
  • тщательно очистить воздушный фильтр мопеда;
  • затянуть винты;
  • настроить карбюратор мопеда.

Если Альфа медленно набирает скорость, а его двигатель не способен развить заявленную мощность, то причина заключается в некорректной работе клапанов мопеда. Также он может «заболеть» ввиду зазоров и некорректной фазы ГРМ. Для того, чтобы заставить мопед Альфа нормально функционировать, необходимо заменить отработавшие клапаны новыми.

Если мопед Альфа не способен развить нужную скорость, несмотря на рев двигателя и солидные обороты, остановить крутящееся колесо невозможно, а переключение передач происходит с перебоями, то причина неисправности заключается в износе сцепления.

Для устранения поломки необходимо проделать следующие манипуляции:

  • снять двигатель;
  • снять пластиковую крышку;
  • открутить поджимающий винт;
  • открутить механизм регулировки и плотно закрутить винт;
  • завести мопед;
  • включить первую скорость и проехать несколько метров.

Еще одной причиной неисправности двигателя мопеда может быть износ ведущих звезд. Если они сильно износились, необходимо заменить их новыми.

Вы можете столкнуться с проблемой перегрева двигателя. Исправить ситуацию можно после доливания масла. Если масло вытекает, необходимо срочно обратиться в профессиональный сервис .

Перегрев двигателя мопеда Альфа

Разобрать двигатель Альфа достаточно просто. Для этого необходимо:

  • «вооружиться» ключом;
  • произвести откручивание болтов на впускном коллекторе (на 10);
  • открутить крышки цилиндра и находящиеся там болты (4 штуки);
  • снять головку цилиндра.

После осуществления необходимых манипуляций надо правильно собрать двигатель, установив на место все детали.

Помочь разобраться с нюансами может схема. Также немало полезных советов относительно ремонта важнейшего «органа» мопеда Альфа содержатся в обучающем .

Разбирать коробку передач необходимо для того, чтобы осуществить замену отработанных деталей. Производится это после того, как были демонтированы следующие детали:

Ремонт этой части двигателя осуществляется следующим образом:

  • при помощи отвертки или лезвия снять стопорное кольцо и ведущую шестерню передачи;
  • аккуратно открутить фиксирующий передачу болт и удалить механизм переключения скоростей;
  • извлечь вилку переключения передачи и вал;
  • извлечь коленвал и барабан (включая сердцевину);
  • после замены изношенной детали на новую, осуществить сборку (в обратном порядке).

Для того, чтобы осуществить самостоятельный ремонт двигателя правильно, необходимо ознакомиться с обучающими . Не перепутать расположение вилок и шестерен поможет схема двигателя этой модели. Если доступа к схеме нет, то необходимо пометить их на листе бумаги.

Мопед Альфа достаточно редко нуждается в ремонте. Если владелец не уверен в своих силах, то ремонт должен осуществить профессионал. В противном случае цена вопроса окажется очень высокой.

-4
-5

Инструкция от специалиста

Инструкция от специалиста

Список необходимых действий

Чеклист действий по проверки

Устранение наиболее частых поломок

-6
-7

Правила эффективной настройки

-8

Описание основных соединений

Инструкция по сборке-разборке, советы по ремонту

Этот сайт использует Akismet для борьбы со спамом. Узнайте как обрабатываются ваши данные комментариев.

У меня со звездой масло насоса тоже такое было почему? Я думал перескочила но нет калапана целые были

Какой пробег у этого мопеда?

Марик помоги! Альфа на холодную совсем не заводится, но если бронепровод отсоединить и расположить от свечи на см то все заводится?

Кто увидел паучка, который пополз от сцепления в коробку через отверстие где шатун, не помню как эта часть называется на ставит лайк

У меня альфа года, у меня где держатель мотора с оба стороны сломался, что делать?

У меня альфа года, у меня где держатель мотора с оба стороны сломался, что делать?

У меня альфа года, у меня где держатель мотора с оба стороны сломался, что делать?

У меня альфа года, у меня где держатель мотора с оба стороны сломался, что делать?

Как выставить направлящие на целиндре и на голове

Почему мопед дымит? Голова новая.

Прикольный акцент, ты с какого региона если не секрет?

Розкажу вам хлопці як ми з кумом мопеда ремонтували. Ремонтували, ремонтували, ремонтували, ремонтували, а він не ремонтується. Потім думали ми думли та чи не обмінятм його на пляшку самогонки. А він узяв та й завівся. Не повезло нам.

Мне нужен твой совет! У моего брата плохо работает альфа. Когда начинаешь ехать он у него глохнет или сам даёт газу!

Привет, подскажи пожалуйста, голова и цилиндр все время в масле находятся, что это может быть?

Здрасте а компрессия дома? Нет а когда она придёт?

Он масло не менял наверное, доливал что есть. Мопед отвязной школоты

Китайский мопед Alpha от компании Vipеr, в последние годы много продается в Российской Федерации. У данной модели есть как плюсы, так и минусы, например, неоспоримый плюс это небольшой расход топлива на сто километров всего 2 литра горючева.

Мопед можно нагрузить на сто двадцать килограмм, в то время как сам он весит восемьдесят один килограмм. Мопед Альфа оснащен движком с воздушных охлаждением, два тормоза: передний и задний, четырехступенчатая механическая трансмиссия, 2 амортизатора.

Так же дополнительно на модель Alpha установили брызговики на заднем и переднем колесе. Они помогут уберечь водителя и движок от брызг воды и грязи.

Двигатель Альфа имеет объем семьдесят два сс, с помощью усовершенствований, своими руками можно разогнать движок до ста десяти сс. Можно заменить переднюю звездочку, с 14, что стоит на Альфа, на 15, 16, кому какая подходит. Если установить звездочку 16, то скорость увеличится на семь – десять километров в час, но при этом значительно уйдет тяга.

Звезда на семнадцать зубов позволит ускорить мопед до тринадцати километров в час, что не влияет на тягу. Оптимальным же вариантом является пятнадцати зубцовая, при этом нужно помнить, что необходимо менять обе звезды: переднюю и заднюю, а так же цепь.

Имеются и другие тюнинговые решения для мопеда Alphа: сделать дополнительную сумку – бордачёк для различных инструментов, подстановку под стаканчик с напитком или водой. Сидение Альфы не совсем удобное, можно его заменить на более жесткое из пятнадцати миллиметровой фанеры.

Индивидуальность вашу и вашего мопеда может подчеркнуть аэрография или замена фар и поворотников.

Любая техника рано или поздно изнашивается и требует ремонта, прежде всего в мопедах это двигатель. В нашем случае это 4-хтактный движок, который необходимо диагностировать и ремонтировать по следующим параметрам:

1. Регулировка клапанных зазоров, такая необходимость появляется, если появляются характерные стуки в головке цилиндра, найдены нарушения в зазорах.

2. Снятие и последующая установка головки цилиндра – необходима при засорении камеры сгорания нагаром, так же для замены и притирки клапанов.

3. Абсолютная разборка головки цилиндра – если клапаны перестали быть герметичными, так же для замены маслосъемных клапанов, колпачков.

4. Снятие и установка всего цилиндра, ротора генератора и электростартера.

5. Так же снятие и установка поршня и поршневых колец, цепи.

6. Разборка и сборка сцепления, коленчатого вала, КПП.

После тысячи километров двигатель нуждается в проверке первый раз, последующие проверки нужно совершать через каждые четыре тысячи километров. Все эти действия необходимо делать, когда двигатель уже остыл.

Китайский мопед Alpha от компании Vipеr, в последние годы много продается в Российской Федерации. У данной модели есть как плюсы, так и минусы, например, неоспоримый плюс это небольшой расход топлива на сто километров всего 2 литра горючева.

Мопед можно нагрузить на сто двадцать килограмм, в то время как сам он весит восемьдесят один килограмм. Мопед Альфа оснащен движком с воздушных охлаждением, два тормоза: передний и задний, четырехступенчатая механическая трансмиссия, 2 амортизатора.

Так же дополнительно на модель Alpha установили брызговики на заднем и переднем колесе. Они помогут уберечь водителя и движок от брызг воды и грязи.

Двигатель Альфа имеет объем семьдесят два сс, с помощью усовершенствований, своими руками можно разогнать движок до ста десяти сс. Можно заменить переднюю звездочку, с 14, что стоит на Альфа, на 15, 16, кому какая подходит. Если установить звездочку 16, то скорость увеличится на семь – десять километров в час, но при этом значительно уйдет тяга.

Звезда на семнадцать зубов позволит ускорить мопед до тринадцати километров в час, что не влияет на тягу. Оптимальным же вариантом является пятнадцати зубцовая, при этом нужно помнить, что необходимо менять обе звезды: переднюю и заднюю, а так же цепь.

Имеются и другие тюнинговые решения для мопеда Alphа: сделать дополнительную сумку – бордачёк для различных инструментов, подстановку под стаканчик с напитком или водой. Сидение Альфы не совсем удобное, можно его заменить на более жесткое из пятнадцати миллиметровой фанеры.

Индивидуальность вашу и вашего мопеда может подчеркнуть аэрография или замена фар и поворотников.

Любая техника рано или поздно изнашивается и требует ремонта, прежде всего в мопедах это двигатель. В нашем случае это 4-хтактный движок, который необходимо диагностировать и ремонтировать по следующим параметрам:

1. Регулировка клапанных зазоров, такая необходимость появляется, если появляются характерные стуки в головке цилиндра, найдены нарушения в зазорах.

2. Снятие и последующая установка головки цилиндра – необходима при засорении камеры сгорания нагаром, так же для замены и притирки клапанов.

3. Абсолютная разборка головки цилиндра – если клапаны перестали быть герметичными, так же для замены маслосъемных клапанов, колпачков.

4. Снятие и установка всего цилиндра, ротора генератора и электростартера.

5. Так же снятие и установка поршня и поршневых колец, цепи.

6. Разборка и сборка сцепления, коленчатого вала, КПП.

После тысячи километров двигатель нуждается в проверке первый раз, последующие проверки нужно совершать через каждые четыре тысячи километров. Все эти действия необходимо делать, когда двигатель уже остыл.

Китайский мопед Альфа, произведенный компанией Випер, за последнее время стал очень популярным в нашей стране. Данная модель имеет огромное количество плюсов, а также минусов, среди неоспоримых плюсов маленький расход топлива, который он тратит на сотню километров – это всего 2 литра.

Мопед можно загрузить до ста двадцати килограмм, тогда как он сам весит только восемьдесят килограмм. Данный мопед имеет двигатель с воздушным охлаждением, а также пару тормозов: задний и передний, четырехступенчатую механическую трансмиссию, пару амортизаторов.

Кроме того, дополнительно, на данный мопед были установлены брызговики на колесах. Они уберегают водителя от брызг грязи и воды.

Объем двигателя составляет 72 сс, а если его усовершенствовать собственноручно, тогда двигатель можно разогнать даже до 110 сс. Переднюю звездочку можно заменить. Если установить 16, тогда скорость может увеличиться еще на десять километров, однако при этом сильной уйдет тяга.

Разберем мотоцикл полностью:

За данным мотоциклом, как и за любой другой техникой, необходимо хорошо ухаживать. Что же относится к двигателю мопеда, наиболее уязвимая его часть – коробка передач. Именно поэтому, если вы имеете мопед Альфа, ремонт двигателя преимущественно нуждается в особом внимании и уходе за КПП. Поэтому нужно рассмотреть, как правильно разбирать и собирать коробку мопеда Альфа, ремонт двигателя обязательно в этом будет нуждаться. Коробку передач разбирают, чтобы заменить изношенные детали. Разбирают коробку сразу после того, как демонтируют цилиндр, ротор, а также блок сцепления. Используя лезвие и отвертку, необходимо снять стопорное кольцо, а также ведущую шестерню передачи. После этого можно удалить механизм переключающий скорости, для этого необходимо открутить болт с противоположного конца, он фиксирует передачу. После этого, нужно извлечь вал, а вместе с ним и вспомогательную вилку переключения передач.

Как только будут осуществлены вышеописанные действия, сразу же картер разъединится на две половины, нужно извлечь коленвал и открыть непосредственно саму коробку. В левой части крышки картера остается блок передач. Винт на барабане, под которым размещена шайба с датчиком скорости и контактным элементом, необходимо отвернуть, используя шестигранный ключ. После этого можно извлечь барабан и его сердцевину. Нужно отметить, что необходимо очень внимательно доставать, а также демонтировать все вилки с шестернями в коробке передач, стараясь не перепутать их расположение. Лучшим способом этого добиться – пометить все на бумажном листке, пользуясь условными знаками. После того, как будет обнаружен дефект, изношенную деталь заменяют и собирают все необходимые элементы, прямо пропорционально разборке.

Вообще, мопед Альфа, ремонт двигателя которого был описан выше, имеет много преимуществ, сравнительно с ремонтом других мопедов. Все потому, что китайские мопеды имеют большой выбор разнообразных запчастей с довольно невысокой стоимостью. Однако в китайских мопедах более сложно найти поломку, чем в любом ином мопеде. Они имеют множество запутанных электросхем, каверзную конструкцию топливных систем, более сложную конструкцию четырехтактного двигателя, которая утомит даже наиболее опытных мастеров.

Данные мопеды по праву считаются довольно надежными и даже неубиваемыми, поэтому они довольно редко нуждаются в ремонте. Весь мопед изготовлен из прочной стали. Однако при поломке не стоит медлить. Нужно сразу обращаться к специалисту.

Здорово, когда в тёплое время года есть возможность выехать на природу, на дачу или просто прокатиться с ветерком. Для этого не обязательно иметь дорогой автомобиль, или навороченную модель мотоцикла. Можно обойтись достаточно бюджетным вариантом, и подобрать оптимальное транспортное средство на котором можно добраться куда угодно. Речь идёт о разновидности лёгкого мотоцикла, которая называется ремонт двигателя мопеда альфа своими руками. Научиться управлять лёгким транспортом сможет даже подросток.

Если Вы прекрасно управляетесь с велосипедом, любите прокатиться с ветерком, то Вам просто необходимо приобрести транспортное средство с двигателем. Лучшим вариантом станет аэрография мопедах или скутер. Педали как на велосипеде крутить уже не придется, а значит Вы сможете наслаждаться поездкой ещё сильнее и получать гораздо больше позитива. Вы никогда не будете уставшим, даже если изъездите город вдоль и поперек.

Существует очень много моделей скутеров. Самые распространенные, это модели с объемом двигателя до пятидесяти кубических сантиметров. Такие аппараты не требуют наличия полноценных водительских прав категории «А», а значит Вы сэкономите на страховке и обязательном техническом осмотре. К тому же, Вам не придется платить дорожный налог. Акцентируйте на этом внимание, когда будете выбирать uno мотоцикл купить или скутер. Более мощные модели стоит рассматривать только после полного обучения езде на аппаратах поменьше.

По сравнению с автомобилем, двухколесные транспортные средства имеют массу преимуществ. Небольшому скутеру не требуется гараж или целое машиноместо, расход топлива в разы меньше. Загрязняет окружающую среду мотор скутера сузуки гораздо меньше, то есть экологии Вы не навредите. В общем, сплошные плюсы.

Не забывайте своевременно обслуживать свой скутера напрокат. Вскоре, это будет даже приносить Вам удовольствие. От своевременности и качества обслуживания зависит долговечность транспорта. Используйте только оригинальные запасные части и аксессуары. В сети существует множество тематических форумов, где вы сможете делиться своими впечатлениями и получить ответы на возникающие вопросы в процессе эксплуатации. Однажды сев за руль двухколесного «коня», Вы больше не сможете отказать себе в этом удовольствии.

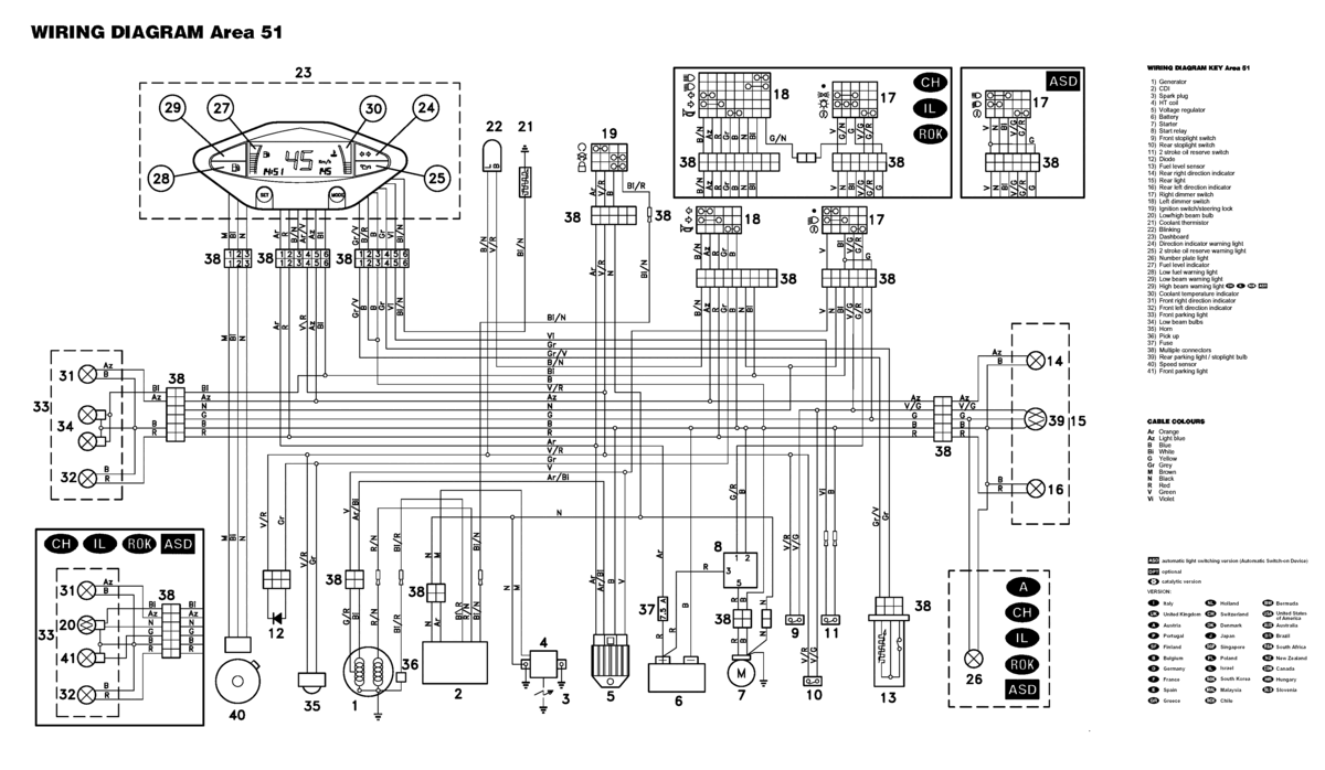
1 – модуль зажигания 16 – фара 31 – охранная сигнализация
2 – катушка зажигания 17 – Индикатор дальнего света 32 – звуковой сигнал
3 – свеча зажигания 18 – задний габарит/стом сигнал 33 – звуковой сигнал
4 – генератор 19 – индикатор левого поворота
5 – регулятор напряжения И 20 – указатель левого поворота
6 – батароя 21- индикатор правого поворота
7 – предохранитель 22 -указатель правого поворота
8 – стартер 23 – переключатель указателя поворота
9 – кнопка “Пуск 24 – реле прерывателя
10 – пусковое реле 25 – кнопка включателя звукового сигнала
11 – выключатель питания 26 – выключатель переднего тормоза
12 – замок зажигания 27 – выключатель заднего тормоза
13 – стоп-сигнал 28 – кнопка включателя дальнего света
14 – подсветка приборов 29 – переключатель света
15 – передний габарит 30 – выключатель освешения

Технические характеристики китайских мопедов «Дельта» весьма разнообразны. Так например, модель Delta YH 50 QT выпускается с одноцилиндровым четырехтактным двигателем модели 139 FMB.

Этот двигатель объемом 49,5 куб. см.с воздушной системой охлаждения в сочетании с четырехступенчатой механической коробкой передач развивает максимальную мощность 4,0 лошадиных сил (по другим показателям 3,5 л.с.). максимальная скорость мопеда не более 55 км/час. Колесные диски выполнены из алюминия. Размер колес 120.

Поскольку двигатель 139 FMB имеет электронное зажигание, в мопеде установлен генератор и аккумулятор емкостью 4 А/ч. Общая масса мопеда в снаряженном состоянии равна 60 кг. Другая наиболее распространенная модель китайского мопеда «Delta Racer».

Эта модификация мопеда «Дельта» также оснащена двигателем 139 FMB, объемом 49 куб. см. максимальной мощностью 3,5 л.с. Эта модификация мопеда «Дельта» оснащена четырехступенчатым полуавтоматом. Но несмотря на такую комплектацию и название, взятое из мира спорта, мопед развивает скорость не более 45 км/час.

Мопед дельта характеристики,схема всех узлов, ремонт своими руками,замена масла устранение неполадок с электро проводкой мопеда дельта.

Схема подключения телевизора самсунг 943sn
16 02 2013 0183 32 this video is unavailable схема ремонта двигателя мопеда альфа.

-9
-10

Схемы освещения с задержкой
Общаемся на счёт тюнинга и ремонта мопедов группа создана для выявления возможных.
Мопед альфа и дельта alpha delta
Китайские мопеды alpha и delta альфа дельта с объёмом двигателя 110сс 72сс и 50сс их тюнинг.

Среди ремонта чаще всего можно отметить замену колец и поршня, регулировку зазора клапанов, ремонт коробки передач. Четырехтактный двигатель более сложный в ремонте, в тоже время он более экономичный и долговечный, тяговитый и с легкостью переносит перегрузки.

Некоторые моменты ремонта обозначены ниже на фото:

-11
-12

Как видно на фото, ничего сложного тут нет, важно запомнить весь процесс разборки, а затем в таком же порядке собрать двигатель. На предпоследнем фото можно наблюдать износ шестерни.

При полном износе двигателя иногда целесообразно купить двигатель целиком , в таком случае вы также получите некоторые запчасти от родного старого двигателя, и в принципе, новый мопед Дельта.