Найти в Дзене
Мастер Кит DIY

Cтроим Умный дом на Orange PI One. Подключение и настройка

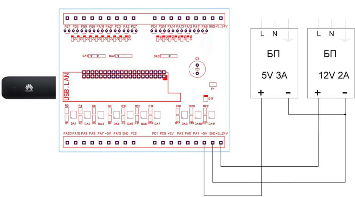
Ставь лайк! Делись с друзьями, потому что дальше будет интереснее! Понравилась статья? Ставь палец вверх и будешь видеть наши новости чаще! Продолжаем обзор комплекта модулей BM8035, предназначенного для создания систем удаленного управления устройствами, установленными в жилых домах и других объектах. Имеющее в своей основе одноплатный микрокомпьютер (MK) Orange PI One, устройство, совместно с облачным сервером, позволяет без труда реализовать полноценную систему Умный дом. Первую часть можно прочитать здесь. В предыдущем материале были описаны технические особенности и основные возможности BM8035 при использовании датчиков и исполнительных устройств. Рассмотрим теперь, как подключить и настроить устройство. Соединим микрокомпьютер с платой расширения, вставим модем с SIM-картой в USB слот MK и подадим питание согласно схеме. Через некоторое время (как правило 10-20 сек.) светодиодный индикатор модема покажет, что модем зарегистрировался в сотовой сети и блок готов к р

Ставь лайк! Делись с друзьями, потому что дальше будет интереснее! Понравилась статья? Ставь палец вверх и будешь видеть наши новости чаще!

Продолжаем обзор комплекта модулей BM8035, предназначенного для создания систем удаленного управления устройствами, установленными в жилых домах и других объектах. Имеющее в своей основе одноплатный микрокомпьютер (MK) Orange PI One, устройство, совместно с облачным сервером, позволяет без труда реализовать полноценную систему Умный дом. Первую часть можно прочитать здесь.

В предыдущем материале были описаны технические особенности и основные возможности BM8035 при использовании датчиков и исполнительных устройств. Рассмотрим теперь, как подключить и настроить устройство.

Соединим микрокомпьютер с платой расширения, вставим модем с SIM-картой в USB слот MK и подадим питание согласно схеме.

Через некоторое время (как правило 10-20 сек.) светодиодный индикатор модема покажет, что модем зарегистрировался в сотовой сети и блок готов к работе. В зависимости от модели этот индикатор может быть разного цвета, поэтому для уточнения смотрите документацию на модем.

Напомним, что у SIM-карты, которая будет использоваться с GSM-модемом, должны быть отключены PIN и PUK (не должны запрашиваться при включении). Также следует удалить все служебные SMS-сообщения и номера. Для используемой SIM-карты должны быть включены услуги доступа к интернету и отправки SMS, баланс должен быть положительным.

Для входа на сервер управления и настройки можно использовать любой интернет-браузер. На смартфоне удобно использовать мобильное приложение, доступное по следующей ссылке:

https://cloud.mail.ru/public/D8UG/oMYaNAJJr

Скачайте приложение на смартфон и установите его согласно Руководству пользователя вашего телефона как файл APK. Появится иконка Умный дом.

-3

С устройством поставляется быстрая ссылка на сервер вида:

http://91.201.40.172/login/логин/пароль, а также логин и пароль отдельно.

При использовании быстрой ссылки нет необходимости вводить логин и пароль, вход на сервер осуществляется автоматически. Если не пользоваться быстрой ссылкой, например по соображениям безопасности, то вход на сервер производится по ссылке http://91.201.40.172. При входе будет запрошен логин и пароль.

Настоятельно рекомендуется после первого входа на сервер заменить логин и пароль в разделе «Настройки»!

Ознакомимся с интерфейсом на примере мобильного приложения, поскольку именно оно наиболее часто используется для управления.

При входе на сервер открывается главная страница web-интерфейса:

В правой верхней части экрана отображается статус устройства: НА СВЯЗИ или НЕТ СВЯЗИ. Если связи нет, то необходимо проверить GSM-модем.

Заголовок приложения (Умный дом) в левом верхнем углу может быть заменен при длинном нажатии на нем.

Нажимая на пункты меню в верхней части экрана можно открывать соответствующие этим пунктам вкладки: «Освещение», «Розетки», «Охрана», «Датчики», «Климат». На всех вкладках активное состояние элемента отображается желтым цветом символа, а пассивное – серым.

Нажимая на кнопки с обозначениями шести областей освещения на вкладке «Освещение» можно включать и выключать его повторным нажатием. Поменять наименование области (кнопки) можно с помощью длинного нажатия на соответствующую кнопку, или кликом по правой кнопке мыши при использовании ноутбука или стационарного компьютера.

-5

При включении/выключении освещения будут включаться/выключаться контрольные светодиоды, расположенные на плате расширения.

Аналогично действуют кнопки на вкладке «Розетки». Их названия также можно менять, а состояние контролировать с помощью соответствующих светодиодов.

На вкладке «Охрана» можно поставить систему в режим охраны, нажав на кнопку «Охрана».  

-6

Если во вкладке «Настройки» в соответствующем разделе введен телефонный номер для оповещений, то при срабатывании (замыкании на землю) датчиков открытия двери и движения на этот номер будут приходить SMS-сообщения.

При  нажатии на кнопку «Дверь» на контакте PC3 будет сформирован импульс длительностью 500 мс, который может быть использован для открывания электромеханического замка.

На вкладке «Датчики» отображается состояние датчиков дыма, движения и протечки. Все датчики с нормально разомкнутыми контактами. При замыкании соответствующих контактов на землю меняется символ на экране. Если настроена отправка сообщений, при срабатывании любого датчика будет отослано соответствующее датчику SMS-сообщение.

-7

На вкладке «Климат» находятся элементы индикации температур и управления сегментами теплого пола. Количество элементов в этой вкладке соответствует количеству подсоединенных и активированных в разделе «Настройки» датчиков температуры. В зависимости от настроек отображаются показания  предопределенных датчиков – комнатного, батарейного, уличного, а также показания и элементы управления теплым полом.

-8

Можно подсоединить к зоне теплого пола второй датчик и настроить отображение температуры воздуха и температуры на уровне пола отдельно (справа вверху под названием зоны – температура на уровне пола):

-10

Вкладка «Настройка» предназначена для установки и изменения основных и дополнительных параметров системы и отображения служебной информации. Ее можно открыть, нажав на символ в виде трех точек, справа от индикатора связи в верхнем правом углу экрана.

На этой вкладке можно контролировать мощность сигнала, принимаемого модемом устройства, баланс на SIM-карте, а также удаленно перезагрузить MK.

-11

Далее следует блок конфигурирования датчиков температуры. При подключении одного или нескольких датчиков температуры типа DS18B20 к контакту PA19 их адреса будут автоматически считаны устройством.

-12

Если нажать на любое поле с надписью «Не задействован» в этой части экрана или в подменю зон управления теплым полом, то появится окно, в котором можно выбрать адрес датчика, который должен быть соотнесен с его расположением (наименованием).

Адрес конкретного датчика можно определить, последовательно подключая один датчик за другим и фиксируя вновь появляющиеся адреса.

-13

В поле каждой зоны теплого пола можно определить по два датчика: температуры воздуха в комнате и температуры воздуха на уровне пола. Если выбран пункт «Регулировать по комнатному датчику температуры» (стоит галочка), то термостатирование будет осуществляться по соответствующему датчику, используя фазы 1-6, подключенные к секторам 1-6 теплого пола.

Если пункт не выбран, то температуру теплого пола можно регулировать вручную на вкладке «Климат».

-14

Также на вкладке «Настройки» можно установить тип выключателей освещения. По умолчанию (галочка отсутствует) выбраны возвратные выключатели.

В пункте «Номер телефона» следует ввести номер, на который будут приходить SMS-уведомления.

Здесь же можно указать действия, которые будут происходить при нажатии на кнопки, подсоединяемые к входам PC1 и PC2 (кнопки должны при нажатии соединять входы с землей). Такими действиями могут являться открывание двери, управление светом, управление розетками.

Пункт «Учетная запись» позволяет сменить имя и пароль для входа на сервер управления.

На этом мы заканчиваем обзор web-интерфейса устройства BM8035.

В следующей части обзора будут рассмотрены практические схемы, реализующие различные системы управления.

Делись с друзьями, подписывайся на наш канал Мастер Кит DIY и жми лайк, чтобы не пропустить новые публикации.