Добавить в корзинуПозвонить
Найти в Дзене
Maks Puzanov

Радиоконструкторы Микроника - Вариант №5

Вариант №5 "Блок питания". Позволяет собрать маломощный источник вторичного питания (блок питания) с напряжением выхода 1,5 - 12 вольт на регулируемой микросхеме стабилизаторе напряжения КР142ЕН12А (LM317) и током до 0,5 А. При сборке любой электронного устройства возникает вопрос: «от чего будет питаться его схема?» Основных два варианта- это химические источники тока ( батарейки или аккумуляторы) или блок питания, который будет преобразовывать переменное напряжение сети в постоянное с параметрами, необходимыми для работы устройства. Основными из этих параметров являются напряжение и ток, выдаваемые блоком питания. Потом следуют другие параметры, может быть не главные, но в отдельных случаях необходимые для каких-то отдельных схем. Например, при изготовлении блока питания для акустических усилителей немаловажное значение имеет коэффициент пульсаций, т.е. если блок питания будет плохо сглаживать выпрямленное диодным мостом переменное напряжение, то эти пульсации с частото

Вариант №5 "Блок питания". Позволяет собрать маломощный источник вторичного питания (блок питания) с напряжением выхода 1,5 - 12 вольт на регулируемой микросхеме стабилизаторе напряжения КР142ЕН12А (LM317) и током до 0,5 А.

При сборке любой электронного устройства возникает вопрос: «от чего будет питаться его схема?» Основных два варианта- это химические источники тока ( батарейки или аккумуляторы) или блок питания, который будет преобразовывать переменное напряжение сети в постоянное с параметрами, необходимыми для работы устройства. Основными из этих параметров являются напряжение и ток, выдаваемые блоком питания. Потом следуют другие параметры, может быть не главные, но в отдельных случаях необходимые для каких-то отдельных схем. Например, при изготовлении блока питания для акустических усилителей немаловажное значение имеет коэффициент пульсаций, т.е. если блок питания будет плохо сглаживать выпрямленное диодным мостом переменное напряжение, то эти пульсации с частотой 50Гц будут прослушиваться в динамиках усилителя. В некоторых случаях важное значение имеет стабильность выходного напряжения блока питания при изменении нагрузки в допустимых пределах, например для питания видеокамеры и других сложных схем. Есть ещё несколько параметров блоков питания, но в нашем случае они не являются определяющими, и мы на них останавливаться не будем. В этом разделе на примере стабилизированного блока питания рассмотрим все вышеперечисленные параметры и процессы преобразования напряжения и тока.

-2

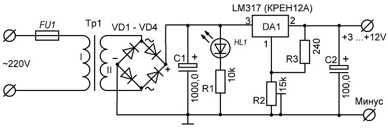
На Рис.1 изображена схема стабилизированного сетевого блока питания, преобразующего переменное сетевое напряжение 220 вольт (переменное напряжение на схемах обозначается АС) в постоянное напряжение (обозначается DC) с возможностью регулирования и стабилизации выходного напряжения. Рассмотрим последовательно все процессы. Сначала из сети напряжение 220вольт с частотой 50 герц (т.е. за одну секунду напряжение в сети меняется с плюса на минус и наоборот 50 раз) поступает через предохранитель FU1, предназначенный защитить трансформатор от «короткого замыкания», на первичную ( I ) обмотку трансформатора (ещё её называют сетевой). Ток, протекающий через первичную обмотку, возбуждает в сердечнике трансформатора переменное магнитное поле, соответственно с частотой 50Гц, которое в свою очередь приводит к возникновению переменного тока во вторичной ( II ) обмотке. Если количество витков в обоих обмотках будет одинаковым, то напряжение на вторичной обмотке практически будет равно напряжению в первичной, т.е. 220 вольт (практически потому, что во время трансформации напряжения происходят незначительные потери на преобразовании). Если нам будет необходимо изготовить блок питания для анодной цепи лампового усилителя с напряжением 440 вольт, то количество витков во вторичной обмотке должно быть в 2 раза больше, чем в первичной (такие трансформаторы называются повышающими). Но в нашем случае мы будем изготавливать блок питания с низким напряжением до 15 вольт (такой трансформатор называется понижающим). По внешним признакам понижающую обмотку трансформатора (сетевую) можно определить по более тонкому проводу, чем у вторичной обмотки и по показаниям омметра – сетевая обмотка имеет более высокое сопротивление, чем вторичная. Надо не забывать, что при определённом напряжении, электрический ток становится опасным для жизни!!! Это означает, что до определённого значения напряжения ток, протекающий через тело человека, не представляет угрозы, а при увеличении напряжения до опасного, соответственно увеличивается и ток. Именно ток, достигнув опасного уровня, протекая через тело и внутренние органы человека, может принести непоправимый урон. Принято, что безопасными в обычных условиях являются переменное напряжение до 36 вольт и постоянное до 40 вольт, а в опасных (сырые помещения, мокрый пол и др.) условиях до 24 вольт.

-3

Продолжим: мы решили, что для питания наших будущих схем нам будет достаточно, если наш универсальный блок питания будет вырабатывать на своём выходе напряжение от 3 до 12 вольт. С учётом потерь при падении напряжения на выпрямительных диодах, микросхеме стабилизатора, напряжение вторичной обмотки должно быть около 15 вольт, т.е. возьмём соотношение количества витков первичной и вторичной обмоток как 15:1. Считаем: если напряжение в сети равно 220В, то напряжение на вторичной обмотке равно 220в : 15 = 14,7в или если первичная обмотка содержит 2100 витков провода, то для вторичной обмотки нам необходимо намотать 2100:15=140 витков. А с учётом трансформации мощности, вторичную обмотку (грубо) мы можем намотать проводом сечением в 14 раз больше, чем первичная обмотка (не путайте сечение провода, т.е. площадь, измеряемую в мм квадратных, с диаметром провода, измеряемых в мм ). Для примера: у нас есть трансформатор от старого видеомагнитофона ВМ-12. Первичная обмотка намотана медным проводом диаметром 0,28 мм и содержит 1180 витков. Считаем количество витков во вторичной обмотке: 1180:220в (напряжение в сети) =5,3636 витков на 1 вольт напряжения. Далее нам необходимо напряжение на вторичной обмотке около 15 вольт: 5,3636 х 15в = 80 витков. Диаметр провода первичной обмотки переводим в сечение: D=0,28мм делим на 2 = 0,14мм (радиус провода), далее по известной формуле S = 3,14 x R2 получаем S = 3,14х0,14мм2= 0,062мм2. Трансформируем это значение в сечение вторичной обмотки: 0,062мм2х15= 0,93мм2. Теперь это сечение обратно переводим в диаметр: 0,93мм2 : 3,14=0,2962мм2 и извлекаем из этого значения квадратный корень: = 0,544мм – это радиус, который умножаем на 2 и получаем диаметр провода вторичной обмотки =1,1мм. Мощность данного трансформатора равна 42 ватта. Далее переменное напряжение с выхода вторичной обмотки II поступает на диоды (в различных описаниях может встречаться понятие вентили) выпрямительного моста VD1-VD4. Форма переменного напряжения сети имеет вид синусоиды. На Рис.3 в верхней части показана форма напряжения на входе моста, а в нижней части на выходе выпрямителя. Как видно из этого рисунка, выпрямленное напряжение имеет большие пульсации и практически непригодно для питания электронных схем. Чтобы оно стало пригодным, его надо в первую очередь отфильтровать. Эту роль в нашей схеме будет играть электролитический конденсатор С1, который будет компенсировать провалы между волнами отдачей в схему собственного заряда, получаемого им в момент достижения максимального значения выпрямленного напряжения, в результате чего пульсации тока после выпрямителя будут очень малы, а форма напряжения будет стремиться с прямой, обозначенной на Рис.3 Ud.

Здесь надо остановиться на одной особенности: допустим мы собрали и подключили только трансформатор и диодный выпрямитель без конденсатора. При измерении напряжения на выходе выпрямителя вольтметр покажет не максимальное значение, достигаемое каждой полуволной, а действующее, обозначенное прямой Ud т.е. если вы рассчитали вторичную обмотку на 15 вольт, то измеренное переменное напряжение на вторичной обмотке и выпрямленное постоянное напряжение на выходе моста будут приблизительно одинаковыми (при выпрямлении на каждом диоде «теряется» около 0,4 вольта. Учитывая, что в каждом плече 2 диода, падение напряжения составит 0,8 вольта. Это надо учитывать при разработке низковольтных выпрямителей с напряжением 1,5 – 3 вольта). Но как только мы подключим к выходу моста фильтрующий конденсатор С1, он зарядится до максимального значения напряжения полуволны выпрямленной синусоиды, т.к. нагрузки пока нет и разряжаться конденсатору пока не на что. Как видно из рисунка, напряжение на конденсаторе увеличится на 1/3 волны ,т.е при действующем напряжении 15 вольт, напряжение может составить 22 вольта. Это надо учитывать при подборе максимально допустимого рабочего напряжения конденсатора (в нашем случае по существующим стандартам напряжений конденсаторов ближайший должен быть не менее 25 вольт). Так же это необходимо учитывать при подключении простого блока питания (адаптера), состоящего из выпрямителя и конденсатора. В этом случае сначала блок питания подключается к схеме (нагрузке), затем в сеть. Теперь остановимся на ёмкости конденсатора С1 и типе диодов выпрямителя. При подборе сглаживающего конденсатора необходимо пользоваться следующим правилом: на 1 ампер рассчитываемой нагрузки, минимальная ёмкость должна составлять 1000МкФ. В нашем случае при максимальном токе трансформатора 0,5А ёмкость не должна быть менее 500МкФ. С учётом выпускаемых основных стандартов, ближайшее значение будет 470Мкф. И это минимальное значение. Для улучшения сглаживающих возможностей конденсатора можно поставить 1000МкФ и более. С конденсатором С1 разобрались. Диоды выпрямителя: два основных параметра – максимальное рабочее напряжение диодов и максимальный ток. В нашей схеме ток будет до 0,5А, значит диоды (или готовый диодный мост) должны быть с рабочим током 0,5 и более ампер и напряжением (учитывая наше максимально возможное значение в 15В плюс мы допускаем скачки в сети), оно должно быть не менее 50В (т.к. как правило диоды выпускают на 50В, потом 100В, 200В и т.д.). Далее подключаем микросхему стабилизатор напряжения КР142ЕН12А (или её полный импортный аналог LM317). На рис.6 корпус микросхемы с обозначением выводов. Вход и выход микросхемы подключаются в соответствии со схемой на Рис.1 Управляющий вывод 1 подключается к регулируемому делителю напряжения, состоящему из подстроечного резистора R2 и постоянного R3. Корпус микросхемы необходимо установить на алюминиевый радиатор т.к. при средних и максимальных нагрузках она будет нагреваться, что может привести к её поломке. Для улучшения теплоотдачи между корпусом микросхемы и радиатором необходимо положить небольшое количество теплопроводящей пасты КПТ-8. Значение ёмкости конденсатора С2 может быть в пределах 25 – 100 МкФ, рабочее напряжение (с учётом нашего максимального напряжения на выходе в 15в плюс запас) должно быть 25В и выше. Для контроля параметров выдаваемого блоком питания напряжения и тока, можно дополнить его контрольно – измерительными приборами: вольтметром и амперметром (рис.2), желательно с предельными показаниями вольтметра 20В (если нет, можно до 50В, но будет теряться точность измерений).

Если вам потребуется блок питания большей мощности, с большей отдачей по току, необходимо будет заменить трансформатор на более мощный. доработать рассмотренный выше блок питания дополнительным

транзистором p-n-p (рис.5) или n-p-n (рис.4) проводимостью.

-4

КТ 816, КТ 818

-5
-6

-7

КР142ЕН12

3-вход

2-выход

1-управл.

В этом случае микросхема будет выступать регулятором напряжения для транзистора, который будет играть ключевую роль, соответственно основной радиатор большей площади необходимо установить на этот транзистор. Например, КТ816 допускает ток до 3 ампер. КТ818,819 до 10 ампер. Необходимо будет заменить диоды на более мощные. Максимальный допустимый ток LМ317 (КРЕН12А) 1,5 ампера при большей площади радиатора.

Если для питания устройства требуется применить блок питания с каким-то фиксированным напряжением, можно использовать микросхемы этой же серии КР142ЕН** (5А является 5 вольтовой, 5Б=6В, 8А=9В, 8Б=12В, 8В=15В, 9А=20В, 9В=24В). Схемы включения этих микросхем одинаковые (рис 7), но значение выводов ЕН12 и ЕН5-9 различное.

В случае применения транзистора для увеличения мощности блока питания необходимо соответственно увеличить мощность трансформатора, в диодный мост установить диоды с соответствующим током и увеличить ёмкость конденсатора С1 (допустимые напряжения остаются без изменений. Светодиод HL1 с ограничивающим ток резистором R1, выполняет роль индикатора напряжения на входе стабилизатора. Все соединения в цепи ~220в должны быть заизолированы.

Купить набор можно по ссылке: